LEMON Manuals: Even more car manuals for everyone
Home >> Lexus >> 2013 >> IS 250 Base, AWD >> Repair and Diagnosis (Single Page) >> Electrical >> Starter >> Smart Access System (Keyless Start) (Diagnostic Codes & Symptom Tests) >> Smart Access System With Push-Button Start >> Symptom Tests >> Engine does not Start >> Procedure

Engine does not Start: Procedure

  1. CHECK IF ENGINE START (INITIALIZE STEERING LOCK) 
    1. Shift lever is in the P position.
    2. Open and close the driver's door with the engine switch off. Check if the engine can be started.

      OK

      Engine can be started.

      HINT: 

      After the battery is discharged and then recharged, the engine may not start unless the steering lock is initialized using the above procedure.

    OK → END 

    NG: Go to next step 

  2. CHECK FOR DTC 
    1. Delete the DTCs. Refer to DTC CHECK / CLEAR [08/2012 - ] .
    2. Check for DTCs again.

      OK

      No DTC is output.

    NG → GO TO DTC CHART 

    OK: Go to next step 

  3. CHECK SWITCH CONDITION 
    1. Check the engine start function.
      1. When the key is inside the vehicle and the shift lever is in P, check that pressing the engine switch causes the power source mode to change as follows.

        OK

        Engine starts.

        HINT: 

    NG → PROCEED TO APPROPRIATE PROBLEM SYMPTOMS SHOWN IN PROBLEM SYMPTOMS TABLE 

    OK: Go to next step 

  4. CHECK BASIC FUNCTION 
    1. Check the engine cranking function.
      1. When there is fuel in the fuel tank, the key is inside the vehicle and the shift lever is in P, check that depressing the brake pedal and pressing the engine switch crank the engine.

        OK

        Engine cranks.

    NG → See step   18 

    OK: Go to next step 

  5. READ VALUE USING TECHSTREAM (STA SIGNAL) 
    1. Connect Techstream to the DLC3.
    2. Turn the engine switch on (IG).
    3. Check the result when the engine switch is turned on (IG) and the engine is started.
      STANDARD:

      Engine Switch Position ON (IG) ENGINE START
      STARTED SIG OFF ON

      OK

      ON (ENGINE START) and OFF (ENGINE SWITCH ON (IG)) appear on the screen.

    OK → See step   12 

    NG: Go to next step 

  6. READ VALUE USING TECHSTREAM (STOP LIGHT SWITCH) 
    1. Connect Techstream to the DLC3.
    2. Turn the engine switch on (IG).
    3. Check the DATA LIST for proper functioning of the stop light switch.
      BODY:

      Tester Display Measurement Item/Range Normal Condition Diagnostic Note
      Stop Light SW1 Stop light Switch 1/ ON or OFF ON: Brake pedal depressed
      OFF: Brake pedal released
      -

      OK

      ON (brake pedal depressed) and OFF (brake pedal released) appear on the screen.

      HINT: 

      If the result of the inspection for a tester display is not as specified, perform troubleshooting for DTC B2284 first. Refer to DTC B2284: Brake Signal Malfunction .

    NG → GO TO DTC CHART 

    OK: Go to next step 

  7. READ VALUE USING TECHSTREAM (STEERING LOCK) 
    1. Connect Techstream to the DLC3.
    2. Turn the engine switch on (IG).
      BODY:

      Tester Display Measurement Item/Range Normal Condition Diagnostic Note
      Steering Unlock Switch Steering lock condition/ ON or OFF ON: Steering is unlocked
      OFF: Steering is locked
      -

      OK

      ON (steering is unlocked) and OFF (steering is locked) appear on the screen.

    NG → See step   22 

    OK: Go to next step 

  8. CHECK STEERING LOCK 
    1. Check if the steering lock is released when turning the engine switch on (ACC).

      OK

      The steering lock is released.

    NG → GO TO STEERING LOCK SYSTEM 

    OK: Go to next step 

  9. INSPECT ECM (STAR AND STSW VOLTAGE) 
    1. Measure the voltage of the A5 and E4 ECM connectors while cranking the engine.
      GTY146225Courtesy of © TOYOTA, LICENSE AGREEMENT TMS1002

      Standard voltage

      Tester Connection Specified Condition
      STAR (E4-4) - E1 (E4-7) 9 to 14 V
      STSW (A5-19) - E1 (E4-7) 9 to 14 V

      Result

      Terminal STAR Terminal STSW Proceed to
      9 to 14 V 9 to 14 V A
      0 V 9 to 14 V B
      0 V 0 V C

    B → REPLACE ECM 

    C → See step   16 

    A: Go to next step 

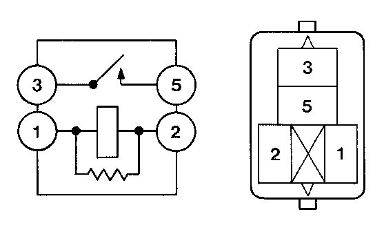
  10. INSPECT RELAY (ST CUT) 
    1. Remove the ST CUT relay from the engine room J/B and R/B No. 2.
      GTY120776Courtesy of © TOYOTA, LICENSE AGREEMENT TMS1002
    2. Measure the resistance of the ST CUT relay.

      Standard resistance

      Tester Connection Specified Condition
      3 - 5 10 kΩ or higher
      3 - 5 Below 1 Ω
      (when battery voltage applied to terminals 1 and 2)

    NG → REPLACE RELAY 

    OK: Go to next step 

  11. INSPECT PARK/NEUTRAL POSITION SWITCH 
    1. Disconnect the park/neutral position (PNP) switch connector.
    2. Measure the resistance between each terminal shown below when the shift lever is moved to each range.

      Standard resistance

      Shift Position Tester Connection Specified Condition
      P 4 - 5 Below 1 Ω
      N 4 - 5 Below 1 Ω
      Except N or P 4 - 5 10 kΩ or higher

    NG → REPLACE PNP SWITCH 

    OK → CHECK AND REPLACE HARNESS AND CONNECTOR (PARK/NEUTRAL POSITION SWITCH - ECM, ECM - ST CUT RELAY, ST) 

  12. INSPECT RELAY (STARTER) 
    1. Remove the starter relay from the engine room J/B and R/B No. 1.
      GTY120776Courtesy of © TOYOTA, LICENSE AGREEMENT TMS1002
    2. Measure the resistance of the starter relay.

      Standard resistance

      Tester Connection Specified Condition
      3 - 5 10 kΩ or higher
      3 - 5 Below 1 Ω
      (when battery voltage applied to terminals 1 and 2)

    NG → REPLACE RELAY 

    OK: Go to next step 

  13. CHECK HARNESS AND CONNECTOR (PNP SWITCH - ST RELAY) 
    1. Check the harness and the connectors between the park/neutral position switch and the starter relay.
      1. Disconnect the E45 switch connector.
      2. Remove the starter relay from the engine room J/B and R/B No. 1.
      3. Measure the resistance of the wire harness side connectors.

        Standard resistance (Check for open)

        Tester Connection Specified Condition
        Park/Neutral position switch (E45-5) - Starter relay (1) Below 1 Ω

        Standard resistance (Check for short)

        Tester Connection Specified Condition
        Park/Neutral position switch (E45-5) or Starter relay (1) - Body ground 10 kΩ or higher
    2. Check the harness and the connector between the starter relay and the body ground.
      1. Remove the starter relay from the engine room J/B and R/B No. 1.
      2. Measure the resistance of the starter relay and the body ground.

        Standard resistance (Check for open)

        Tester Connection Specified Condition
        Starter relay (2) - Body ground Below 1 Ω

    NG → REPAIR OR REPLACE HARNESS OR CONNECTOR 

    OK: Go to next step 

  14. INSPECT ENGINE ROOM RELAY BLOCK (STARTER RELAY VOLTAGE) 
    1. Remove the starter relay from the engine room J/B and R/B No. 1.
      GTY122611Courtesy of © TOYOTA, LICENSE AGREEMENT TMS1002
    2. Measure the voltage of the engine room J/B and R/B No. 1 and the body ground.

      Standard voltage

      Tester Connection Specified Condition
      Starter relay (5) - Body ground 9 to 14 V

    NG → REPAIR OR REPLACE HARNESS OR CONNECTOR 

    OK: Go to next step 

  15. INSPECT STARTER ASSEMBLY 

    HINT: 

    Refer to INSPECTION [08/2012 - ] .

    NG → REPAIR OR REPLACE STARTER ASSEMBLY 

    OK → REPAIR OR REPLACE HARNESS OR CONNECTOR (STARTER RELAY - STARTER, STARTER - BATTERY) 

  16. CHECK HARNESS AND CONNECTOR (POWER SOURCE CONTROL ECU - ECM) 
    1. Check the harness and the connectors between the power source control ECU and ECM.
      GTY145511Courtesy of © TOYOTA, LICENSE AGREEMENT TMS1002
      1. Disconnect the power source control ECU connector.
      2. Disconnect the A5 ECM connector.
      3. Measure the resistance of the wire harness side connectors.

        Standard resistance (Check for open)

        Tester Connection Specified Condition
        J55-39 (STSW) - A5-19 (STSW) Below 1 Ω

        Standard resistance (Check for short)

        Tester Connection Specified Condition
        J55-39 (STSW) or A5-19 (STSW) - Body ground 10 kΩ or higher

    NG → REPAIR OR REPLACE HARNESS OR CONNECTOR 

    OK: Go to next step 

  17. CHECK AND REPLACE POWER SOURCE CONTROL ECU 
    1. Replace the power source control ECU.
    2. Check the engine cranking function.
      1. When there is fuel in the fuel tank, the key is inside the vehicle and the shift lever is in P, check that depressing the brake pedal and pressing the engine switch crank the engine.

        OK

        Engine cranks.

        HINT: 

        After the power source control ECU is replaced, the engine may not start unless each system is initialized using the above procedure.

    NG → REPLACE ECM 

    OK → END 

  18. READ VALUE USING TECHSTREAM (L CODE) 
    1. Reconnect the connectors.
    2. Connect Techstream to the DLC3.
    3. Turn the engine switch on (IG).
      SMART ACCESS:

      Tester Display Measurement Item/Range Normal Condition Diagnostic Note
      L Code Check L code check/ ON or NG OK: Normal
      NG: Malfunction
      Electrical key in the cabin

      OK

      OK is displayed on the screen.

      HINT: 

      If the result of the inspection for a tester display is not as specified, there may be malfunction of the steering lock ECU or the ID code box.

    NG → GO TO ENGINE IMMOBILISER SYSTEM 

    OK: Go to next step 

  19. READ VALUE USING TECHSTREAM (ENGINE START REQUEST) 
    1. Connect Techstream to the DLC3.
    2. Turn the engine switch on (IG).
      SMART ACCESS:

      Tester Display Measurement Item/Range Normal Condition Diagnostic Note
      Starter Request Signal Start request signal response/ OK or NG OK: Received
      NG: Non-received
      -

      OK

      OK (received) and NG (non-received) appear on the screen.

    NG → REPLACE CERTIFICATION ECU 

    OK: Go to next step 

  20. READ VALUE USING TECHSTREAM (S CODE) 
    1. Connect Techstream to the DLC3.
    2. Turn the engine switch on (IG).
      SMART ACCESS:

      Tester Display Measurement Item/Range Normal Condition Diagnostic Note
      S Code Check S code check/ OK or NG OK: Normal
      NG: Malfunction
      -

      OK

      OK is displayed on the screen.

      HINT: 

      If the result of the inspection for a tester display is not as specified, there may be malfunction of the certification ECU or the ID code box.

    NG → GO TO ENGINE IMMOBILISER SYSTEM 

    OK: Go to next step 

  21. INSPECT ID CODE BOX 
    1. Check the input signal waveform.
      GTY119295Courtesy of © TOYOTA, LICENSE AGREEMENT TMS1002
      1. Connect the oscilloscope to the terminals J69-6 (EFIO) and A6-6 (IMI).
      2. Turn the engine switch on (IG).
      3. Check the signal waveform according to the condition(s) in the table below.
        Item Condition
        Tool setting 10 V/DIV., 100 ms./DIV.
        Vehicle condition Engine switch on (IG)

    NG → REPLACE ID CODE BOX 

    OK → END 

  22. CHECK WIRE HARNESS (POWER SOURCE CONTROL ECU - STEERING LOCK ECU) 
    1. Disconnect the ECU connector.
    2. Measure the resistance according to the value(s) in the table below.

      Standard resistance

      Tester Connection (Symbols) Specified Condition
      J55-26 (SLP) - J29-4 (SLP1) Below 1 Ω
      J55-26 (SLP) or J29-4 (SLP1) - Body ground 10 kΩ or higher

    NG → REPAIR OR REPLACE HARNESS OR CONNECTOR 

    OK: Go to next step 

  23. INSPECT POWER SOURCE CONTROL ECU 
    1. Reconnect the J55 ECU connector.
      GTY138149Courtesy of © TOYOTA, LICENSE AGREEMENT TMS1002
    2. Connect the oscilloscope to the power source control ECU terminals specified in the table below and check the waveform.
      GTY128541Courtesy of © TOYOTA, LICENSE AGREEMENT TMS1002
      Item Contents
      Terminal (Symbols) J55-26 (SLP) - Body ground
      Equipment Setting 2 V/DIV., 100 ms./DIV.
      Condition Engine switch on (IG)

      OK

      The waveform appears as shown in the illustration.

      HINT: 

      The waveform varies depending on the contents of communication.

    NG → REPLACE POWER SOURCE CONTROL ECU 

    OK: Go to next step 

  24. INSPECT STEERING LOCK ECU 
    1. Reconnect the J29 ECU connector.
      GTY138149Courtesy of © TOYOTA, LICENSE AGREEMENT TMS1002
    2. Connect the oscilloscope to the power source control ECU terminals specified in the table below and check the waveform.
      GTY146537Courtesy of © TOYOTA, LICENSE AGREEMENT TMS1002
      Item Contents
      Terminal (Symbols) J55-26 (SLP) - Body ground
      Equipment Setting 2 V/DIV., 100 ms./DIV.
      Condition Steering is LOCK / UNLOCK

      OK

      The waveform appears as shown in the illustration.

      HINT: 

      The waveform varies depending on the contents of communication.

    NG → REPLACE STEERING LOCK ECU 

    OK → REPLACE POWER SOURCE CONTROL ECU