LEMON Manuals: Even more car manuals for everyone
Home >> Lexus >> 2013 >> IS 250 Base, AWD >> Repair and Diagnosis (Single Page) >> Electrical >> Body Electrical >> OEM System Circuits >> Power Window >> Notes

Power Window: Notes

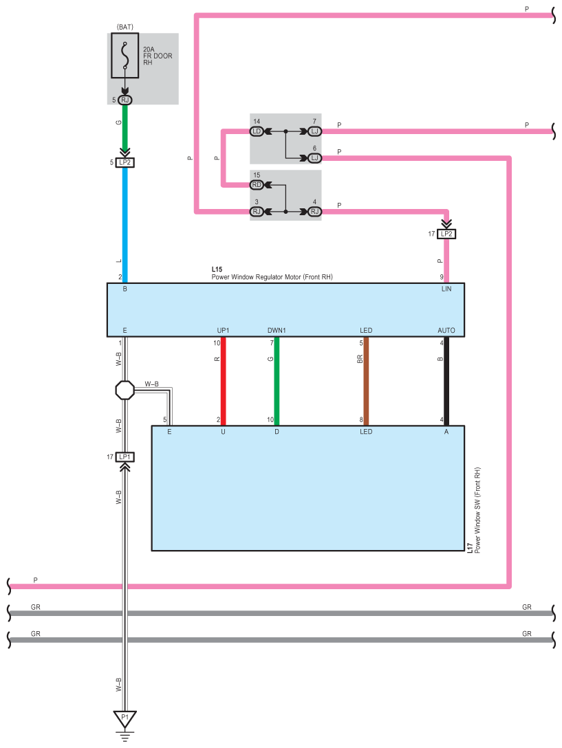
Fig 1: Power Window System Wiring Diagram (1 Of 6)
G09119081Courtesy of © TOYOTA, LICENSE AGREEMENT TMS1002
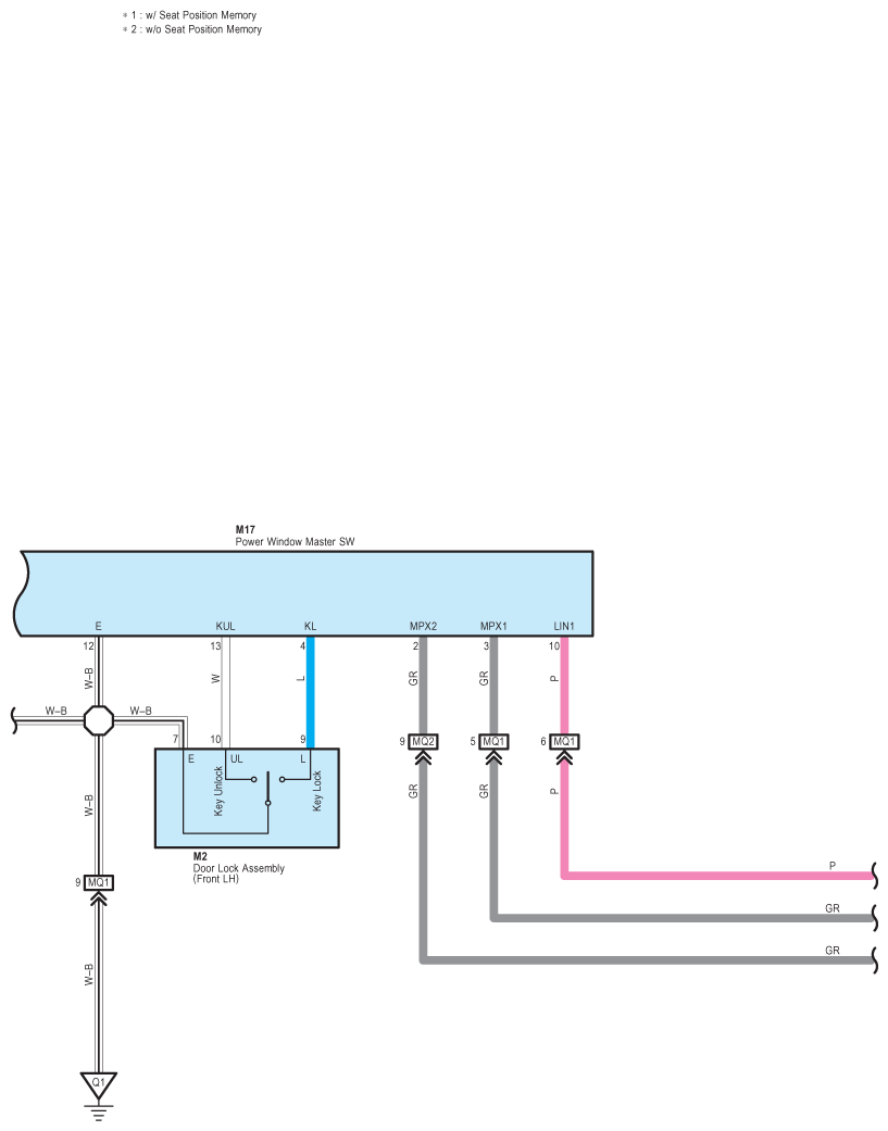
Fig 2: Power Window System Wiring Diagram (2 Of 6)
G09119082Courtesy of © TOYOTA, LICENSE AGREEMENT TMS1002
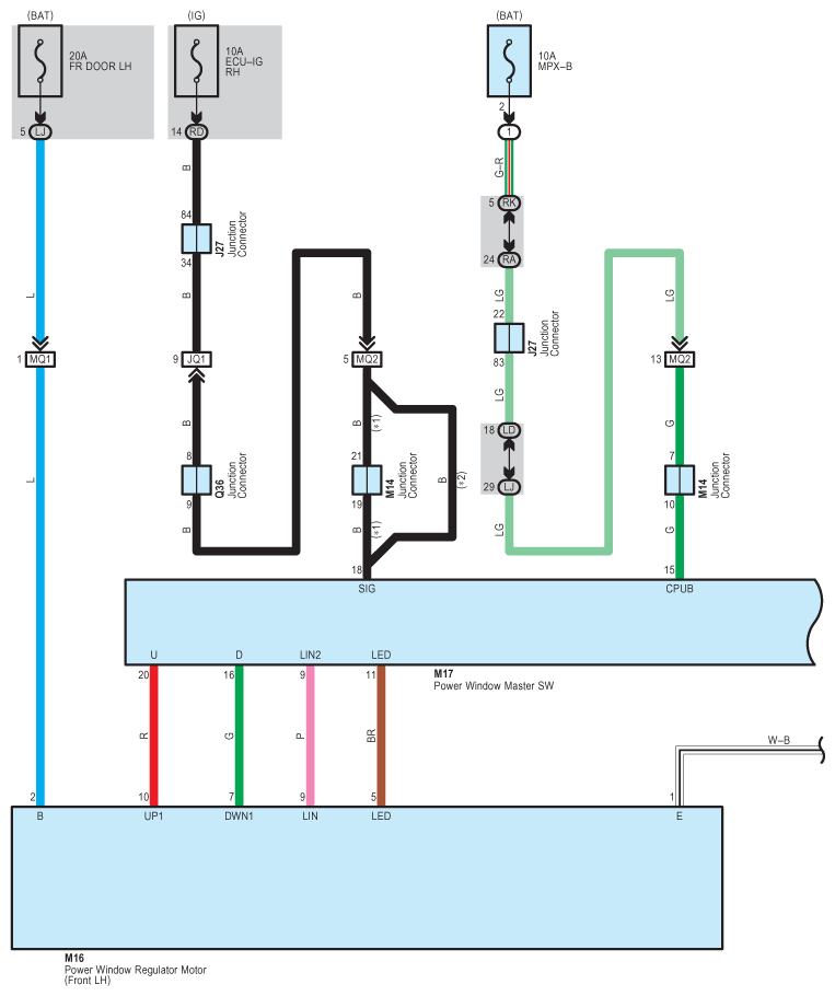
Fig 3: Power Window System Wiring Diagram (3 Of 6)
G09119083Courtesy of © TOYOTA, LICENSE AGREEMENT TMS1002
Fig 4: Power Window System Wiring Diagram (4 Of 6)
G09119084Courtesy of © TOYOTA, LICENSE AGREEMENT TMS1002
Fig 5: Power Window System Wiring Diagram (5 Of 6)
G09119085Courtesy of © TOYOTA, LICENSE AGREEMENT TMS1002
Fig 6: Power Window System Wiring Diagram (6 Of 6)
G09119086Courtesy of © TOYOTA, LICENSE AGREEMENT TMS1002