LEMON Manuals: Even more car manuals for everyone
Home >> Lexus >> 2013 >> IS 250 Base, AWD >> Repair and Diagnosis (Single Page) >> Electrical >> Body Electrical >> OEM System Circuits >> LEXUS ENFORM or Safety Connect >> Notes

LEXUS ENFORM or Safety Connect: Notes

Fig 1: Lexus Enform Or Safety Connect System Wiring Diagram (1 Of 4)
G09119231Courtesy of © TOYOTA, LICENSE AGREEMENT TMS1002
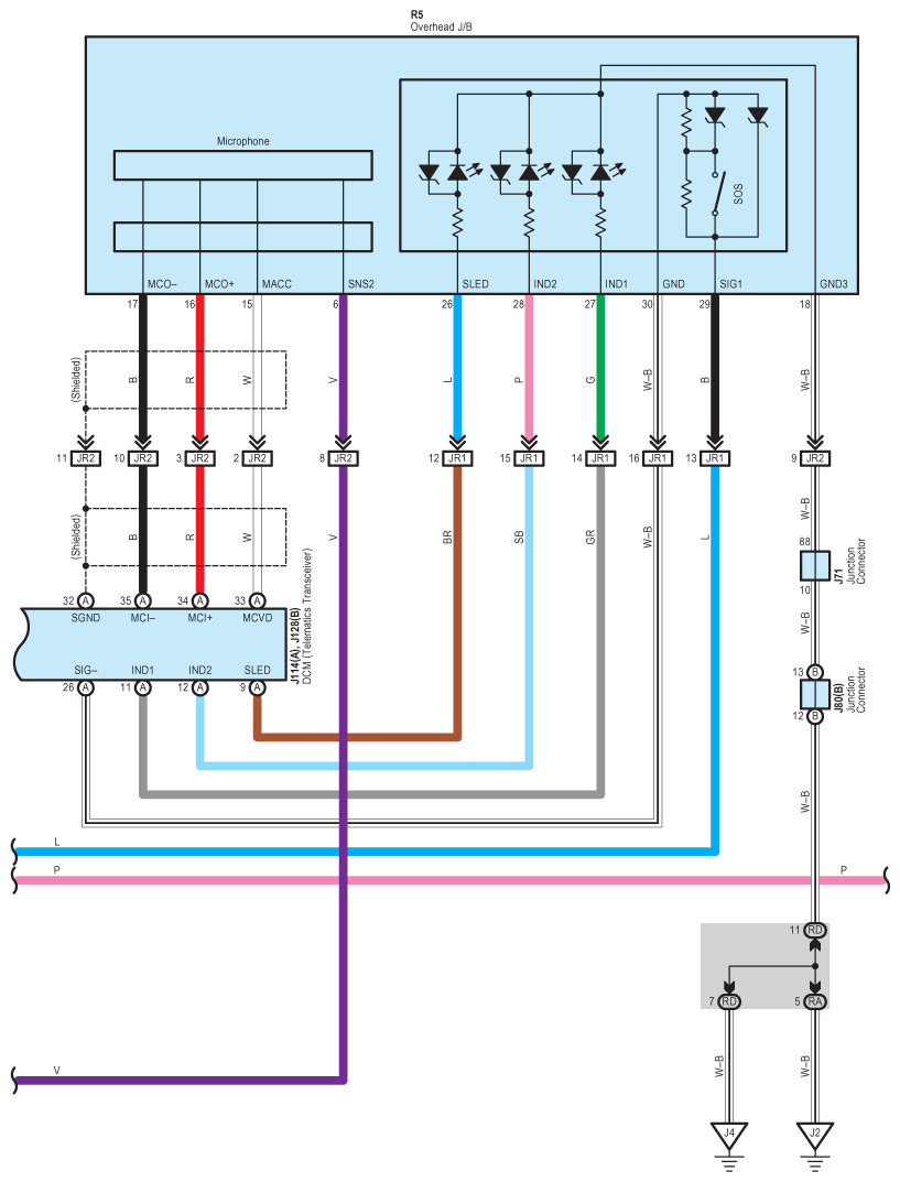
Fig 2: Lexus Enform Or Safety Connect System Wiring Diagram (2 Of 4)
G09119232Courtesy of © TOYOTA, LICENSE AGREEMENT TMS1002
Fig 3: Lexus Enform Or Safety Connect System Wiring Diagram (3 Of 4)
G09119233Courtesy of © TOYOTA, LICENSE AGREEMENT TMS1002
Fig 4: Lexus Enform Or Safety Connect System Wiring Diagram (4 Of 4)
G09119234Courtesy of © TOYOTA, LICENSE AGREEMENT TMS1002