LEMON Manuals: Even more car manuals for everyone
Home >> Lexus >> 2013 >> IS 250 Base, AWD >> Repair and Diagnosis (Single Page) >> Electrical >> Body Electrical >> OEM System Circuits >> Engine Immobilizer System, Smart Access System with Push-Button Start, Starting, Steering Lock and Wireless Door Lock Control >> Notes

Engine Immobilizer System, Smart Access System with Push-Button Start, Starting, Steering Lock and Wireless Door Lock Control: Notes

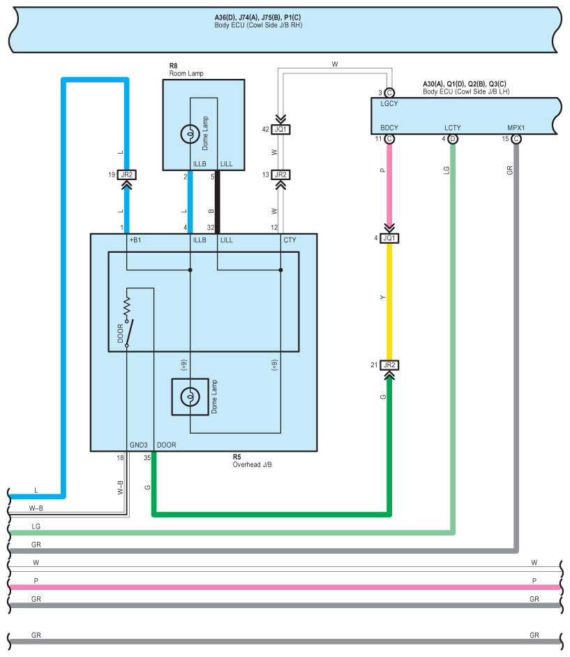
Fig 1: Engine Immobilizer, Smart Access (With Push-Button), Starting, Steering Lock And Wireless Door Lock System Wiring Diagram (1 Of 20)
G09118944Courtesy of © TOYOTA, LICENSE AGREEMENT TMS1002
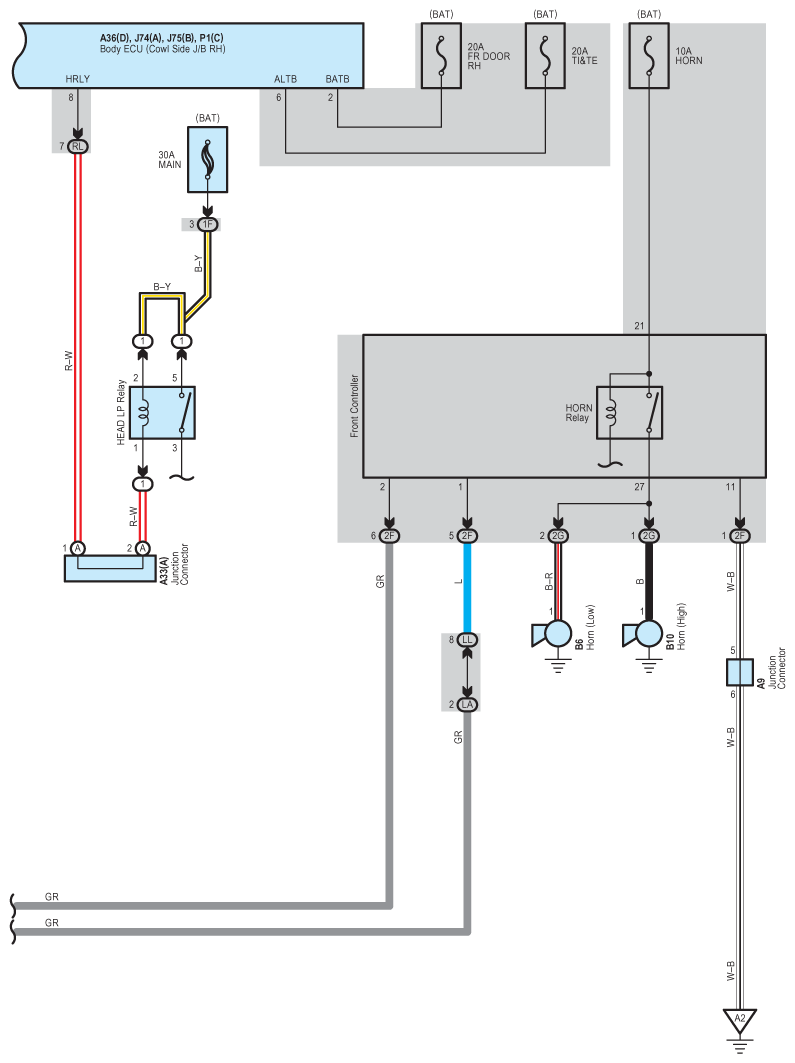
Fig 2: Engine Immobilizer, Smart Access (With Push-Button), Starting, Steering Lock And Wireless Door Lock System Wiring Diagram (2 Of 20)
G09118945Courtesy of © TOYOTA, LICENSE AGREEMENT TMS1002
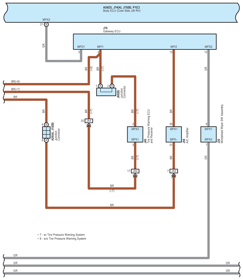
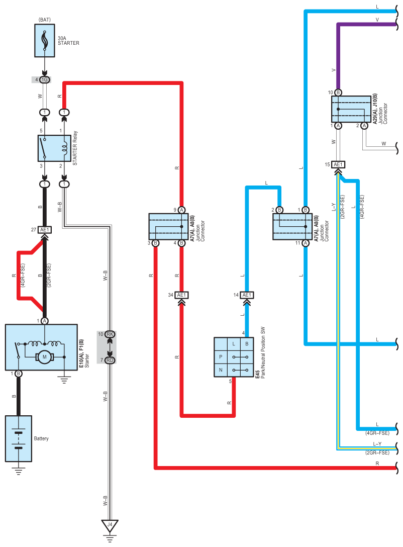
Fig 3: Engine Immobilizer, Smart Access (With Push-Button), Starting, Steering Lock And Wireless Door Lock System Wiring Diagram (3 Of 20)
G09118946Courtesy of © TOYOTA, LICENSE AGREEMENT TMS1002
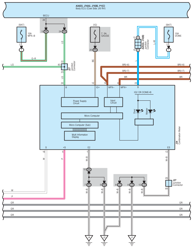
Fig 4: Engine Immobilizer, Smart Access (With Push-Button), Starting, Steering Lock And Wireless Door Lock System Wiring Diagram (4 Of 20)
G09118947Courtesy of © TOYOTA, LICENSE AGREEMENT TMS1002
Fig 5: Engine Immobilizer, Smart Access (With Push-Button), Starting, Steering Lock And Wireless Door Lock System Wiring Diagram (5 Of 20)
G09118948Courtesy of © TOYOTA, LICENSE AGREEMENT TMS1002
Fig 6: Engine Immobilizer, Smart Access (With Push-Button), Starting, Steering Lock And Wireless Door Lock System Wiring Diagram (6 Of 20)
G09118949Courtesy of © TOYOTA, LICENSE AGREEMENT TMS1002
Fig 7: Engine Immobilizer, Smart Access (With Push-Button), Starting, Steering Lock And Wireless Door Lock System Wiring Diagram (7 Of 20)
G09118950Courtesy of © TOYOTA, LICENSE AGREEMENT TMS1002
Fig 8: Engine Immobilizer, Smart Access (With Push-Button), Starting, Steering Lock And Wireless Door Lock System Wiring Diagram (8 Of 20)
G09118951Courtesy of © TOYOTA, LICENSE AGREEMENT TMS1002
Fig 9: Engine Immobilizer, Smart Access (With Push-Button), Starting, Steering Lock And Wireless Door Lock System Wiring Diagram (9 Of 20)
G09118952Courtesy of © TOYOTA, LICENSE AGREEMENT TMS1002
Fig 10: Engine Immobilizer, Smart Access (With Push-Button), Starting, Steering Lock And Wireless Door Lock System Wiring Diagram (10 Of 20)
G09118953Courtesy of © TOYOTA, LICENSE AGREEMENT TMS1002
Fig 11: Engine Immobilizer, Smart Access (With Push-Button), Starting, Steering Lock And Wireless Door Lock System Wiring Diagram (11 Of 20)
G09118954Courtesy of © TOYOTA, LICENSE AGREEMENT TMS1002
Fig 12: Engine Immobilizer, Smart Access (With Push-Button), Starting, Steering Lock And Wireless Door Lock System Wiring Diagram (12 Of 20)
G09118955Courtesy of © TOYOTA, LICENSE AGREEMENT TMS1002
Fig 13: Engine Immobilizer, Smart Access (With Push-Button), Starting, Steering Lock And Wireless Door Lock System Wiring Diagram (13 Of 20)
G09118956Courtesy of © TOYOTA, LICENSE AGREEMENT TMS1002
Fig 14: Engine Immobilizer, Smart Access (With Push-Button), Starting, Steering Lock And Wireless Door Lock System Wiring Diagram (14 Of 20)
G09118957Courtesy of © TOYOTA, LICENSE AGREEMENT TMS1002
Fig 15: Engine Immobilizer, Smart Access (With Push-Button), Starting, Steering Lock And Wireless Door Lock System Wiring Diagram (15 Of 20)
G09118958Courtesy of © TOYOTA, LICENSE AGREEMENT TMS1002
Fig 16: Engine Immobilizer, Smart Access (With Push-Button), Starting, Steering Lock And Wireless Door Lock System Wiring Diagram (16 Of 20)
G09118959Courtesy of © TOYOTA, LICENSE AGREEMENT TMS1002
Fig 17: Engine Immobilizer, Smart Access (With Push-Button), Starting, Steering Lock And Wireless Door Lock System Wiring Diagram (17 Of 20)
G09118960Courtesy of © TOYOTA, LICENSE AGREEMENT TMS1002
Fig 18: Engine Immobilizer, Smart Access (With Push-Button), Starting, Steering Lock And Wireless Door Lock System Wiring Diagram (18 Of 20)
G09118961Courtesy of © TOYOTA, LICENSE AGREEMENT TMS1002
Fig 19: Engine Immobilizer, Smart Access (With Push-Button), Starting, Steering Lock And Wireless Door Lock System Wiring Diagram (19 Of 20)
G09118962Courtesy of © TOYOTA, LICENSE AGREEMENT TMS1002
Fig 20: Engine Immobilizer, Smart Access (With Push-Button), Starting, Steering Lock And Wireless Door Lock System Wiring Diagram (20 Of 20)
G09118963Courtesy of © TOYOTA, LICENSE AGREEMENT TMS1002