LEMON Manuals: Even more car manuals for everyone
Home >> Lexus >> 2013 >> IS 250 Base, AWD >> Repair and Diagnosis (Single Page) >> Electrical >> Body Electrical >> OEM System Circuits >> Engine Control (4GR-FSE) >> Notes

Engine Control (4GR-FSE): Notes

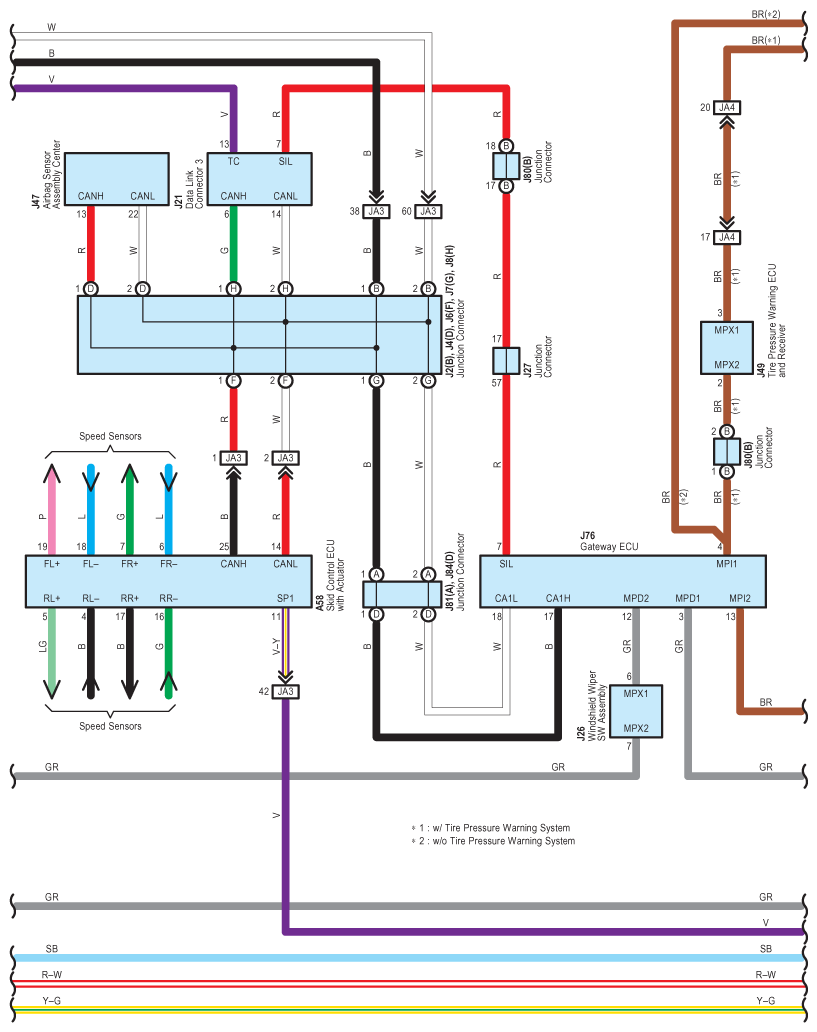
Fig 1: Engine Control (4GR-FSE) System Wiring Diagram (1 Of 17)
G09118986Courtesy of © TOYOTA, LICENSE AGREEMENT TMS1002
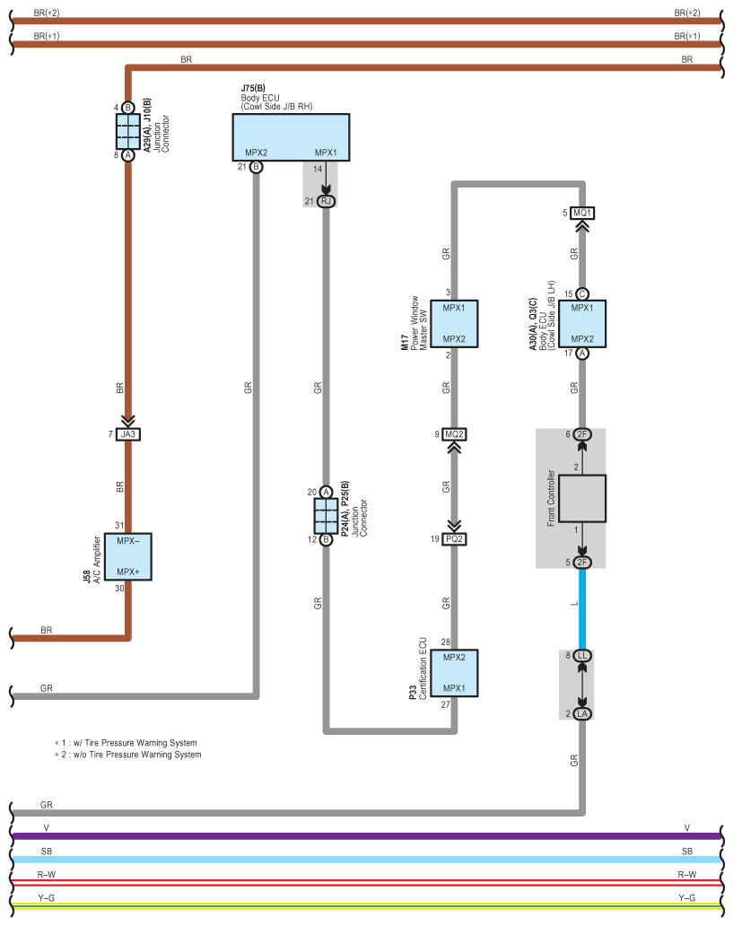
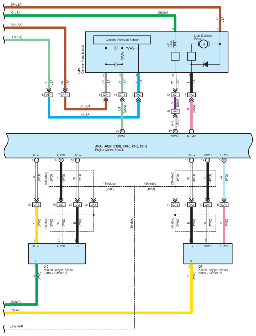
Fig 2: Engine Control (4GR-FSE) System Wiring Diagram (2 Of 17)
G09118987Courtesy of © TOYOTA, LICENSE AGREEMENT TMS1002
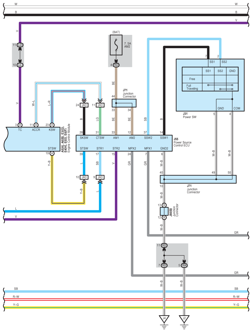
Fig 3: Engine Control (4GR-FSE) System Wiring Diagram (3 Of 17)
G09118988Courtesy of © TOYOTA, LICENSE AGREEMENT TMS1002
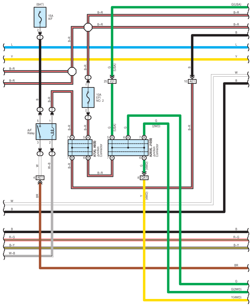
Fig 4: Engine Control (4GR-FSE) System Wiring Diagram (4 Of 17)
G09118989Courtesy of © TOYOTA, LICENSE AGREEMENT TMS1002
Fig 5: Engine Control (4GR-FSE) System Wiring Diagram (5 Of 17)
G09118990Courtesy of © TOYOTA, LICENSE AGREEMENT TMS1002
Fig 6: Engine Control (4GR-FSE) System Wiring Diagram (6 Of 17)
G09118991Courtesy of © TOYOTA, LICENSE AGREEMENT TMS1002
Fig 7: Engine Control (4GR-FSE) System Wiring Diagram (7 Of 17)
G09118992Courtesy of © TOYOTA, LICENSE AGREEMENT TMS1002
Fig 8: Engine Control (4GR-FSE) System Wiring Diagram (8 Of 17)
G09118993Courtesy of © TOYOTA, LICENSE AGREEMENT TMS1002
Fig 9: Engine Control (4GR-FSE) System Wiring Diagram (9 Of 17)
G09118994Courtesy of © TOYOTA, LICENSE AGREEMENT TMS1002
Fig 10: Engine Control (4GR-FSE) System Wiring Diagram (10 Of 17)
G09118995Courtesy of © TOYOTA, LICENSE AGREEMENT TMS1002
Fig 11: Engine Control (4GR-FSE) System Wiring Diagram (11 Of 17)
G09118996Courtesy of © TOYOTA, LICENSE AGREEMENT TMS1002
Fig 12: Engine Control (4GR-FSE) System Wiring Diagram (12 Of 17)
G09118997Courtesy of © TOYOTA, LICENSE AGREEMENT TMS1002
Fig 13: Engine Control (4GR-FSE) System Wiring Diagram (13 Of 17)
G09118998Courtesy of © TOYOTA, LICENSE AGREEMENT TMS1002
Fig 14: Engine Control (4GR-FSE) System Wiring Diagram (14 Of 17)
G09118999Courtesy of © TOYOTA, LICENSE AGREEMENT TMS1002
Fig 15: Engine Control (4GR-FSE) System Wiring Diagram (15 Of 17)
G09119000Courtesy of © TOYOTA, LICENSE AGREEMENT TMS1002
Fig 16: Engine Control (4GR-FSE) System Wiring Diagram (16 Of 17)
G09119001Courtesy of © TOYOTA, LICENSE AGREEMENT TMS1002
Fig 17: Engine Control (4GR-FSE) System Wiring Diagram (17 Of 17)
G09119002Courtesy of © TOYOTA, LICENSE AGREEMENT TMS1002