LEMON Manuals: Even more car manuals for everyone
Home >> Lexus >> 2013 >> IS 250 Base, AWD >> Repair and Diagnosis (Single Page) >> Electrical >> Body Electrical >> OEM System Circuits >> Engine Control (2GR-FSE) >> Notes

Engine Control (2GR-FSE): Notes

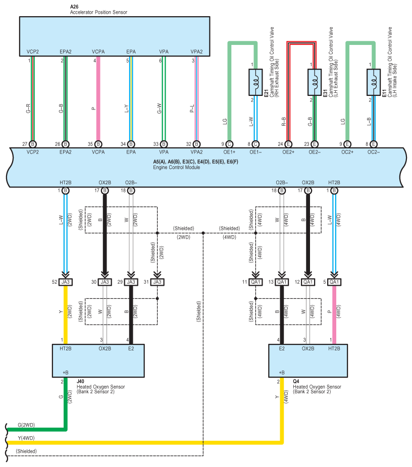
Fig 1: Engine Control (2GR-FSE) System Wiring Diagram (1 Of 16)
G09118970Courtesy of © TOYOTA, LICENSE AGREEMENT TMS1002
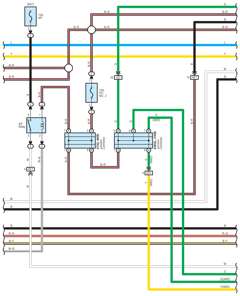
Fig 2: Engine Control (2GR-FSE) System Wiring Diagram (2 Of 16)
G09118971Courtesy of © TOYOTA, LICENSE AGREEMENT TMS1002
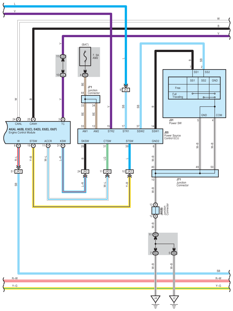
Fig 3: Engine Control (2GR-FSE) System Wiring Diagram (3 Of 16)
G09118972Courtesy of © TOYOTA, LICENSE AGREEMENT TMS1002
Fig 4: Engine Control (2GR-FSE) System Wiring Diagram (4 Of 16)
G09118973Courtesy of © TOYOTA, LICENSE AGREEMENT TMS1002
Fig 5: Engine Control (2GR-FSE) System Wiring Diagram (5 Of 16)
G09118974Courtesy of © TOYOTA, LICENSE AGREEMENT TMS1002
Fig 6: Engine Control (2GR-FSE) System Wiring Diagram (6 Of 16)
G09118975Courtesy of © TOYOTA, LICENSE AGREEMENT TMS1002
Fig 7: Engine Control (2GR-FSE) System Wiring Diagram (7 Of 16)
G09118976Courtesy of © TOYOTA, LICENSE AGREEMENT TMS1002
Fig 8: Engine Control (2GR-FSE) System Wiring Diagram (8 Of 16)
G09118977Courtesy of © TOYOTA, LICENSE AGREEMENT TMS1002
Fig 9: Engine Control (2GR-FSE) System Wiring Diagram (9 Of 16)
G09118978Courtesy of © TOYOTA, LICENSE AGREEMENT TMS1002
Fig 10: Engine Control (2GR-FSE) System Wiring Diagram (10 Of 16)
G09118979Courtesy of © TOYOTA, LICENSE AGREEMENT TMS1002
Fig 11: Engine Control (2GR-FSE) System Wiring Diagram (11 Of 16)
G09118980Courtesy of © TOYOTA, LICENSE AGREEMENT TMS1002
Fig 12: Engine Control (2GR-FSE) System Wiring Diagram (12 Of 16)
G09118981Courtesy of © TOYOTA, LICENSE AGREEMENT TMS1002
Fig 13: Engine Control (2GR-FSE) System Wiring Diagram (13 Of 16)
G09118982Courtesy of © TOYOTA, LICENSE AGREEMENT TMS1002
Fig 14: Engine Control (2GR-FSE) System Wiring Diagram (14 Of 16)
G09118983Courtesy of © TOYOTA, LICENSE AGREEMENT TMS1002
Fig 15: Engine Control (2GR-FSE) System Wiring Diagram (15 Of 16)
G09118984Courtesy of © TOYOTA, LICENSE AGREEMENT TMS1002
Fig 16: Engine Control (2GR-FSE) System Wiring Diagram (16 Of 16)
G09118985Courtesy of © TOYOTA, LICENSE AGREEMENT TMS1002