LEMON Manuals: Even more car manuals for everyone
Home >> Lexus >> 2013 >> IS 250 Base, AWD >> Repair and Diagnosis (Single Page) >> Electrical >> Body Electrical >> OEM System Circuits >> EPS >> Notes

OEM System Circuits: EPS: Notes

Fig 1: EPS System Wiring Diagram (1 Of 4)
G09119155Courtesy of © TOYOTA, LICENSE AGREEMENT TMS1002
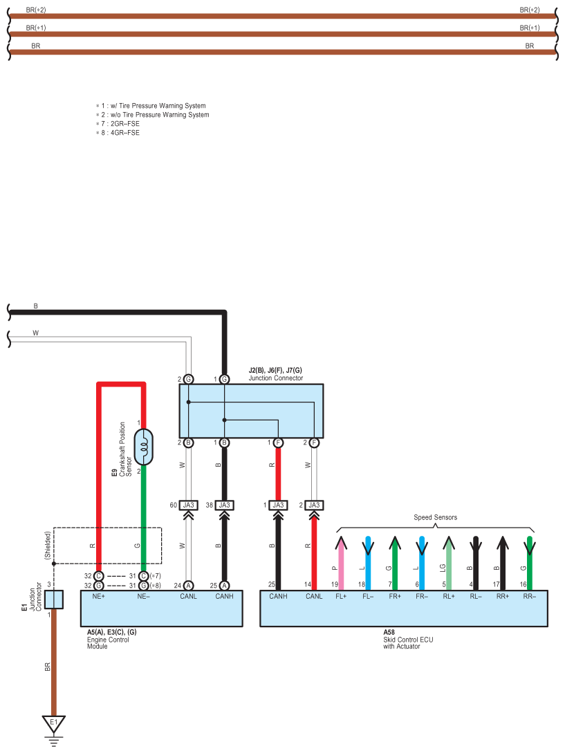
Fig 2: EPS System Wiring Diagram (2 Of 4)
G09119156Courtesy of © TOYOTA, LICENSE AGREEMENT TMS1002
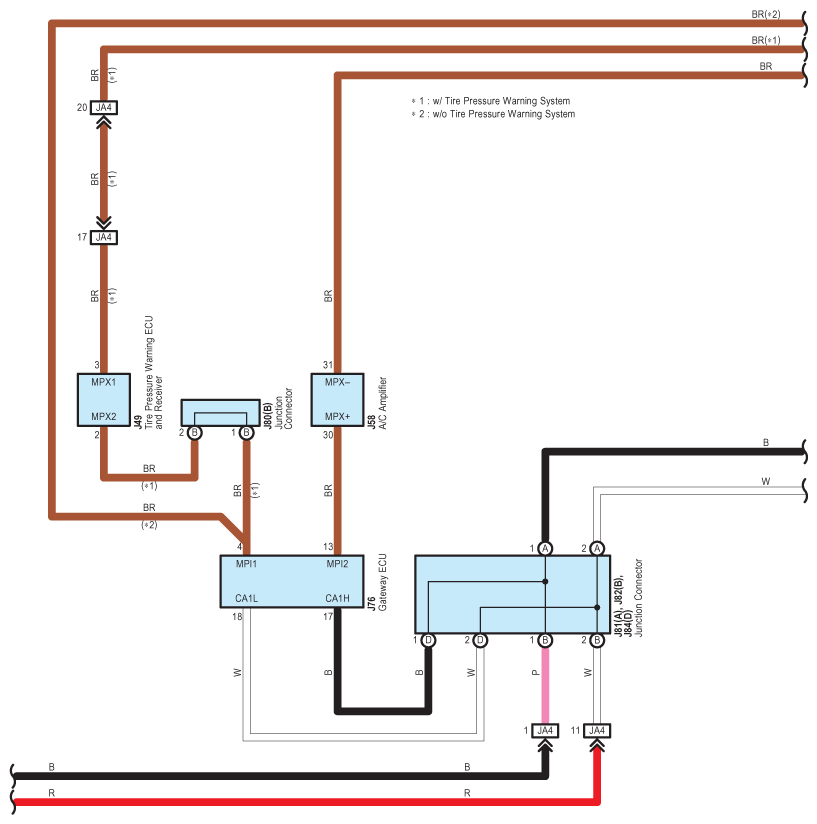
Fig 3: EPS System Wiring Diagram (3 Of 4)
G09119157Courtesy of © TOYOTA, LICENSE AGREEMENT TMS1002
Fig 4: EPS System Wiring Diagram (4 Of 4)
G09119158Courtesy of © TOYOTA, LICENSE AGREEMENT TMS1002