LEMON Manuals: Even more car manuals for everyone
Home >> Lexus >> 2013 >> IS 250 Base, AWD >> Repair and Diagnosis (Single Page) >> Electrical >> Body Electrical >> OEM System Circuits >> Clock >> Notes

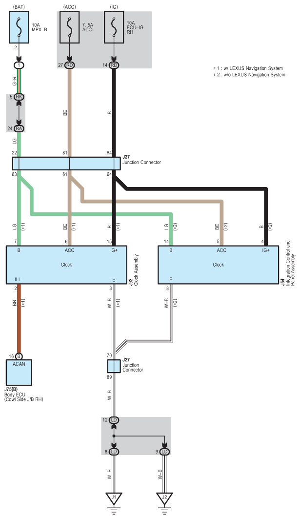
OEM System Circuits: Clock: Notes

Fig 1: Clock System Wiring Diagram
G09119225Courtesy of © TOYOTA, LICENSE AGREEMENT TMS1002