LEMON Manuals: Even more car manuals for everyone
Home >> Lexus >> 2013 >> IS 250 Base, AWD >> Repair and Diagnosis (Single Page) >> Electrical >> Body Electrical >> OEM System Circuits >> Back-Up Light >> Notes

Back-Up Light: Notes

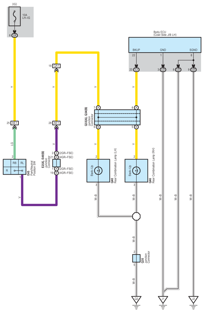
Fig 1: Back-Up Light System Wiring Diagram
G09119054Courtesy of © TOYOTA, LICENSE AGREEMENT TMS1002