LEMON Manuals: Even more car manuals for everyone
Home >> Lexus >> 2013 >> GX 460 Base >> Repair and Diagnosis (Single Page) >> Electrical >> Motors, Switches, Relays >> OEM System Circuits >> Audio System (9 Speaker w/LEXUS Navigation System), LEXUS Navigation System (9 Speaker), Multi-Terrain Monitor (9 Speaker w/LEXUS Navigation System) and Parking Assist (Rear View Monitor and Wide-View Front & Side Monitor) (9 Speaker w/LEXUS Navigation System) >> Notes

Audio System (9 Speaker w/LEXUS Navigation System), LEXUS Navigation System (9 Speaker), Multi-Terrain Monitor (9 Speaker w/LEXUS Navigation System) and Parking Assist (Rear View Monitor and Wide-View Front & Side Monitor) (9 Speaker w/LEXUS Navigation System): Notes

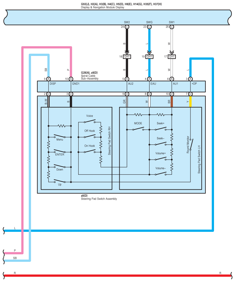
Fig 1: Audio System (9 Speaker), Lexus Navigation System, Multi-Terrain Monitor And Parking Assist - Wiring Diagram (1 Of 23)
G09114809Courtesy of © TOYOTA, LICENSE AGREEMENT TMS1002
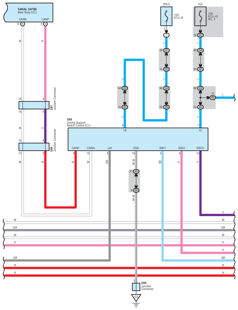
Fig 2: Audio System (9 Speaker), Lexus Navigation System, Multi-Terrain Monitor And Parking Assist - Wiring Diagram (2 Of 23)
G09114810Courtesy of © TOYOTA, LICENSE AGREEMENT TMS1002
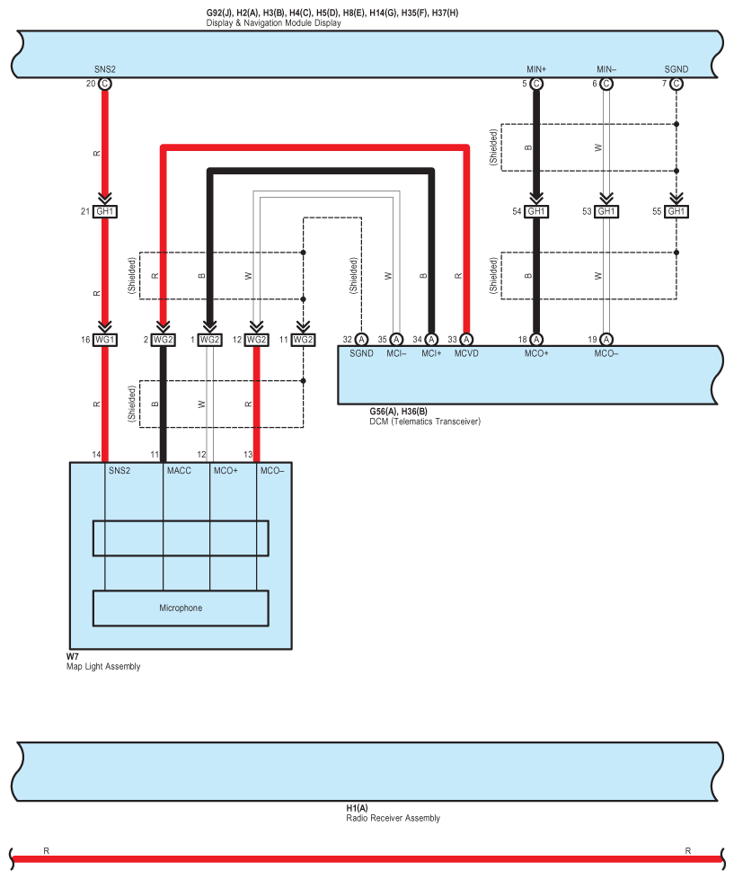
Fig 3: Audio System (9 Speaker), Lexus Navigation System, Multi-Terrain Monitor And Parking Assist - Wiring Diagram (3 Of 23)
G09114811Courtesy of © TOYOTA, LICENSE AGREEMENT TMS1002
Fig 4: Audio System (9 Speaker), Lexus Navigation System, Multi-Terrain Monitor And Parking Assist - Wiring Diagram (4 Of 23)
G09114812Courtesy of © TOYOTA, LICENSE AGREEMENT TMS1002
Fig 5: Audio System (9 Speaker), Lexus Navigation System, Multi-Terrain Monitor And Parking Assist - Wiring Diagram (5 Of 23)
G09114813Courtesy of © TOYOTA, LICENSE AGREEMENT TMS1002
Fig 6: Audio System (9 Speaker), Lexus Navigation System, Multi-Terrain Monitor And Parking Assist - Wiring Diagram (6 Of 23)
G09114814Courtesy of © TOYOTA, LICENSE AGREEMENT TMS1002
Fig 7: Audio System (9 Speaker), Lexus Navigation System, Multi-Terrain Monitor And Parking Assist - Wiring Diagram (7 Of 23)
G09114815Courtesy of © TOYOTA, LICENSE AGREEMENT TMS1002
Fig 8: Audio System (9 Speaker), Lexus Navigation System, Multi-Terrain Monitor And Parking Assist - Wiring Diagram (8 Of 23)
G09114816Courtesy of © TOYOTA, LICENSE AGREEMENT TMS1002
Fig 9: Audio System (9 Speaker), Lexus Navigation System, Multi-Terrain Monitor And Parking Assist - Wiring Diagram (9 Of 23)
G09114817Courtesy of © TOYOTA, LICENSE AGREEMENT TMS1002
Fig 10: Audio System (9 Speaker), Lexus Navigation System, Multi-Terrain Monitor And Parking Assist - Wiring Diagram (10 Of 23)
G09114818Courtesy of © TOYOTA, LICENSE AGREEMENT TMS1002
Fig 11: Audio System (9 Speaker), Lexus Navigation System, Multi-Terrain Monitor And Parking Assist - Wiring Diagram (11 Of 23)
G09114819Courtesy of © TOYOTA, LICENSE AGREEMENT TMS1002
Fig 12: Audio System (9 Speaker), Lexus Navigation System, Multi-Terrain Monitor And Parking Assist - Wiring Diagram (12 Of 23)
G09114820Courtesy of © TOYOTA, LICENSE AGREEMENT TMS1002
Fig 13: Audio System (9 Speaker), Lexus Navigation System, Multi-Terrain Monitor And Parking Assist - Wiring Diagram (13 Of 23)
G09114821Courtesy of © TOYOTA, LICENSE AGREEMENT TMS1002
Fig 14: Audio System (9 Speaker), Lexus Navigation System, Multi-Terrain Monitor And Parking Assist - Wiring Diagram (14 Of 23)
G09114822Courtesy of © TOYOTA, LICENSE AGREEMENT TMS1002
Fig 15: Audio System (9 Speaker), Lexus Navigation System, Multi-Terrain Monitor And Parking Assist - Wiring Diagram (15 Of 23)
G09114823Courtesy of © TOYOTA, LICENSE AGREEMENT TMS1002
Fig 16: Audio System (9 Speaker), Lexus Navigation System, Multi-Terrain Monitor And Parking Assist - Wiring Diagram (16 Of 23)
G09114824Courtesy of © TOYOTA, LICENSE AGREEMENT TMS1002
Fig 17: Audio System (9 Speaker), Lexus Navigation System, Multi-Terrain Monitor And Parking Assist - Wiring Diagram (17 Of 23)
G09114825Courtesy of © TOYOTA, LICENSE AGREEMENT TMS1002
Fig 18: Audio System (9 Speaker), Lexus Navigation System, Multi-Terrain Monitor And Parking Assist - Wiring Diagram (18 Of 23)
G09114826Courtesy of © TOYOTA, LICENSE AGREEMENT TMS1002
Fig 19: Audio System (9 Speaker), Lexus Navigation System, Multi-Terrain Monitor And Parking Assist - Wiring Diagram (19 Of 23)
G09114827Courtesy of © TOYOTA, LICENSE AGREEMENT TMS1002
Fig 20: Audio System (9 Speaker), Lexus Navigation System, Multi-Terrain Monitor And Parking Assist - Wiring Diagram (20 Of 23)
G09114828Courtesy of © TOYOTA, LICENSE AGREEMENT TMS1002
Fig 21: Audio System (9 Speaker), Lexus Navigation System, Multi-Terrain Monitor And Parking Assist - Wiring Diagram (21 Of 23)
G09114829Courtesy of © TOYOTA, LICENSE AGREEMENT TMS1002
Fig 22: Audio System (9 Speaker), Lexus Navigation System, Multi-Terrain Monitor And Parking Assist - Wiring Diagram (22 Of 23)
G09114830Courtesy of © TOYOTA, LICENSE AGREEMENT TMS1002
Fig 23: Audio System (9 Speaker), Lexus Navigation System, Multi-Terrain Monitor And Parking Assist - Wiring Diagram (23 Of 23)
G09114831Courtesy of © TOYOTA, LICENSE AGREEMENT TMS1002