LEMON Manuals: Even more car manuals for everyone
Home >> Lexus >> 2013 >> GX 460 Base >> Repair and Diagnosis (Single Page) >> Electrical >> Body Electrical >> OEM System Circuits >> Audio System (17 Speaker w/LEXUS Navigation System), LEXUS Navigation System (17 Speaker), Multi-Terrain Monitor (17 Speaker w/LEXUS Navigation System) and Parking Assist (Rear View Monitor and Wide-View Front & Side Monitor) (17 Speaker w/LEXUS Navigation System) >> Notes

Audio System (17 Speaker w/LEXUS Navigation System), LEXUS Navigation System (17 Speaker), Multi-Terrain Monitor (17 Speaker w/LEXUS Navigation System) and Parking Assist (Rear View Monitor and Wide-View Front & Side Monitor) (17 Speaker w/LEXUS Navigation System): Notes

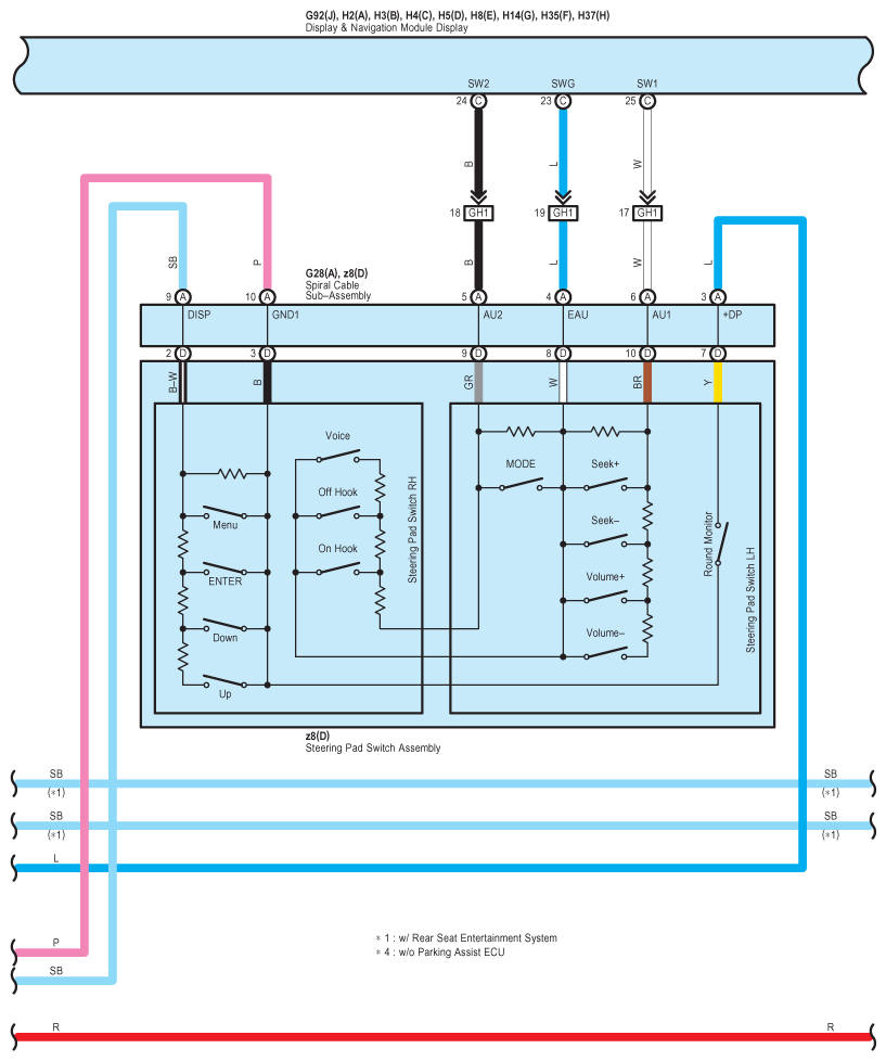
Fig 1: Audio System (17 Speaker), Lexus Navigation System, Multi-Terrain Monitor And Parking Assist - Wiring Diagram (1 Of 29)
G09114780Courtesy of © TOYOTA, LICENSE AGREEMENT TMS1002
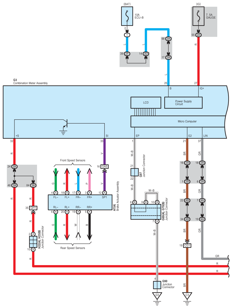
Fig 2: Audio System (17 Speaker), Lexus Navigation System, Multi-Terrain Monitor And Parking Assist - Wiring Diagram (2 Of 29)
G09114781Courtesy of © TOYOTA, LICENSE AGREEMENT TMS1002
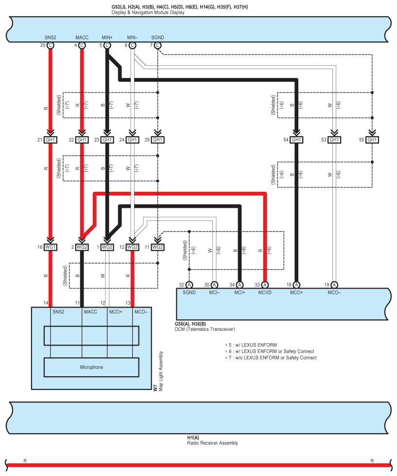
Fig 3: Audio System (17 Speaker), Lexus Navigation System, Multi-Terrain Monitor And Parking Assist - Wiring Diagram (3 Of 29)
G09114782Courtesy of © TOYOTA, LICENSE AGREEMENT TMS1002
Fig 4: Audio System (17 Speaker), Lexus Navigation System, Multi-Terrain Monitor And Parking Assist - Wiring Diagram (4 Of 29)
G09114783Courtesy of © TOYOTA, LICENSE AGREEMENT TMS1002
Fig 5: Audio System (17 Speaker), Lexus Navigation System, Multi-Terrain Monitor And Parking Assist - Wiring Diagram (5 Of 29)
G09114784Courtesy of © TOYOTA, LICENSE AGREEMENT TMS1002
Fig 6: Audio System (17 Speaker), Lexus Navigation System, Multi-Terrain Monitor And Parking Assist - Wiring Diagram (6 Of 29)
G09114785Courtesy of © TOYOTA, LICENSE AGREEMENT TMS1002
Fig 7: Audio System (17 Speaker), Lexus Navigation System, Multi-Terrain Monitor And Parking Assist - Wiring Diagram (7 Of 29)
G09114786Courtesy of © TOYOTA, LICENSE AGREEMENT TMS1002
Fig 8: Audio System (17 Speaker), Lexus Navigation System, Multi-Terrain Monitor And Parking Assist - Wiring Diagram (8 Of 29)
G09114787Courtesy of © TOYOTA, LICENSE AGREEMENT TMS1002
Fig 9: Audio System (17 Speaker), Lexus Navigation System, Multi-Terrain Monitor And Parking Assist - Wiring Diagram (9 Of 29)
G09114788Courtesy of © TOYOTA, LICENSE AGREEMENT TMS1002
Fig 10: Audio System (17 Speaker), Lexus Navigation System, Multi-Terrain Monitor And Parking Assist - Wiring Diagram (10 Of 29)
G09114789Courtesy of © TOYOTA, LICENSE AGREEMENT TMS1002
Fig 11: Audio System (17 Speaker), Lexus Navigation System, Multi-Terrain Monitor And Parking Assist - Wiring Diagram (11 Of 29)
G09114790Courtesy of © TOYOTA, LICENSE AGREEMENT TMS1002
Fig 12: Audio System (17 Speaker), Lexus Navigation System, Multi-Terrain Monitor And Parking Assist - Wiring Diagram (12 Of 29)
G09114791Courtesy of © TOYOTA, LICENSE AGREEMENT TMS1002
Fig 13: Audio System (17 Speaker), Lexus Navigation System, Multi-Terrain Monitor And Parking Assist - Wiring Diagram (13 Of 29)
G09114792Courtesy of © TOYOTA, LICENSE AGREEMENT TMS1002
Fig 14: Audio System (17 Speaker), Lexus Navigation System, Multi-Terrain Monitor And Parking Assist - Wiring Diagram (14 Of 29)
G09114793Courtesy of © TOYOTA, LICENSE AGREEMENT TMS1002
Fig 15: Audio System (17 Speaker), Lexus Navigation System, Multi-Terrain Monitor And Parking Assist - Wiring Diagram (15 Of 29)
G09114794Courtesy of © TOYOTA, LICENSE AGREEMENT TMS1002
Fig 16: Audio System (17 Speaker), Lexus Navigation System, Multi-Terrain Monitor And Parking Assist - Wiring Diagram (16 Of 29)
G09114795Courtesy of © TOYOTA, LICENSE AGREEMENT TMS1002
Fig 17: Audio System (17 Speaker), Lexus Navigation System, Multi-Terrain Monitor And Parking Assist - Wiring Diagram (17 Of 29)
G09114796Courtesy of © TOYOTA, LICENSE AGREEMENT TMS1002
Fig 18: Audio System (17 Speaker), Lexus Navigation System, Multi-Terrain Monitor And Parking Assist - Wiring Diagram (18 Of 29)
G09114797Courtesy of © TOYOTA, LICENSE AGREEMENT TMS1002
Fig 19: Audio System (17 Speaker), Lexus Navigation System, Multi-Terrain Monitor And Parking Assist - Wiring Diagram (19 Of 29)
G09114798Courtesy of © TOYOTA, LICENSE AGREEMENT TMS1002
Fig 20: Audio System (17 Speaker), Lexus Navigation System, Multi-Terrain Monitor And Parking Assist - Wiring Diagram (20 Of 29)
G09114799Courtesy of © TOYOTA, LICENSE AGREEMENT TMS1002
Fig 21: Audio System (17 Speaker), Lexus Navigation System, Multi-Terrain Monitor And Parking Assist - Wiring Diagram (21 Of 29)
G09114800Courtesy of © TOYOTA, LICENSE AGREEMENT TMS1002
Fig 22: Audio System (17 Speaker), Lexus Navigation System, Multi-Terrain Monitor And Parking Assist - Wiring Diagram (22 Of 29)
G09114801Courtesy of © TOYOTA, LICENSE AGREEMENT TMS1002
Fig 23: Audio System (17 Speaker), Lexus Navigation System, Multi-Terrain Monitor And Parking Assist - Wiring Diagram (23 Of 29)
G09114802Courtesy of © TOYOTA, LICENSE AGREEMENT TMS1002
Fig 24: Audio System (17 Speaker), Lexus Navigation System, Multi-Terrain Monitor And Parking Assist - Wiring Diagram (24 Of 29)
G09114803Courtesy of © TOYOTA, LICENSE AGREEMENT TMS1002
Fig 25: Audio System (17 Speaker), Lexus Navigation System, Multi-Terrain Monitor And Parking Assist - Wiring Diagram (25 Of 29)
G09114804Courtesy of © TOYOTA, LICENSE AGREEMENT TMS1002
Fig 26: Audio System (17 Speaker), Lexus Navigation System, Multi-Terrain Monitor And Parking Assist - Wiring Diagram (26 Of 29)
G09114805Courtesy of © TOYOTA, LICENSE AGREEMENT TMS1002
Fig 27: Audio System (17 Speaker), Lexus Navigation System, Multi-Terrain Monitor And Parking Assist - Wiring Diagram (27 Of 29)
G09114806Courtesy of © TOYOTA, LICENSE AGREEMENT TMS1002
Fig 28: Audio System (17 Speaker), Lexus Navigation System, Multi-Terrain Monitor And Parking Assist - Wiring Diagram (28 Of 29)
G09114807Courtesy of © TOYOTA, LICENSE AGREEMENT TMS1002
Fig 29: Audio System (17 Speaker), Lexus Navigation System, Multi-Terrain Monitor And Parking Assist - Wiring Diagram (29 Of 29)
G09114808Courtesy of © TOYOTA, LICENSE AGREEMENT TMS1002