LEMON Manuals: Even more car manuals for everyone
Home >> Lexus >> 2013 >> ES 350 >> Repair and Diagnosis >> Electrical >> Body Electrical >> OEM System Circuits >> Mirror Heater (w/Seat Position Memory) and Remote Control Mirror (w/Seat Position Memory) >> Notes

Mirror Heater (w/Seat Position Memory) and Remote Control Mirror (w/Seat Position Memory): Notes

Fig 1: Mirror Heater (W/Seat Position Memory) And Remote Control Mirror (W/Seat Position Memory) - Circuit Diagram (1 Of 5)
G08948269Courtesy of © TOYOTA, LICENSE AGREEMENT TMS1002
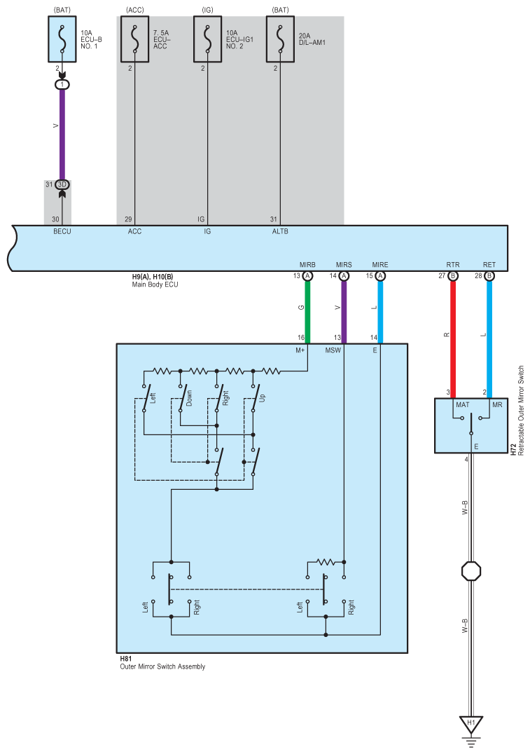
Fig 2: Mirror Heater (W/Seat Position Memory) And Remote Control Mirror (W/Seat Position Memory) - Circuit Diagram (2 Of 5)
G08948270Courtesy of © TOYOTA, LICENSE AGREEMENT TMS1002
Fig 3: Mirror Heater (W/Seat Position Memory) And Remote Control Mirror (W/Seat Position Memory) - Circuit Diagram (3 Of 5)
G08948271Courtesy of © TOYOTA, LICENSE AGREEMENT TMS1002
Fig 4: Mirror Heater (W/Seat Position Memory) And Remote Control Mirror (W/Seat Position Memory) - Circuit Diagram (4 Of 5)
G08948272Courtesy of © TOYOTA, LICENSE AGREEMENT TMS1002
Fig 5: Mirror Heater (W/Seat Position Memory) And Remote Control Mirror (W/Seat Position Memory) - Circuit Diagram (5 Of 5)
G08948273Courtesy of © TOYOTA, LICENSE AGREEMENT TMS1002