LEMON Manuals: Even more car manuals for everyone
Home >> Lexus >> 2013 >> ES 350 >> Repair and Diagnosis (Single Page) >> Electrical >> Body Electrical >> OEM System Circuits >> Immobilizer System, Smart Access System with Push-Button Start, Starting, Steering Lock and Wireless Door Lock Control >> Notes

Immobilizer System, Smart Access System with Push-Button Start, Starting, Steering Lock and Wireless Door Lock Control: Notes

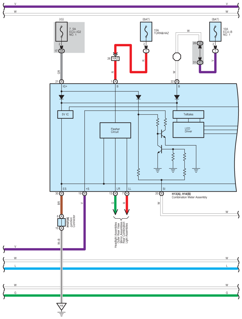
Fig 1: Immobilizer System, Smart Access System With Push-Button Start, Starting, Steering Lock And Wireless Door Lock Control - Circuit Diagram (1 Of 20)
G08948116Courtesy of © TOYOTA, LICENSE AGREEMENT TMS1002
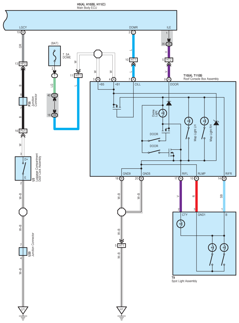
Fig 2: Immobilizer System, Smart Access System With Push-Button Start, Starting, Steering Lock And Wireless Door Lock Control - Circuit Diagram (2 Of 20)
G08948117Courtesy of © TOYOTA, LICENSE AGREEMENT TMS1002
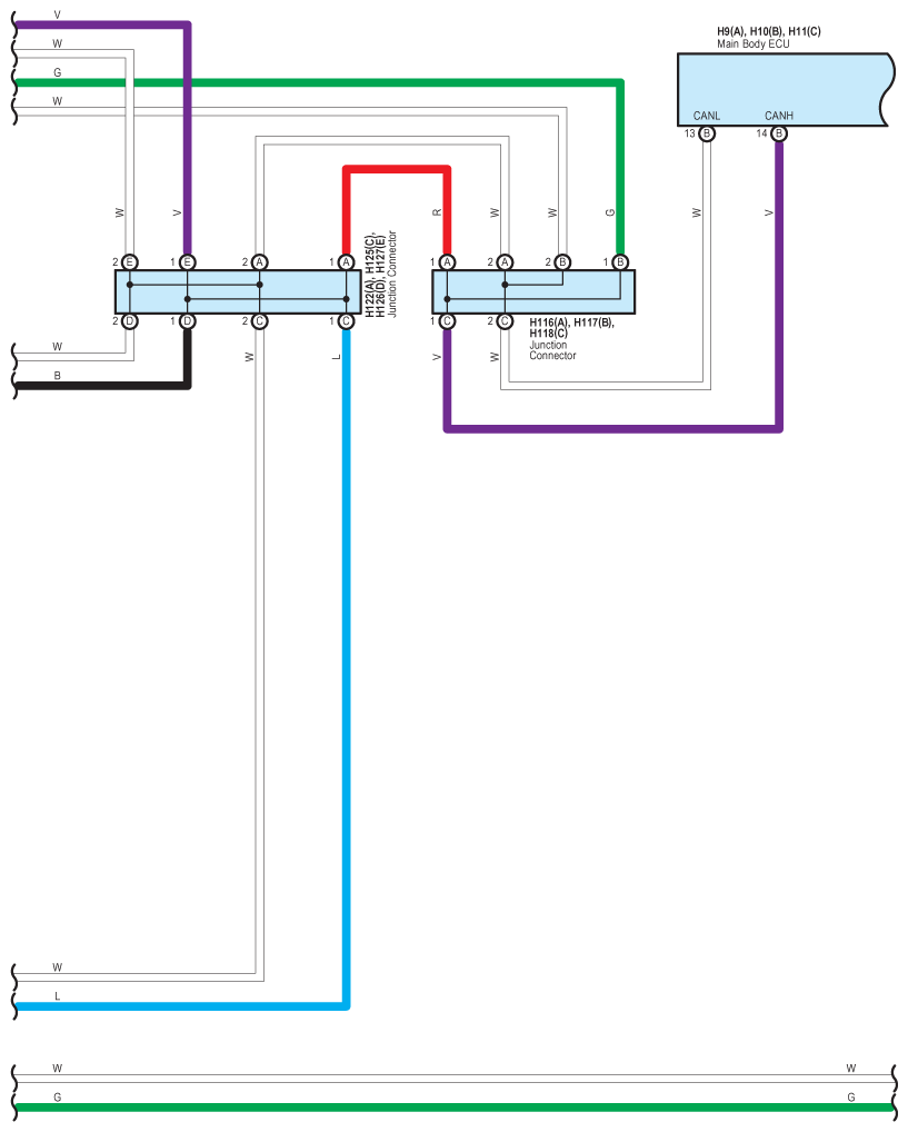
Fig 3: Immobilizer System, Smart Access System With Push-Button Start, Starting, Steering Lock And Wireless Door Lock Control - Circuit Diagram (3 Of 20)
G08948118Courtesy of © TOYOTA, LICENSE AGREEMENT TMS1002
Fig 4: Immobilizer System, Smart Access System With Push-Button Start, Starting, Steering Lock And Wireless Door Lock Control - Circuit Diagram (4 Of 20)
G08948119Courtesy of © TOYOTA, LICENSE AGREEMENT TMS1002
Fig 5: Immobilizer System, Smart Access System With Push-Button Start, Starting, Steering Lock And Wireless Door Lock Control - Circuit Diagram (5 Of 20)
G08948120Courtesy of © TOYOTA, LICENSE AGREEMENT TMS1002
Fig 6: Immobilizer System, Smart Access System With Push-Button Start, Starting, Steering Lock And Wireless Door Lock Control - Circuit Diagram (6 Of 20)
G08948121Courtesy of © TOYOTA, LICENSE AGREEMENT TMS1002
Fig 7: Immobilizer System, Smart Access System With Push-Button Start, Starting, Steering Lock And Wireless Door Lock Control - Circuit Diagram (7 Of 20)
G08948122Courtesy of © TOYOTA, LICENSE AGREEMENT TMS1002
Fig 8: Immobilizer System, Smart Access System With Push-Button Start, Starting, Steering Lock And Wireless Door Lock Control - Circuit Diagram (8 Of 20)
G08948123Courtesy of © TOYOTA, LICENSE AGREEMENT TMS1002
Fig 9: Immobilizer System, Smart Access System With Push-Button Start, Starting, Steering Lock And Wireless Door Lock Control - Circuit Diagram (9 Of 20)
G08948124Courtesy of © TOYOTA, LICENSE AGREEMENT TMS1002
Fig 10: Immobilizer System, Smart Access System With Push-Button Start, Starting, Steering Lock And Wireless Door Lock Control - Circuit Diagram (10 Of 20)
G08948125Courtesy of © TOYOTA, LICENSE AGREEMENT TMS1002
Fig 11: Immobilizer System, Smart Access System With Push-Button Start, Starting, Steering Lock And Wireless Door Lock Control - Circuit Diagram (11 Of 20)
G08948126Courtesy of © TOYOTA, LICENSE AGREEMENT TMS1002
Fig 12: Immobilizer System, Smart Access System With Push-Button Start, Starting, Steering Lock And Wireless Door Lock Control - Circuit Diagram (12 Of 20)
G08948127Courtesy of © TOYOTA, LICENSE AGREEMENT TMS1002
Fig 13: Immobilizer System, Smart Access System With Push-Button Start, Starting, Steering Lock And Wireless Door Lock Control - Circuit Diagram (13 Of 20)
G08948128Courtesy of © TOYOTA, LICENSE AGREEMENT TMS1002
Fig 14: Immobilizer System, Smart Access System With Push-Button Start, Starting, Steering Lock And Wireless Door Lock Control - Circuit Diagram (14 Of 20)
G08948129Courtesy of © TOYOTA, LICENSE AGREEMENT TMS1002
Fig 15: Immobilizer System, Smart Access System With Push-Button Start, Starting, Steering Lock And Wireless Door Lock Control - Circuit Diagram (15 Of 20)
G08948130Courtesy of © TOYOTA, LICENSE AGREEMENT TMS1002
Fig 16: Immobilizer System, Smart Access System With Push-Button Start, Starting, Steering Lock And Wireless Door Lock Control - Circuit Diagram (16 Of 20)
G08948131Courtesy of © TOYOTA, LICENSE AGREEMENT TMS1002
Fig 17: Immobilizer System, Smart Access System With Push-Button Start, Starting, Steering Lock And Wireless Door Lock Control - Circuit Diagram (17 Of 20)
G08948132Courtesy of © TOYOTA, LICENSE AGREEMENT TMS1002
Fig 18: Immobilizer System, Smart Access System With Push-Button Start, Starting, Steering Lock And Wireless Door Lock Control - Circuit Diagram (18 Of 20)
G08948133Courtesy of © TOYOTA, LICENSE AGREEMENT TMS1002
Fig 19: Immobilizer System, Smart Access System With Push-Button Start, Starting, Steering Lock And Wireless Door Lock Control - Circuit Diagram (19 Of 20)
G08948134Courtesy of © TOYOTA, LICENSE AGREEMENT TMS1002
Fig 20: Immobilizer System, Smart Access System With Push-Button Start, Starting, Steering Lock And Wireless Door Lock Control - Circuit Diagram (20 Of 20)
G08948135Courtesy of © TOYOTA, LICENSE AGREEMENT TMS1002