LEMON Manuals: Even more car manuals for everyone
Home >> Lexus >> 2013 >> ES 350 >> Repair and Diagnosis (Single Page) >> Electrical >> Body Electrical >> OEM System Circuits >> Audio System (w/LEXUS Navigation System), LEXUS Navigation System and Parking Assist (Back Guide Monitor or Rear View Monitor) (w/LEXUS Navigation System) >> Notes

Audio System (w/LEXUS Navigation System), LEXUS Navigation System and Parking Assist (Back Guide Monitor or Rear View Monitor) (w/LEXUS Navigation System): Notes

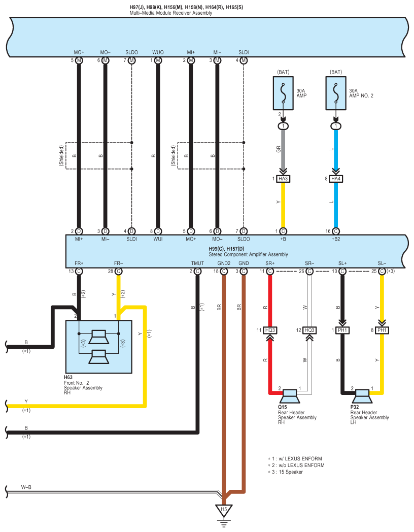
Fig 1: Audio System (W/Lexus Navigation System), Lexus Navigation System And Parking Assist (Back Guide Monitor Or Rear View Monitor) (W/Lexus Navigation System) - Circuit Diagram (1 Of 10)
G08948363Courtesy of © TOYOTA, LICENSE AGREEMENT TMS1002
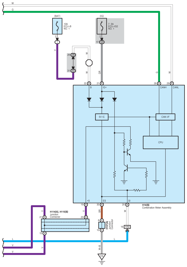
Fig 2: Audio System (W/Lexus Navigation System), Lexus Navigation System And Parking Assist (Back Guide Monitor Or Rear View Monitor) (W/Lexus Navigation System) - Circuit Diagram (2 Of 10)
G08948364Courtesy of © TOYOTA, LICENSE AGREEMENT TMS1002
Fig 3: Audio System (W/Lexus Navigation System), Lexus Navigation System And Parking Assist (Back Guide Monitor Or Rear View Monitor) (W/Lexus Navigation System) - Circuit Diagram (3 Of 10)
G08948365Courtesy of © TOYOTA, LICENSE AGREEMENT TMS1002
Fig 4: Audio System (W/Lexus Navigation System), Lexus Navigation System And Parking Assist (Back Guide Monitor Or Rear View Monitor) (W/Lexus Navigation System) - Circuit Diagram (4 Of 10)
G08948366Courtesy of © TOYOTA, LICENSE AGREEMENT TMS1002
Fig 5: Audio System (W/Lexus Navigation System), Lexus Navigation System And Parking Assist (Back Guide Monitor Or Rear View Monitor) (W/Lexus Navigation System) - Circuit Diagram (5 Of 10)
G08948367Courtesy of © TOYOTA, LICENSE AGREEMENT TMS1002
Fig 6: Audio System (W/Lexus Navigation System), Lexus Navigation System And Parking Assist (Back Guide Monitor Or Rear View Monitor) (W/Lexus Navigation System) - Circuit Diagram (6 Of 10)
G08948368Courtesy of © TOYOTA, LICENSE AGREEMENT TMS1002
Fig 7: Audio System (W/Lexus Navigation System), Lexus Navigation System And Parking Assist (Back Guide Monitor Or Rear View Monitor) (W/Lexus Navigation System) - Circuit Diagram (7 Of 10)
G08948369Courtesy of © TOYOTA, LICENSE AGREEMENT TMS1002
Fig 8: Audio System (W/Lexus Navigation System), Lexus Navigation System And Parking Assist (Back Guide Monitor Or Rear View Monitor) (W/Lexus Navigation System) - Circuit Diagram (8 Of 10)
G08948370Courtesy of © TOYOTA, LICENSE AGREEMENT TMS1002
Fig 9: Audio System (W/Lexus Navigation System), Lexus Navigation System And Parking Assist (Back Guide Monitor Or Rear View Monitor) (W/Lexus Navigation System) - Circuit Diagram (9 Of 10)
G08948371Courtesy of © TOYOTA, LICENSE AGREEMENT TMS1002
Fig 10: Audio System (W/Lexus Navigation System), Lexus Navigation System And Parking Assist (Back Guide Monitor Or Rear View Monitor) (W/Lexus Navigation System) - Circuit Diagram (10 Of 10)
G08948372Courtesy of © TOYOTA, LICENSE AGREEMENT TMS1002