LEMON Manuals: Even more car manuals for everyone
Home >> Lexus >> 2013 >> ES 300h >> Repair and Diagnosis (Single Page) >> Engine Mechanical >> Starter >> Smart Access System (Keyless Start) (Diagnostics - Introduction) >> SMART ACCESS SYSTEM WITH PUSH-BUTTON START (For Start Function) >> System Diagram [06/2012 - ] >> System Diagram [06/2012 - ]

System Diagram [06/2012 - ]

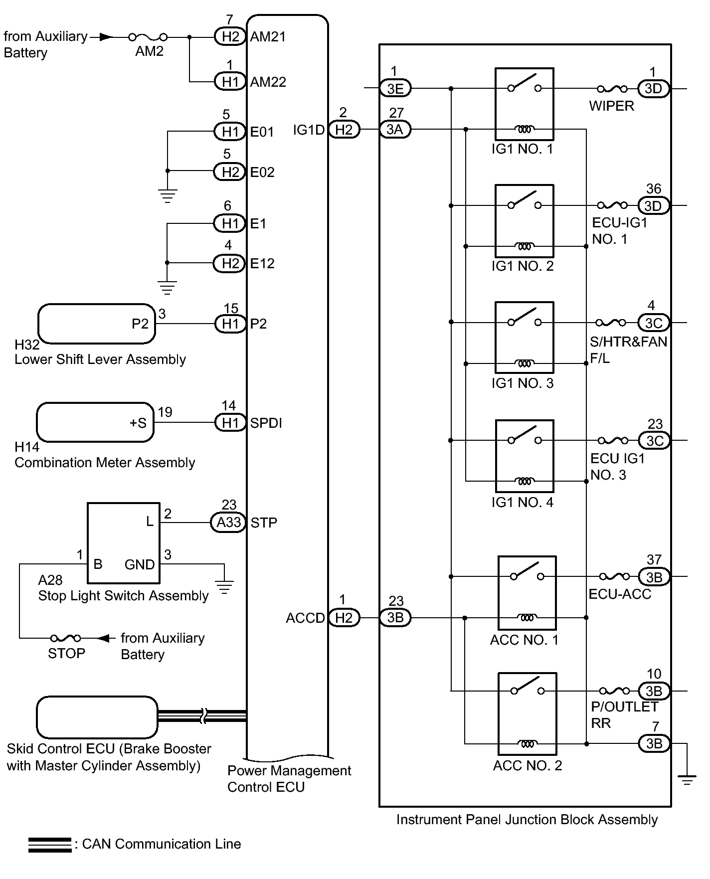
Fig 1: Identifying Smart Access System Wiring Diagram (1 Of 2)
GTY395605Courtesy of © TOYOTA, LICENSE AGREEMENT TMS1002
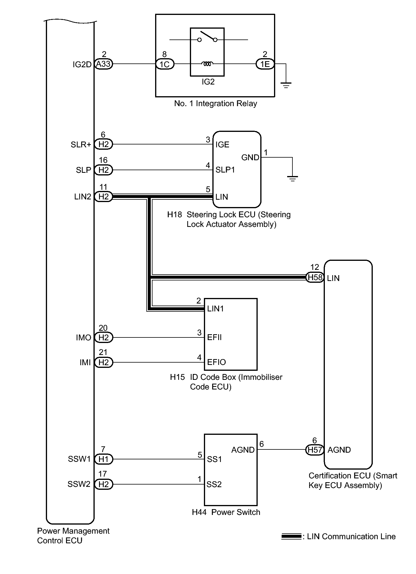
Fig 2: Identifying Smart Access System Wiring Diagram (2 Of 2)
GTY397733Courtesy of © TOYOTA, LICENSE AGREEMENT TMS1002
Component Outline
Power switch
  • Transponder key amplifier
  • Turns on the power and starts the hybrid control system.
  • Contains a built-in transponder key amplifier to start the hybrid control system when the electrical key transmitter sub-assembly does not operate properly due to a depleted transmitter battery or wave interference.
Power management control ECU
  • Changes the power source mode in 4 stages (off, on (ACC), on (IG), on (READY)) in accordance with the shift state and stop light switch.
  • Controls the push-button start function in accordance with signals received from switches and ECUs.
  • The power management control ECU and certification ECU (smart key ECU assembly) permit starting of the hybrid control system after receiving an unlock signal from the steering lock actuator assembly (steering lock ECU).
Certification ECU (smart key ECU assembly)
  • Performs key verification.
  • Controls the electrical key antenna (outside), electrical key antenna (indoor) and door lock/unlock sensor.
  • Outputs smart entry door lock/unlock commands.
  • Outputs steering lock actuator assembly lock/unlock command signals.
  • Outputs immobilizer set/unset commands.
  • Forms the smart access system with push-button start detection area.
  • Records codes for smart verification.
ID code box (immobilizer code ECU)
  • Receives command signals from the certification ECU and outputs immobilizer set and unset command signals to the power management control ECU.
  • Records codes for smart verification.
Steering lock ECU (steering lock actuator assembly)
  • Receives command signals from the certification ECU (smart key ECU assembly) and activates the steering lock actuator assembly.
  • Records codes for smart verification.
Combination meter assembly
  • Operates various warnings (messages on the multi-information display, sounding of the buzzer in the combination meter), according to the command signals from the certification ECU (smart key ECU assembly).
  • Displays information when the smart access system with push-button start has a malfunction.
  • Outputs a vehicle speed signal to the main body ECU (multiplex network body ECU).
IG, ACC relay Turns on/off according to the power management control ECU and provides power to each system.
Stop light switch assembly Detects that the brake pedal has been depressed (switch is on) and outputs a signal to the power management control ECU.
No. 1 indoor electrical key antenna assembly (front floor)
No. 1 indoor electrical key antenna assembly (rear floor)
Sends the request code from the certification ECU (smart key ECU assembly) and forms the vehicle interior detection area.
Door control receiver Receives the smart access system with push-button start code/wireless code sent from the electrical key transmitter sub-assembly and sends it to the certification ECU (smart key ECU assembly).
Electrical key transmitter sub-assembly Sends the ID code upon receiving a request signal.