LEMON Manuals: Even more car manuals for everyone
Home >> Lexus >> 2013 >> ES 300h >> Repair and Diagnosis (Single Page) >> Electrical >> Motors, Switches, Relays >> OEM Overall Electrical Wiring Diagram >> Overall Electrical Wiring Diagram >> Audio System (w/o LEXUS Navigation System w/Multimedia Module Display), Parking Assist (Rear View Monitor w/o LEXUS Navigation System)

Audio System (w/o LEXUS Navigation System w/Multimedia Module Display), Parking Assist (Rear View Monitor w/o LEXUS Navigation System)

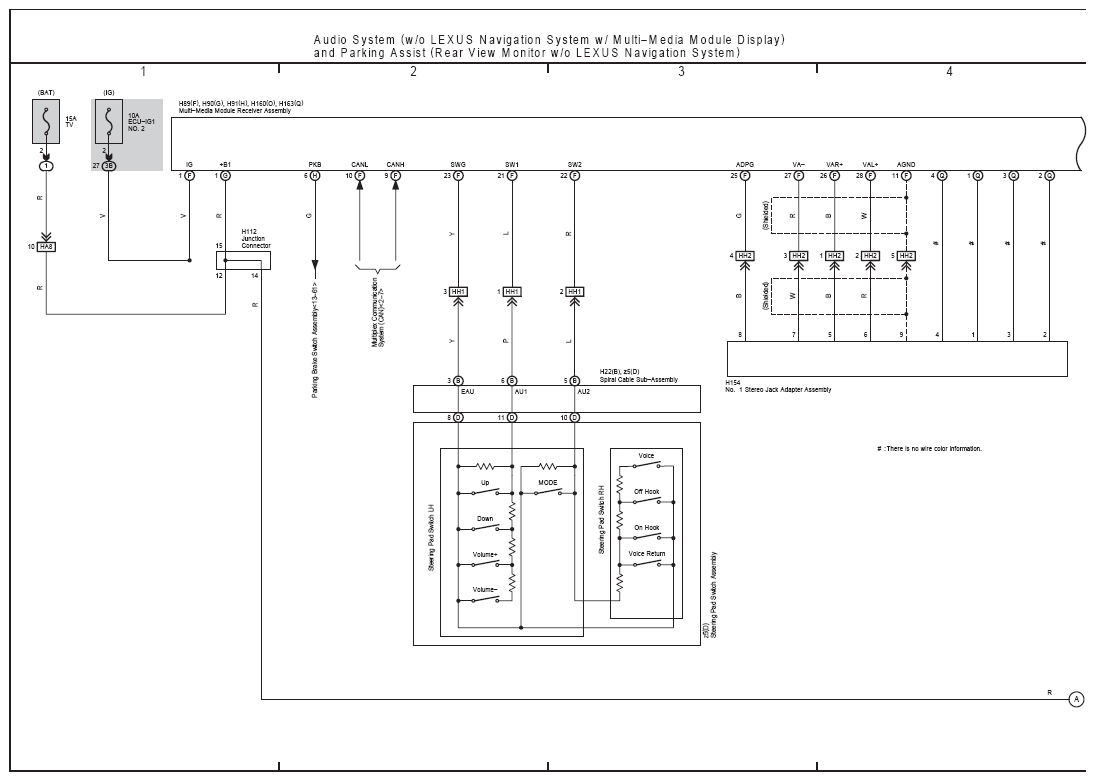
Fig 1: Audio System (W/O Lexus Navigation System W/Multi-Media Module Display) And Parking Assist (Rear View Monitor W/O LEXUS Navigation System) Wiring Diagram (1 Of 3)
G08954547Courtesy of © TOYOTA, LICENSE AGREEMENT TMS1002
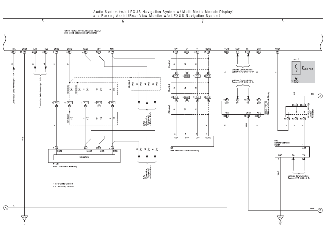
Fig 2: Audio System (W/O Lexus Navigation System W/Multi-Media Module Display) And Parking Assist (Rear View Monitor W/O LEXUS Navigation System) Wiring Diagram (2 Of 3)
G08954548Courtesy of © TOYOTA, LICENSE AGREEMENT TMS1002
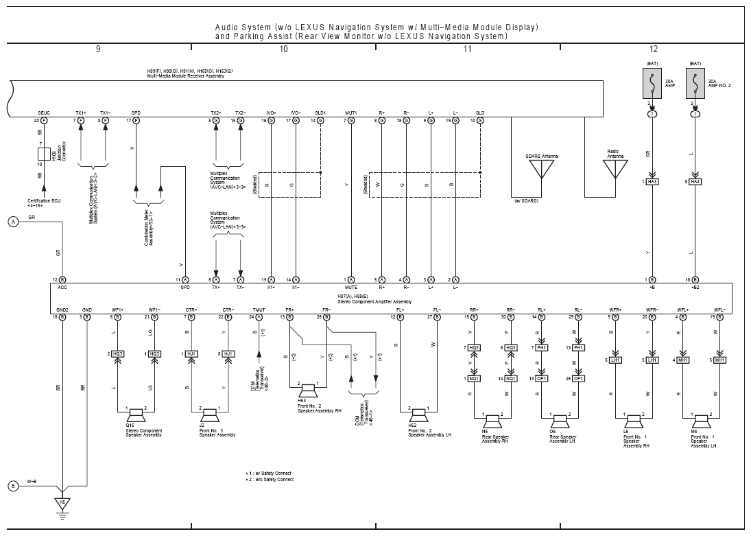
Fig 3: Audio System (W/O Lexus Navigation System W/Multi-Media Module Display) And Parking Assist (Rear View Monitor W/O LEXUS Navigation System) Wiring Diagram (3 Of 3)
G08954549Courtesy of © TOYOTA, LICENSE AGREEMENT TMS1002