LEMON Manuals: Even more car manuals for everyone
Home >> Lexus >> 2013 >> ES 300h >> Repair and Diagnosis (Single Page) >> Electrical >> Motors, Switches, Relays >> OEM Overall Electrical Wiring Diagram >> Overall Electrical Wiring Diagram >> Audio System (w/LEXUS Navigation System), LEXUS Navigation System, Parking Assist (Back Guide Monitor or Rear View Monitor w/LEXUS Navigation System)

Audio System (w/LEXUS Navigation System), LEXUS Navigation System, Parking Assist (Back Guide Monitor or Rear View Monitor w/LEXUS Navigation System)

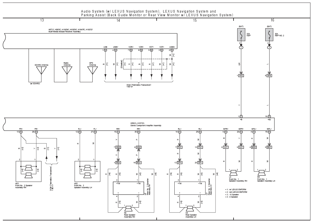
Fig 1: Audio System (W/Lexus Navigation System), Lexus Navigation System And Parking Assist (Back Guide Monitor Or Rear View Monitor W/LEXUS Navigation System) Wiring Diagram (1 Of 4)
G08954543Courtesy of © TOYOTA, LICENSE AGREEMENT TMS1002
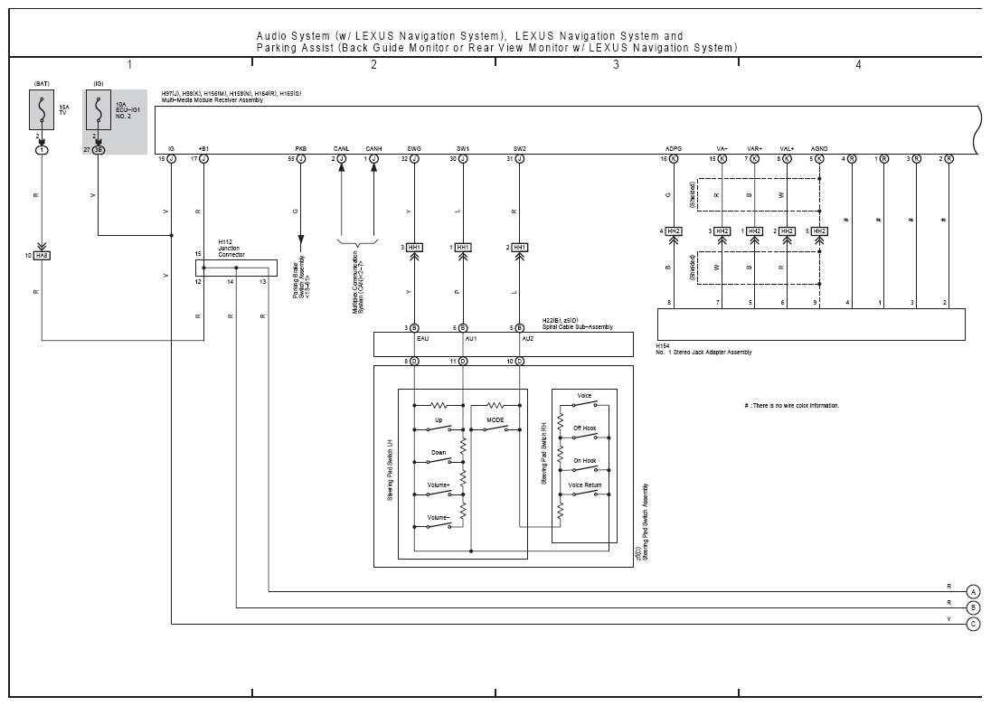
Fig 2: Audio System (W/Lexus Navigation System), Lexus Navigation System And Parking Assist (Back Guide Monitor Or Rear View Monitor W/LEXUS Navigation System) Wiring Diagram (2 Of 4)
G08954544Courtesy of © TOYOTA, LICENSE AGREEMENT TMS1002
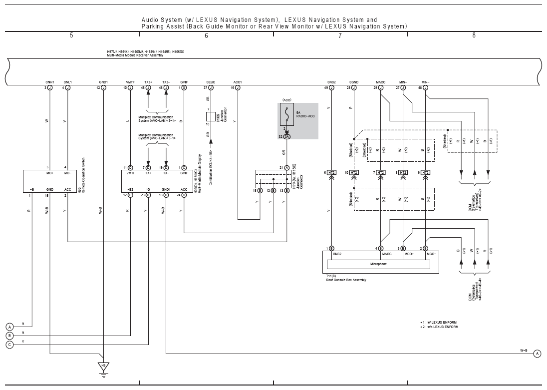
Fig 3: Audio System (W/Lexus Navigation System), Lexus Navigation System And Parking Assist (Back Guide Monitor Or Rear View Monitor W/LEXUS Navigation System) Wiring Diagram (3 Of 4)
G08954545Courtesy of © TOYOTA, LICENSE AGREEMENT TMS1002
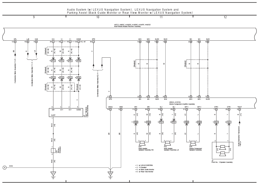
Fig 4: Audio System (W/Lexus Navigation System), Lexus Navigation System And Parking Assist (Back Guide Monitor Or Rear View Monitor W/LEXUS Navigation System) Wiring Diagram (4 Of 4)
G08954546Courtesy of © TOYOTA, LICENSE AGREEMENT TMS1002