LEMON Manuals: Even more car manuals for everyone
Home >> Lexus >> 2013 >> ES 300h >> Repair and Diagnosis (Single Page) >> Electrical >> Body Electrical >> OEM System Circuits >> Headlight Beam Level Control >> Notes

Headlight Beam Level Control: Notes

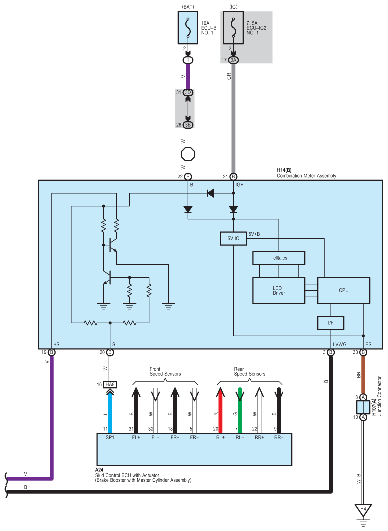
Fig 1: Headlight Beam Level Control - Circuit Diagram (1 Of 4)
G08953697Courtesy of © TOYOTA, LICENSE AGREEMENT TMS1002
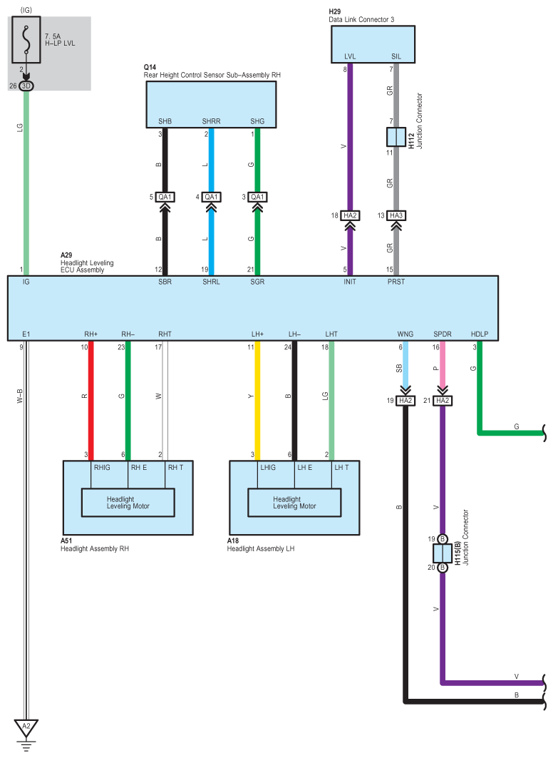
Fig 2: Headlight Beam Level Control - Circuit Diagram (2 Of 4)
G08953698Courtesy of © TOYOTA, LICENSE AGREEMENT TMS1002
Fig 3: Headlight Beam Level Control - Circuit Diagram (3 Of 4)
G08953699Courtesy of © TOYOTA, LICENSE AGREEMENT TMS1002
Fig 4: Headlight Beam Level Control - Circuit Diagram (4 Of 4)
G08953700Courtesy of © TOYOTA, LICENSE AGREEMENT TMS1002