LEMON Manuals: Even more car manuals for everyone
Home >> Lexus >> 2013 >> ES 300h >> Repair and Diagnosis (Single Page) >> Electrical >> Body Electrical >> OEM System Circuits >> Blind Spot Monitor System >> Notes

Blind Spot Monitor System: Notes

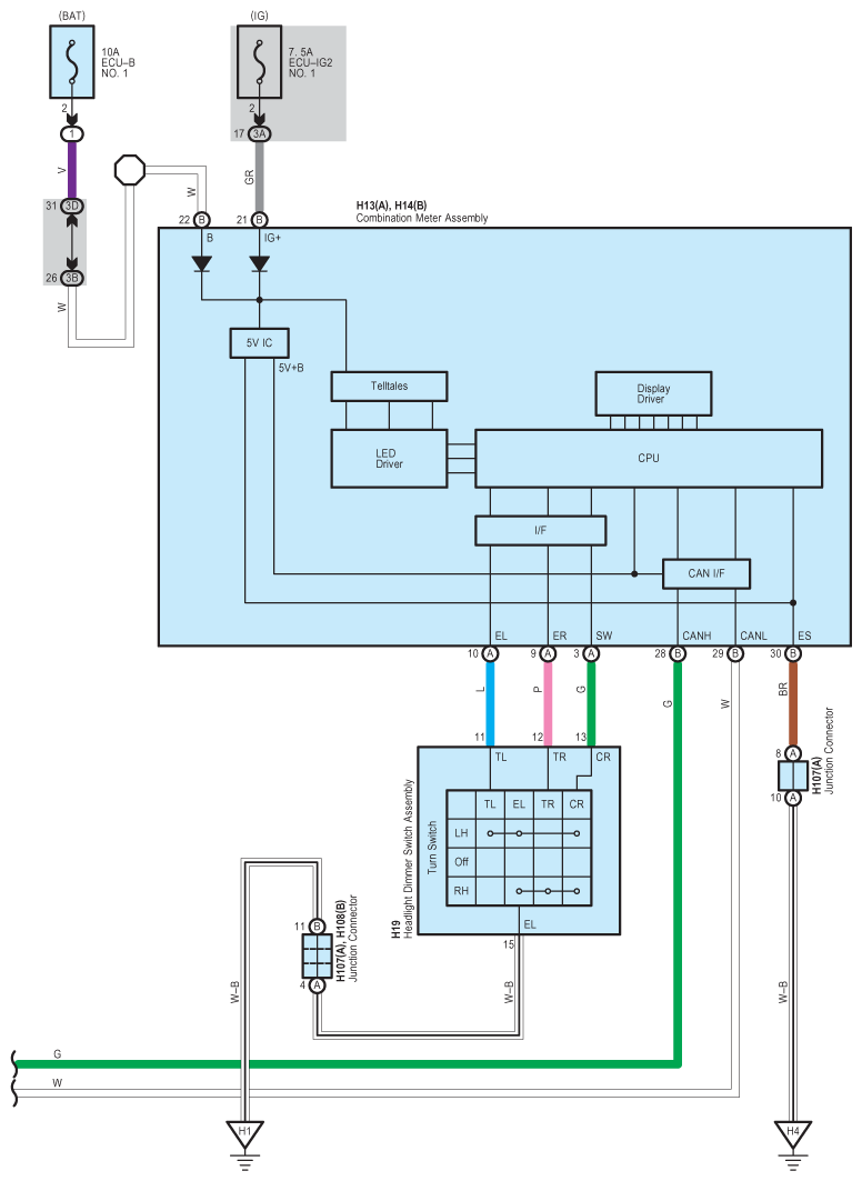
Fig 1: Blind Spot Monitor System - Circuit Diagram (1 Of 6)
G08953842Courtesy of © TOYOTA, LICENSE AGREEMENT TMS1002
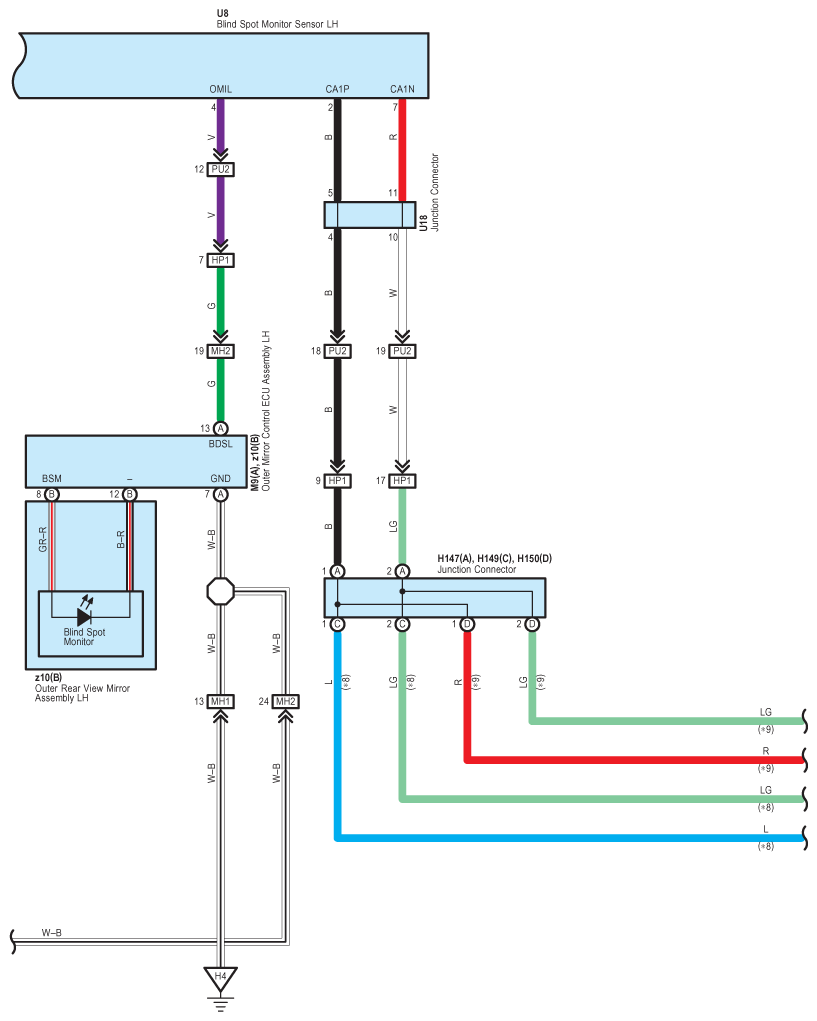
Fig 2: Blind Spot Monitor System - Circuit Diagram (2 Of 6)
G08953843Courtesy of © TOYOTA, LICENSE AGREEMENT TMS1002
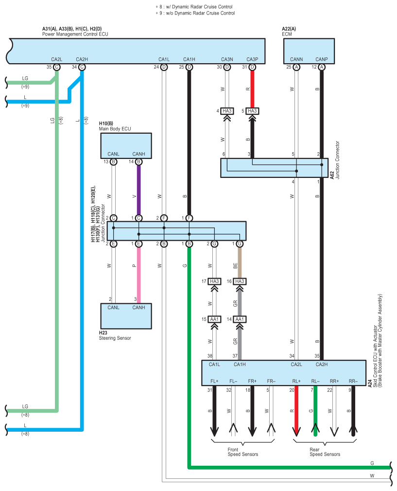
Fig 3: Blind Spot Monitor System - Circuit Diagram (3 Of 6)
G08953844Courtesy of © TOYOTA, LICENSE AGREEMENT TMS1002
Fig 4: Blind Spot Monitor System - Circuit Diagram (4 Of 6)
G08953845Courtesy of © TOYOTA, LICENSE AGREEMENT TMS1002
Fig 5: Blind Spot Monitor System - Circuit Diagram (5 Of 6)
G08953846Courtesy of © TOYOTA, LICENSE AGREEMENT TMS1002
Fig 6: Blind Spot Monitor System - Circuit Diagram (6 Of 6)
G08953847Courtesy of © TOYOTA, LICENSE AGREEMENT TMS1002