LEMON Manuals: Even more car manuals for everyone
Home >> Lexus >> 2013 >> CT 200h Base >> Repair and Diagnosis (Single Page) >> Electrical >> Body Electrical >> OEM System Circuits >> Remote Control Mirror (w/o Seat Position Memory) >> Notes

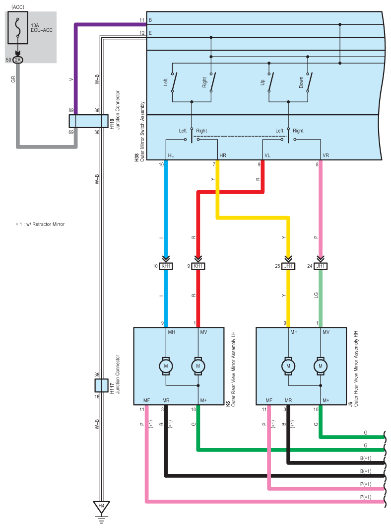
Remote Control Mirror (w/o Seat Position Memory): Notes

Fig 1: Remote Control Mirror W/O Seat Position Memory System Wiring Diagram (1 Of 2)
G09113728Courtesy of © TOYOTA, LICENSE AGREEMENT TMS1002
Fig 2: Remote Control Mirror W/O Seat Position Memory System Wiring Diagram (2 Of 2)
G09113729Courtesy of © TOYOTA, LICENSE AGREEMENT TMS1002