LEMON Manuals: Even more car manuals for everyone
Home >> Lexus >> 2013 >> CT 200h Base >> Repair and Diagnosis (Single Page) >> Electrical >> Body Electrical >> OEM System Circuits >> Power Source >> Notes

Power Source: Notes

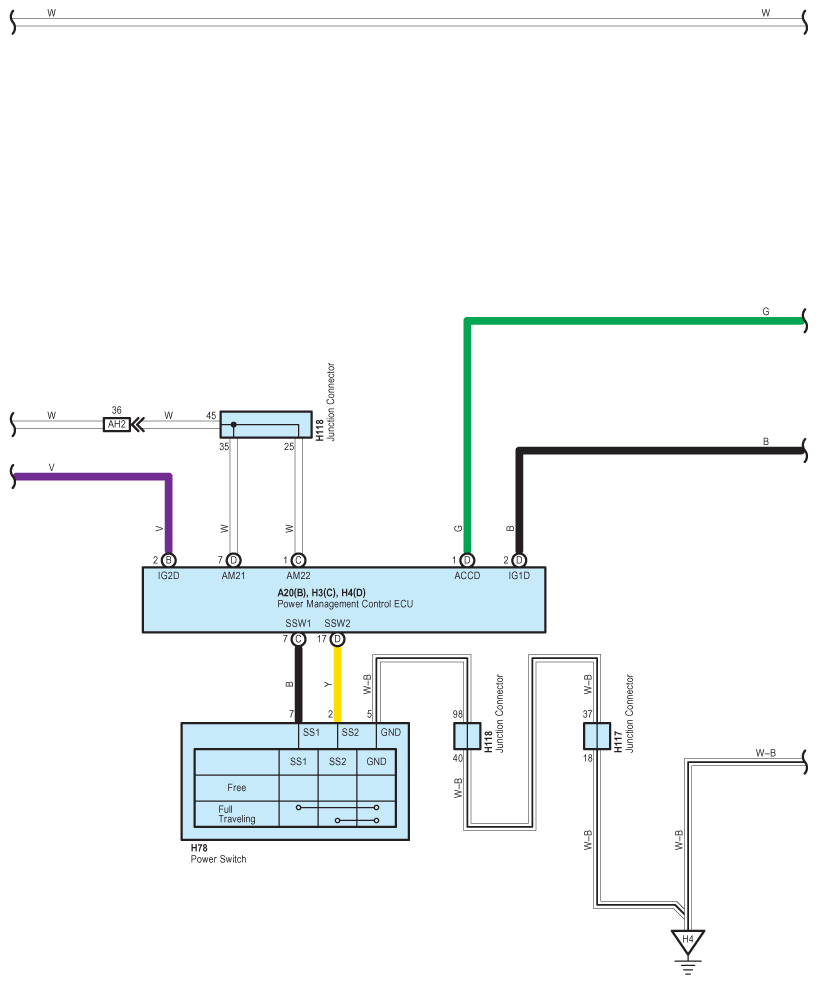
Fig 1: Power Source System Wiring Diagram (1 Of 6)
G09113545Courtesy of © TOYOTA, LICENSE AGREEMENT TMS1002
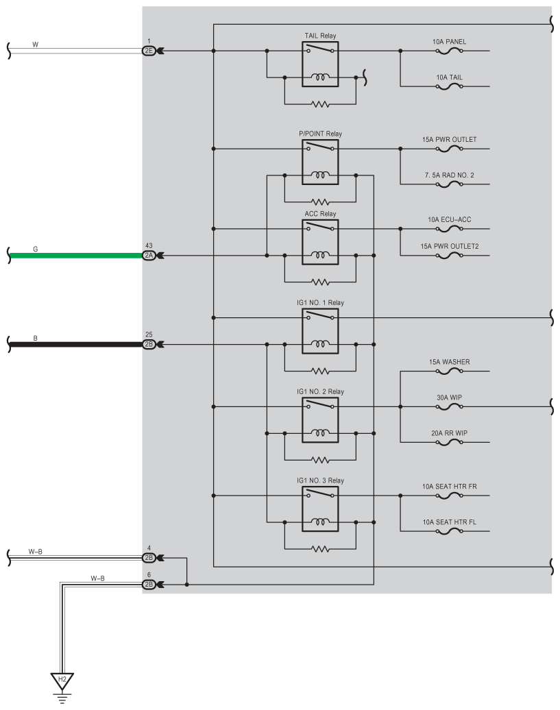
Fig 2: Power Source System Wiring Diagram (2 Of 6)
G09113546Courtesy of © TOYOTA, LICENSE AGREEMENT TMS1002
Fig 3: Power Source System Wiring Diagram (3 Of 6)
G09113547Courtesy of © TOYOTA, LICENSE AGREEMENT TMS1002
Fig 4: Power Source System Wiring Diagram (4 Of 6)
G09113548Courtesy of © TOYOTA, LICENSE AGREEMENT TMS1002
Fig 5: Power Source System Wiring Diagram (5 Of 6)
G09113549Courtesy of © TOYOTA, LICENSE AGREEMENT TMS1002
Fig 6: Power Source System Wiring Diagram (6 Of 6)
G09113550Courtesy of © TOYOTA, LICENSE AGREEMENT TMS1002