LEMON Manuals: Even more car manuals for everyone
Home >> Lexus >> 2013 >> CT 200h Base >> Repair and Diagnosis (Single Page) >> Electrical >> Body Electrical >> OEM System Circuits >> LEXUS ENFORM or Safety Connect >> Notes

LEXUS ENFORM or Safety Connect: Notes

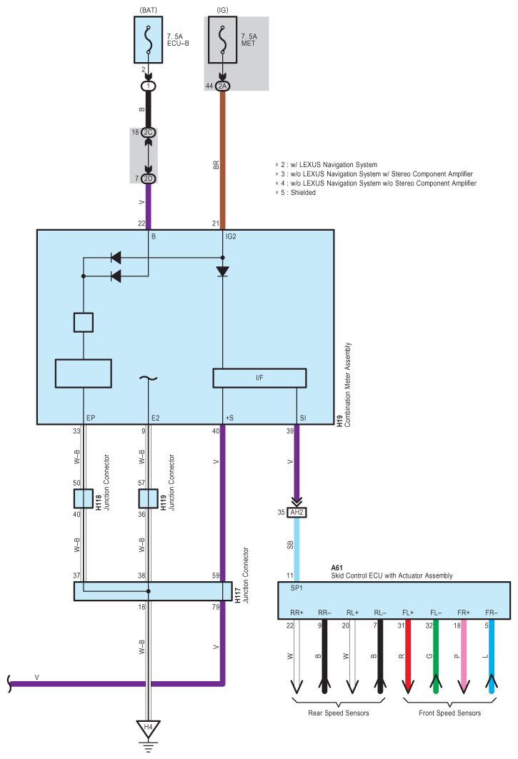
Fig 1: LEXUS ENFORM Or Safety Connect System Wiring Diagram (1 Of 4)
G09113772Courtesy of © TOYOTA, LICENSE AGREEMENT TMS1002
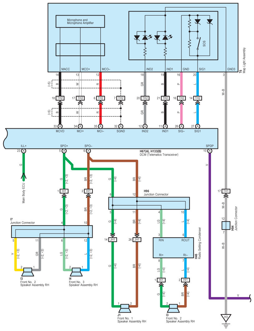
Fig 2: LEXUS ENFORM Or Safety Connect System Wiring Diagram (2 Of 4)
G09113773Courtesy of © TOYOTA, LICENSE AGREEMENT TMS1002
Fig 3: LEXUS ENFORM Or Safety Connect System Wiring Diagram (3 Of 4)
G09113774Courtesy of © TOYOTA, LICENSE AGREEMENT TMS1002
Fig 4: LEXUS ENFORM Or Safety Connect System Wiring Diagram (4 Of 4)
G09113775Courtesy of © TOYOTA, LICENSE AGREEMENT TMS1002