LEMON Manuals: Even more car manuals for everyone
Home >> Lexus >> 2013 >> CT 200h Base >> Repair and Diagnosis (Single Page) >> Electrical >> Body Electrical >> OEM System Circuits >> Cruise Control, Dynamic Radar Cruise Control, Engine Control, Hybrid System and Shift Control System >> Notes

Cruise Control, Dynamic Radar Cruise Control, Engine Control, Hybrid System and Shift Control System: Notes

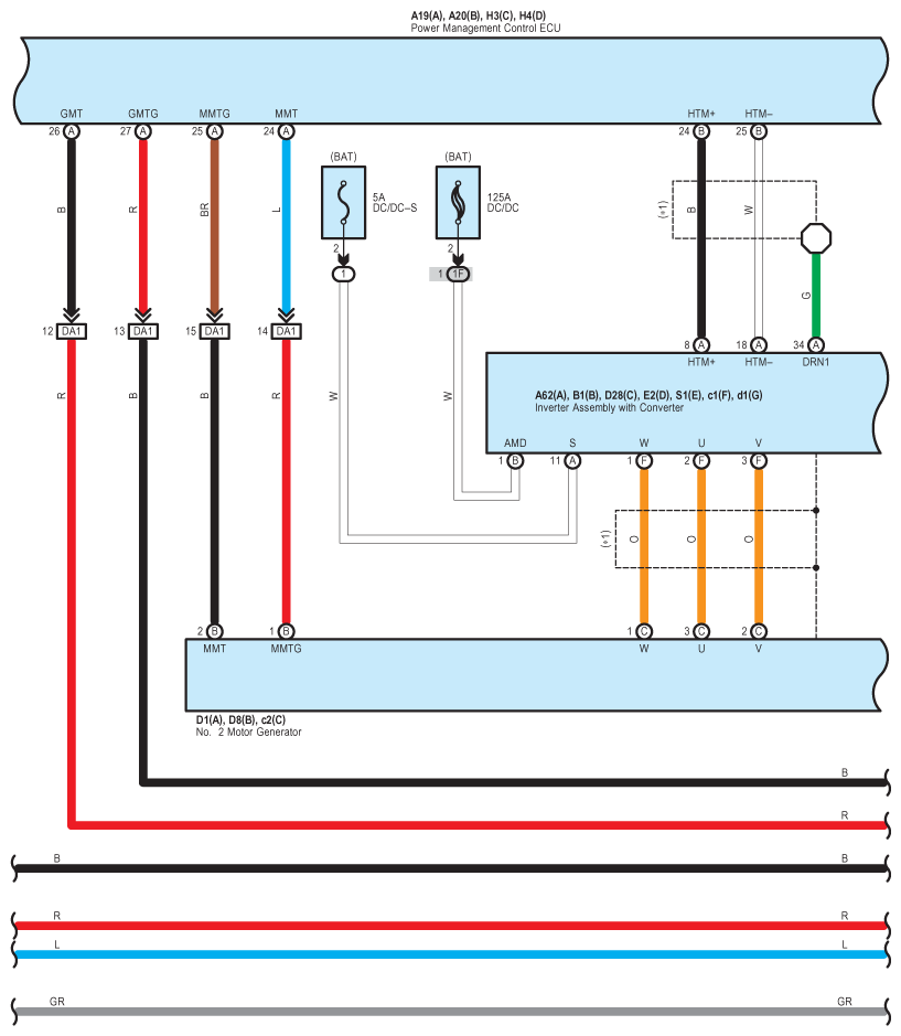
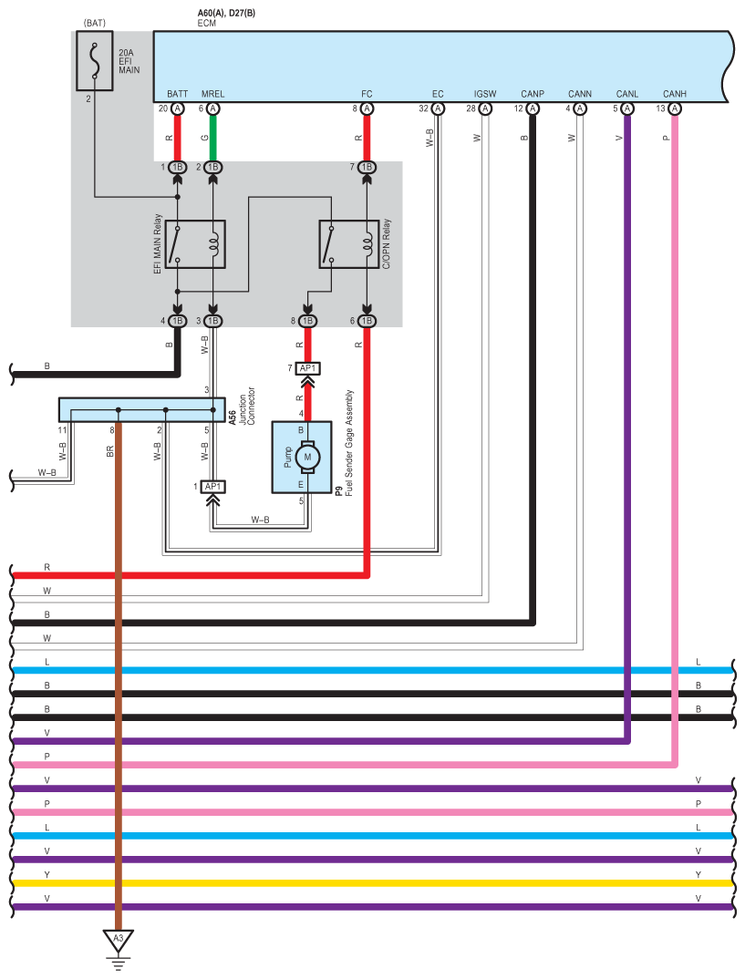
Fig 1: Cruise Control, Dynamic Radar Cruise Control, Engine Control, Hybrid And Shift Control System Wiring Diagram (1 Of 35)
G09113577Courtesy of © TOYOTA, LICENSE AGREEMENT TMS1002
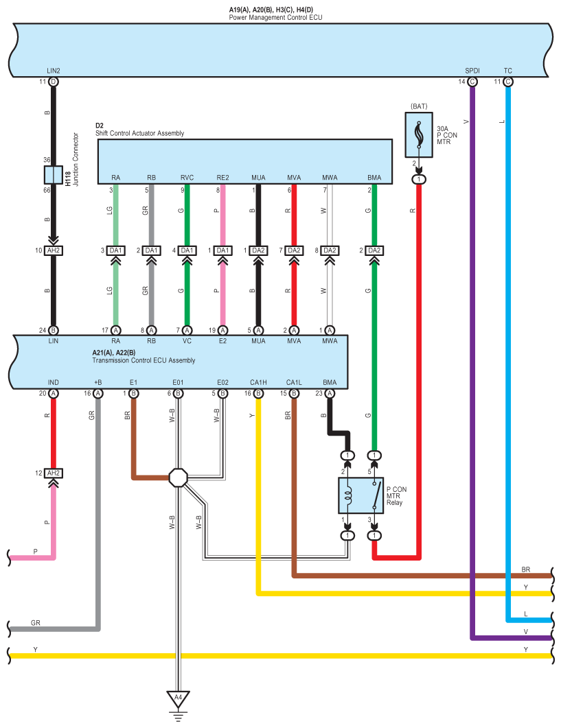
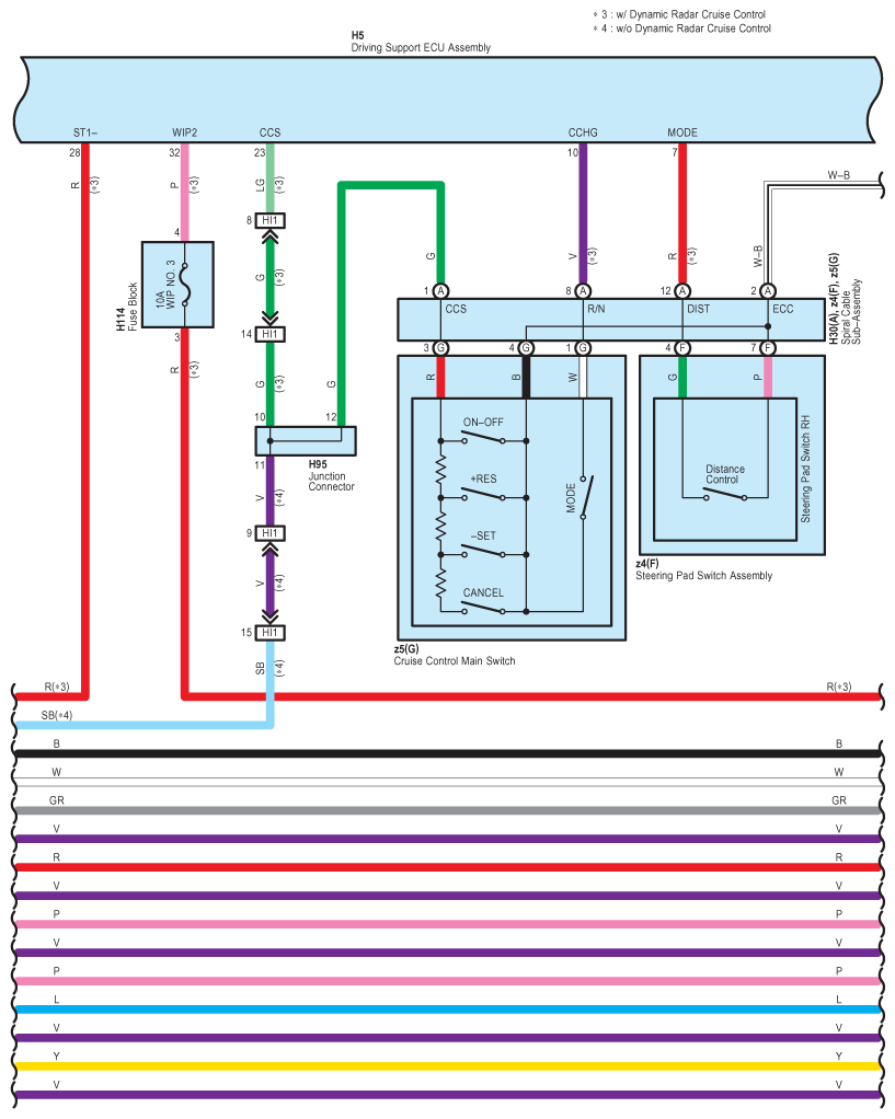
Fig 2: Cruise Control, Dynamic Radar Cruise Control, Engine Control, Hybrid And Shift Control System Wiring Diagram (2 Of 35)
G09113578Courtesy of © TOYOTA, LICENSE AGREEMENT TMS1002
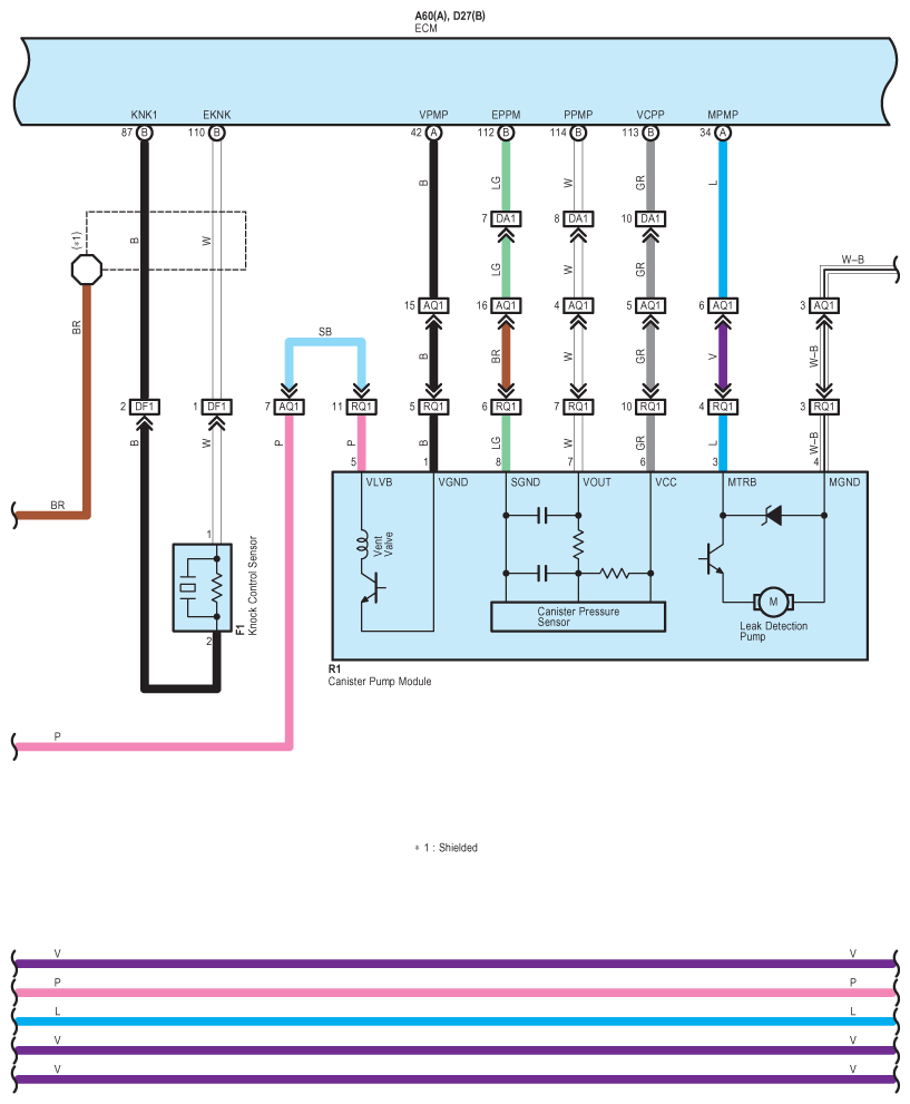
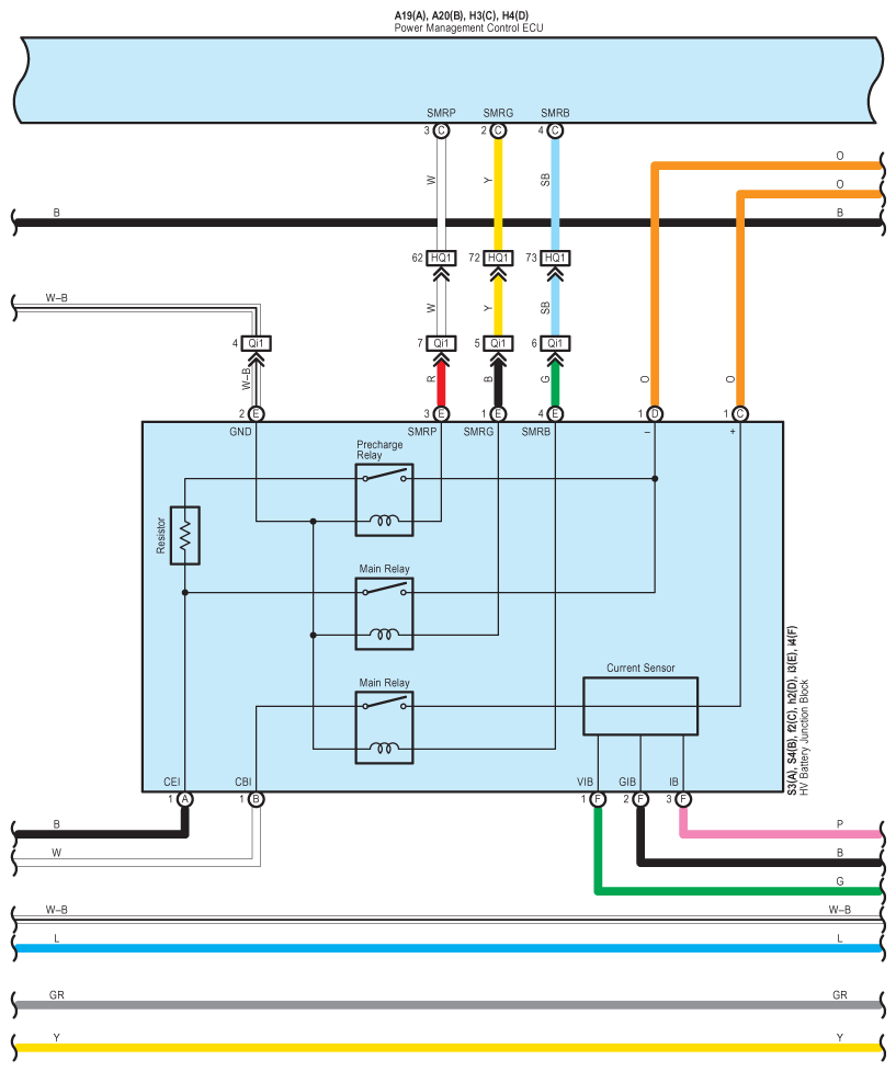
Fig 3: Cruise Control, Dynamic Radar Cruise Control, Engine Control, Hybrid And Shift Control System Wiring Diagram (3 Of 35)
G09113579Courtesy of © TOYOTA, LICENSE AGREEMENT TMS1002
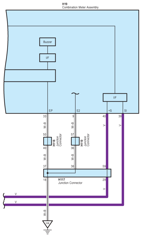
Fig 4: Cruise Control, Dynamic Radar Cruise Control, Engine Control, Hybrid And Shift Control System Wiring Diagram (4 Of 35)
G09113580Courtesy of © TOYOTA, LICENSE AGREEMENT TMS1002
Fig 5: Cruise Control, Dynamic Radar Cruise Control, Engine Control, Hybrid And Shift Control System Wiring Diagram (5 Of 35)
G09113581Courtesy of © TOYOTA, LICENSE AGREEMENT TMS1002
Fig 6: Cruise Control, Dynamic Radar Cruise Control, Engine Control, Hybrid And Shift Control System Wiring Diagram (6 Of 35)
G09113582Courtesy of © TOYOTA, LICENSE AGREEMENT TMS1002
Fig 7: Cruise Control, Dynamic Radar Cruise Control, Engine Control, Hybrid And Shift Control System Wiring Diagram (7 Of 35)
G09113583Courtesy of © TOYOTA, LICENSE AGREEMENT TMS1002
Fig 8: Cruise Control, Dynamic Radar Cruise Control, Engine Control, Hybrid And Shift Control System Wiring Diagram (8 Of 35)
G09113584Courtesy of © TOYOTA, LICENSE AGREEMENT TMS1002
Fig 9: Cruise Control, Dynamic Radar Cruise Control, Engine Control, Hybrid And Shift Control System Wiring Diagram (9 Of 35)
G09113585Courtesy of © TOYOTA, LICENSE AGREEMENT TMS1002
Fig 10: Cruise Control, Dynamic Radar Cruise Control, Engine Control, Hybrid And Shift Control System Wiring Diagram (10 Of 35)
G09113586Courtesy of © TOYOTA, LICENSE AGREEMENT TMS1002
Fig 11: Cruise Control, Dynamic Radar Cruise Control, Engine Control, Hybrid And Shift Control System Wiring Diagram (11 Of 35)
G09113587Courtesy of © TOYOTA, LICENSE AGREEMENT TMS1002
Fig 12: Cruise Control, Dynamic Radar Cruise Control, Engine Control, Hybrid And Shift Control System Wiring Diagram (12 Of 35)
G09113588Courtesy of © TOYOTA, LICENSE AGREEMENT TMS1002
Fig 13: Cruise Control, Dynamic Radar Cruise Control, Engine Control, Hybrid And Shift Control System Wiring Diagram (13 Of 35)
G09113589Courtesy of © TOYOTA, LICENSE AGREEMENT TMS1002
Fig 14: Cruise Control, Dynamic Radar Cruise Control, Engine Control, Hybrid And Shift Control System Wiring Diagram (14 Of 35)
G09113590Courtesy of © TOYOTA, LICENSE AGREEMENT TMS1002
Fig 15: Cruise Control, Dynamic Radar Cruise Control, Engine Control, Hybrid And Shift Control System Wiring Diagram (15 Of 35)
G09113591Courtesy of © TOYOTA, LICENSE AGREEMENT TMS1002
Fig 16: Cruise Control, Dynamic Radar Cruise Control, Engine Control, Hybrid And Shift Control System Wiring Diagram (16 Of 35)
G09113592Courtesy of © TOYOTA, LICENSE AGREEMENT TMS1002
Fig 17: Cruise Control, Dynamic Radar Cruise Control, Engine Control, Hybrid And Shift Control System Wiring Diagram (17 Of 35)
G09113593Courtesy of © TOYOTA, LICENSE AGREEMENT TMS1002
Fig 18: Cruise Control, Dynamic Radar Cruise Control, Engine Control, Hybrid And Shift Control System Wiring Diagram (18 Of 35)
G09113594Courtesy of © TOYOTA, LICENSE AGREEMENT TMS1002
Fig 19: Cruise Control, Dynamic Radar Cruise Control, Engine Control, Hybrid And Shift Control System Wiring Diagram (19 Of 35)
G09113595Courtesy of © TOYOTA, LICENSE AGREEMENT TMS1002
Fig 20: Cruise Control, Dynamic Radar Cruise Control, Engine Control, Hybrid And Shift Control System Wiring Diagram (20 Of 35)
G09113596Courtesy of © TOYOTA, LICENSE AGREEMENT TMS1002
Fig 21: Cruise Control, Dynamic Radar Cruise Control, Engine Control, Hybrid And Shift Control System Wiring Diagram (21 Of 35)
G09113597Courtesy of © TOYOTA, LICENSE AGREEMENT TMS1002
Fig 22: Cruise Control, Dynamic Radar Cruise Control, Engine Control, Hybrid And Shift Control System Wiring Diagram (22 Of 35)
G09113598Courtesy of © TOYOTA, LICENSE AGREEMENT TMS1002
Fig 23: Cruise Control, Dynamic Radar Cruise Control, Engine Control, Hybrid And Shift Control System Wiring Diagram (23 Of 35)
G09113599Courtesy of © TOYOTA, LICENSE AGREEMENT TMS1002
Fig 24: Cruise Control, Dynamic Radar Cruise Control, Engine Control, Hybrid And Shift Control System Wiring Diagram (24 Of 35)
G09113600Courtesy of © TOYOTA, LICENSE AGREEMENT TMS1002
Fig 25: Cruise Control, Dynamic Radar Cruise Control, Engine Control, Hybrid And Shift Control System Wiring Diagram (25 Of 35)
G09113601Courtesy of © TOYOTA, LICENSE AGREEMENT TMS1002
Fig 26: Cruise Control, Dynamic Radar Cruise Control, Engine Control, Hybrid And Shift Control System Wiring Diagram (26 Of 35)
G09113602Courtesy of © TOYOTA, LICENSE AGREEMENT TMS1002
Fig 27: Cruise Control, Dynamic Radar Cruise Control, Engine Control, Hybrid And Shift Control System Wiring Diagram (27 Of 35)
G09113603Courtesy of © TOYOTA, LICENSE AGREEMENT TMS1002
Fig 28: Cruise Control, Dynamic Radar Cruise Control, Engine Control, Hybrid And Shift Control System Wiring Diagram (28 Of 35)
G09113604Courtesy of © TOYOTA, LICENSE AGREEMENT TMS1002
Fig 29: Cruise Control, Dynamic Radar Cruise Control, Engine Control, Hybrid And Shift Control System Wiring Diagram (29 Of 35)
G09113605Courtesy of © TOYOTA, LICENSE AGREEMENT TMS1002
Fig 30: Cruise Control, Dynamic Radar Cruise Control, Engine Control, Hybrid And Shift Control System Wiring Diagram (30 Of 35)
G09113606Courtesy of © TOYOTA, LICENSE AGREEMENT TMS1002
Fig 31: Cruise Control, Dynamic Radar Cruise Control, Engine Control, Hybrid And Shift Control System Wiring Diagram (31 Of 35)
G09113607Courtesy of © TOYOTA, LICENSE AGREEMENT TMS1002
Fig 32: Cruise Control, Dynamic Radar Cruise Control, Engine Control, Hybrid And Shift Control System Wiring Diagram (32 Of 35)
G09113608Courtesy of © TOYOTA, LICENSE AGREEMENT TMS1002
Fig 33: Cruise Control, Dynamic Radar Cruise Control, Engine Control, Hybrid And Shift Control System Wiring Diagram (33 Of 35)
G09113609Courtesy of © TOYOTA, LICENSE AGREEMENT TMS1002
Fig 34: Cruise Control, Dynamic Radar Cruise Control, Engine Control, Hybrid And Shift Control System Wiring Diagram (34 Of 35)
G09113610Courtesy of © TOYOTA, LICENSE AGREEMENT TMS1002
Fig 35: Cruise Control, Dynamic Radar Cruise Control, Engine Control, Hybrid And Shift Control System Wiring Diagram (35 Of 35)
G09113611Courtesy of © TOYOTA, LICENSE AGREEMENT TMS1002