LEMON Manuals: Even more car manuals for everyone
Home >> Lexus >> 2013 >> CT 200h Base >> Repair and Diagnosis (Single Page) >> Electrical >> Body Electrical >> OEM System Circuits >> Audio System (w/LEXUS Navigation System), LEXUS Navigation System and Parking Assist (Back Guide Monitor or Rear View Monitor w/LEXUS Navigation System) >> Notes

Audio System (w/LEXUS Navigation System), LEXUS Navigation System and Parking Assist (Back Guide Monitor or Rear View Monitor w/LEXUS Navigation System): Notes

Fig 1: Audio System, LEXUS Navigation And Parking Assist Back Guide Monitor Or Rear View Monitor W/LEXUS Navigation System Wiring Diagram (1 Of 19)
G09113786Courtesy of © TOYOTA, LICENSE AGREEMENT TMS1002
Fig 2: Audio System, LEXUS Navigation And Parking Assist Back Guide Monitor Or Rear View Monitor W/LEXUS Navigation System Wiring Diagram (2 Of 19)
G09113787Courtesy of © TOYOTA, LICENSE AGREEMENT TMS1002
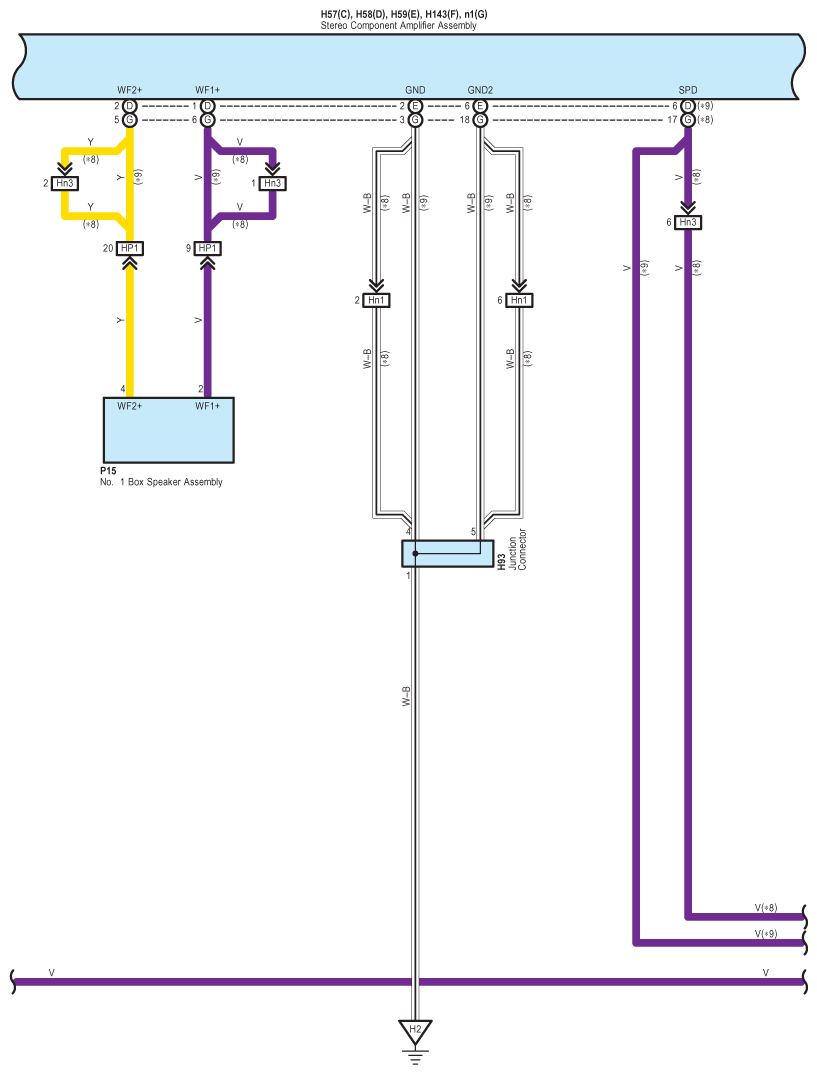
Fig 3: Audio System, LEXUS Navigation And Parking Assist Back Guide Monitor Or Rear View Monitor W/LEXUS Navigation System Wiring Diagram (3 Of 19)
G09113788Courtesy of © TOYOTA, LICENSE AGREEMENT TMS1002
Fig 4: Audio System, LEXUS Navigation And Parking Assist Back Guide Monitor Or Rear View Monitor W/LEXUS Navigation System Wiring Diagram (4 Of 19)
G09113789Courtesy of © TOYOTA, LICENSE AGREEMENT TMS1002
Fig 5: Audio System, LEXUS Navigation And Parking Assist Back Guide Monitor Or Rear View Monitor W/LEXUS Navigation System Wiring Diagram (5 Of 19)
G09113790Courtesy of © TOYOTA, LICENSE AGREEMENT TMS1002
Fig 6: Audio System, LEXUS Navigation And Parking Assist Back Guide Monitor Or Rear View Monitor W/LEXUS Navigation System Wiring Diagram (6 Of 19)
G09113791Courtesy of © TOYOTA, LICENSE AGREEMENT TMS1002
Fig 7: Audio System, LEXUS Navigation And Parking Assist Back Guide Monitor Or Rear View Monitor W/LEXUS Navigation System Wiring Diagram (7 Of 19)
G09113792Courtesy of © TOYOTA, LICENSE AGREEMENT TMS1002
Fig 8: Audio System, LEXUS Navigation And Parking Assist Back Guide Monitor Or Rear View Monitor W/LEXUS Navigation System Wiring Diagram (8 Of 19)
G09113793Courtesy of © TOYOTA, LICENSE AGREEMENT TMS1002
Fig 9: Audio System, LEXUS Navigation And Parking Assist Back Guide Monitor Or Rear View Monitor W/LEXUS Navigation System Wiring Diagram (9 Of 19)
G09113794Courtesy of © TOYOTA, LICENSE AGREEMENT TMS1002
Fig 10: Audio System, LEXUS Navigation And Parking Assist Back Guide Monitor Or Rear View Monitor W/LEXUS Navigation System Wiring Diagram (10 Of 19)
G09113795Courtesy of © TOYOTA, LICENSE AGREEMENT TMS1002
Fig 11: Audio System, LEXUS Navigation And Parking Assist Back Guide Monitor Or Rear View Monitor W/LEXUS Navigation System Wiring Diagram (11 Of 19)
G09113796Courtesy of © TOYOTA, LICENSE AGREEMENT TMS1002
Fig 12: Audio System, LEXUS Navigation And Parking Assist Back Guide Monitor Or Rear View Monitor W/LEXUS Navigation System Wiring Diagram (12 Of 19)
G09113797Courtesy of © TOYOTA, LICENSE AGREEMENT TMS1002
Fig 13: Audio System, LEXUS Navigation And Parking Assist Back Guide Monitor Or Rear View Monitor W/LEXUS Navigation System Wiring Diagram (13 Of 19)
G09113798Courtesy of © TOYOTA, LICENSE AGREEMENT TMS1002
Fig 14: Audio System, LEXUS Navigation And Parking Assist Back Guide Monitor Or Rear View Monitor W/LEXUS Navigation System Wiring Diagram (14 Of 19)
G09113799Courtesy of © TOYOTA, LICENSE AGREEMENT TMS1002
Fig 15: Audio System, LEXUS Navigation And Parking Assist Back Guide Monitor Or Rear View Monitor W/LEXUS Navigation System Wiring Diagram (15 Of 19)
G09113800Courtesy of © TOYOTA, LICENSE AGREEMENT TMS1002
Fig 16: Audio System, LEXUS Navigation And Parking Assist Back Guide Monitor Or Rear View Monitor W/LEXUS Navigation System Wiring Diagram (16 Of 19)
G09113801Courtesy of © TOYOTA, LICENSE AGREEMENT TMS1002
Fig 17: Audio System, LEXUS Navigation And Parking Assist Back Guide Monitor Or Rear View Monitor W/LEXUS Navigation System Wiring Diagram (17 Of 19)
G09113802Courtesy of © TOYOTA, LICENSE AGREEMENT TMS1002
Fig 18: Audio System, LEXUS Navigation And Parking Assist Back Guide Monitor Or Rear View Monitor W/LEXUS Navigation System Wiring Diagram (18 Of 19)
G09113803Courtesy of © TOYOTA, LICENSE AGREEMENT TMS1002
Fig 19: Audio System, LEXUS Navigation And Parking Assist Back Guide Monitor Or Rear View Monitor W/LEXUS Navigation System Wiring Diagram (19 Of 19)
G09113804Courtesy of © TOYOTA, LICENSE AGREEMENT TMS1002