LEMON Manuals: Even more car manuals for everyone
Home >> Lexus >> 2012 >> LS 600hL >> Repair and Diagnosis (Single Page) >> Engine Mechanical >> Starter >> Smart Access System (With Push-Button Start) (2UR-FSE) (Diagnostics - Introduction) >> Smart Access System With Push-Button Start >> System Diagram >> System Diagram

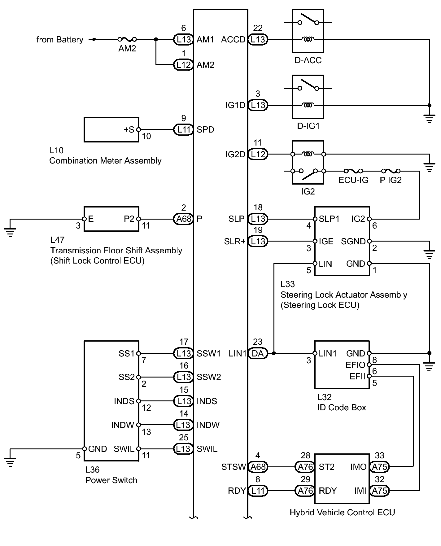
System Diagram

Fig 1: Smart Access System Diagram (1 Of 2)
GTY254979Courtesy of © TOYOTA, LICENSE AGREEMENT TMS1002
Fig 2: Smart Access System Diagram (2 Of 2)
GTY109987Courtesy of © TOYOTA, LICENSE AGREEMENT TMS1002
COMMUNICATION TABLE

Sender Receiver Signal Line
Hybrid vehicle control ECU Main body ECU READY signal CAN
Meter ECU Main body ECU Vehicle speed signal CAN
Steering lock ECU Main body ECU Steering lock/unlock signal LIN
Certification ECU Main body ECU LIN master signal LIN
Main body ECU ID code box ID required signal LIN
Main body ECU Certification ECU Key existence condition signal LIN