LEMON Manuals: Even more car manuals for everyone
Home >> Lexus >> 2012 >> LS 600hL >> Repair and Diagnosis (Single Page) >> Electrical >> Body Electrical >> OEM System Circuits >> Power Source >> Notes

Power Source: Notes

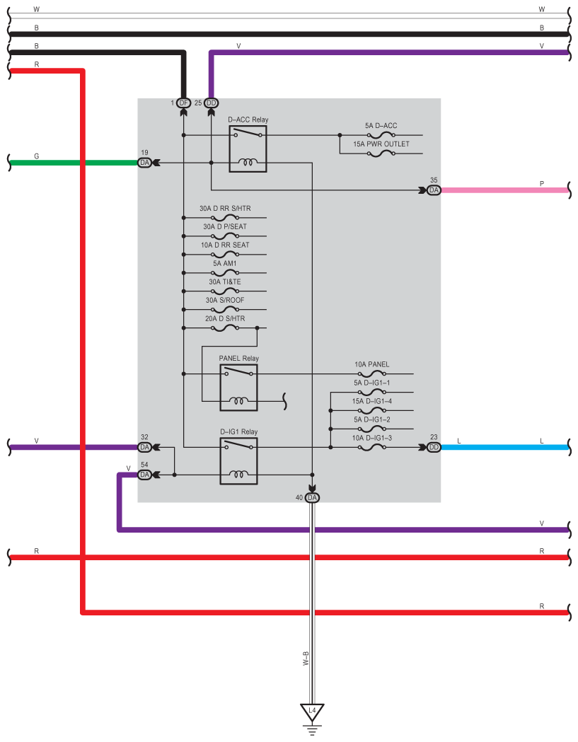
Fig 1: Power Source - Wiring Diagram (1 Of 9)
G08936639Courtesy of © TOYOTA, LICENSE AGREEMENT TMS1002
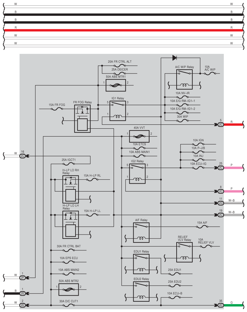
Fig 2: Power Source - Wiring Diagram (2 Of 9)
G08936640Courtesy of © TOYOTA, LICENSE AGREEMENT TMS1002
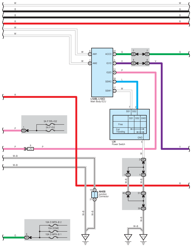
Fig 3: Power Source - Wiring Diagram (3 Of 9)
G08936641Courtesy of © TOYOTA, LICENSE AGREEMENT TMS1002
Fig 4: Power Source - Wiring Diagram (4 Of 9)
G08936642Courtesy of © TOYOTA, LICENSE AGREEMENT TMS1002
Fig 5: Power Source - Wiring Diagram (5 Of 9)
G08936643Courtesy of © TOYOTA, LICENSE AGREEMENT TMS1002
Fig 6: Power Source - Wiring Diagram (6 Of 9)
G08936644Courtesy of © TOYOTA, LICENSE AGREEMENT TMS1002
Fig 7: Power Source - Wiring Diagram (7 Of 9)
G08936645Courtesy of © TOYOTA, LICENSE AGREEMENT TMS1002
Fig 8: Power Source - Wiring Diagram (8 Of 9)
G08936646Courtesy of © TOYOTA, LICENSE AGREEMENT TMS1002
Fig 9: Power Source - Wiring Diagram (9 Of 9)
G08936647Courtesy of © TOYOTA, LICENSE AGREEMENT TMS1002