LEMON Manuals: Even more car manuals for everyone
Home >> Lexus >> 2012 >> LS 460 AWD >> Repair and Diagnosis >> Engine Performance >> System >> Engine Control System (Diagnostics - Introduction) >> SFI System >> System Diagram >> System Diagram

System Diagram

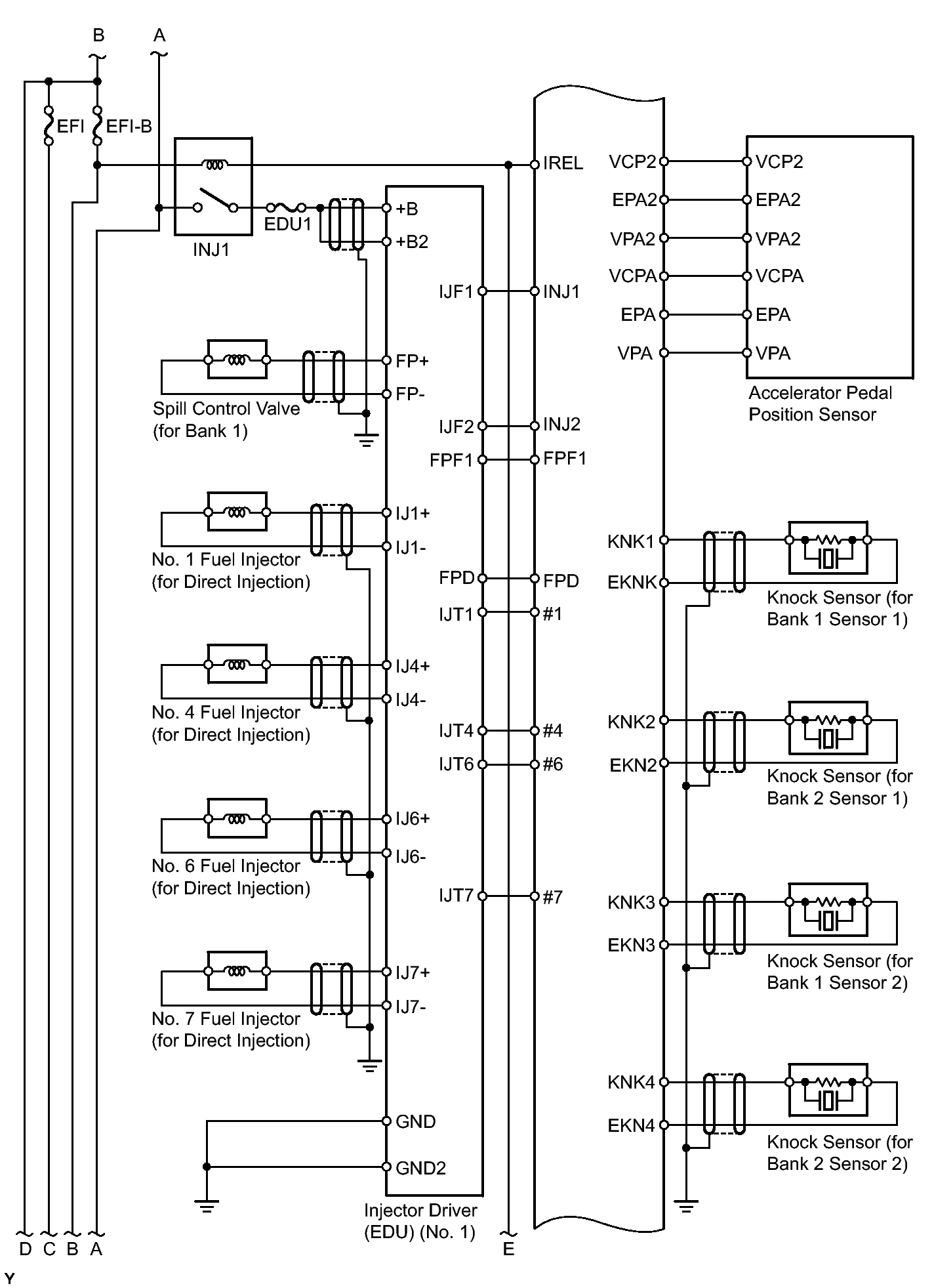
Fig 1: SFI System Diagram (1 Of 7)
GTY393171Courtesy of © TOYOTA, LICENSE AGREEMENT TMS1002
Fig 2: SFI System Diagram (2 Of 7)
GTY261655Courtesy of © TOYOTA, LICENSE AGREEMENT TMS1002
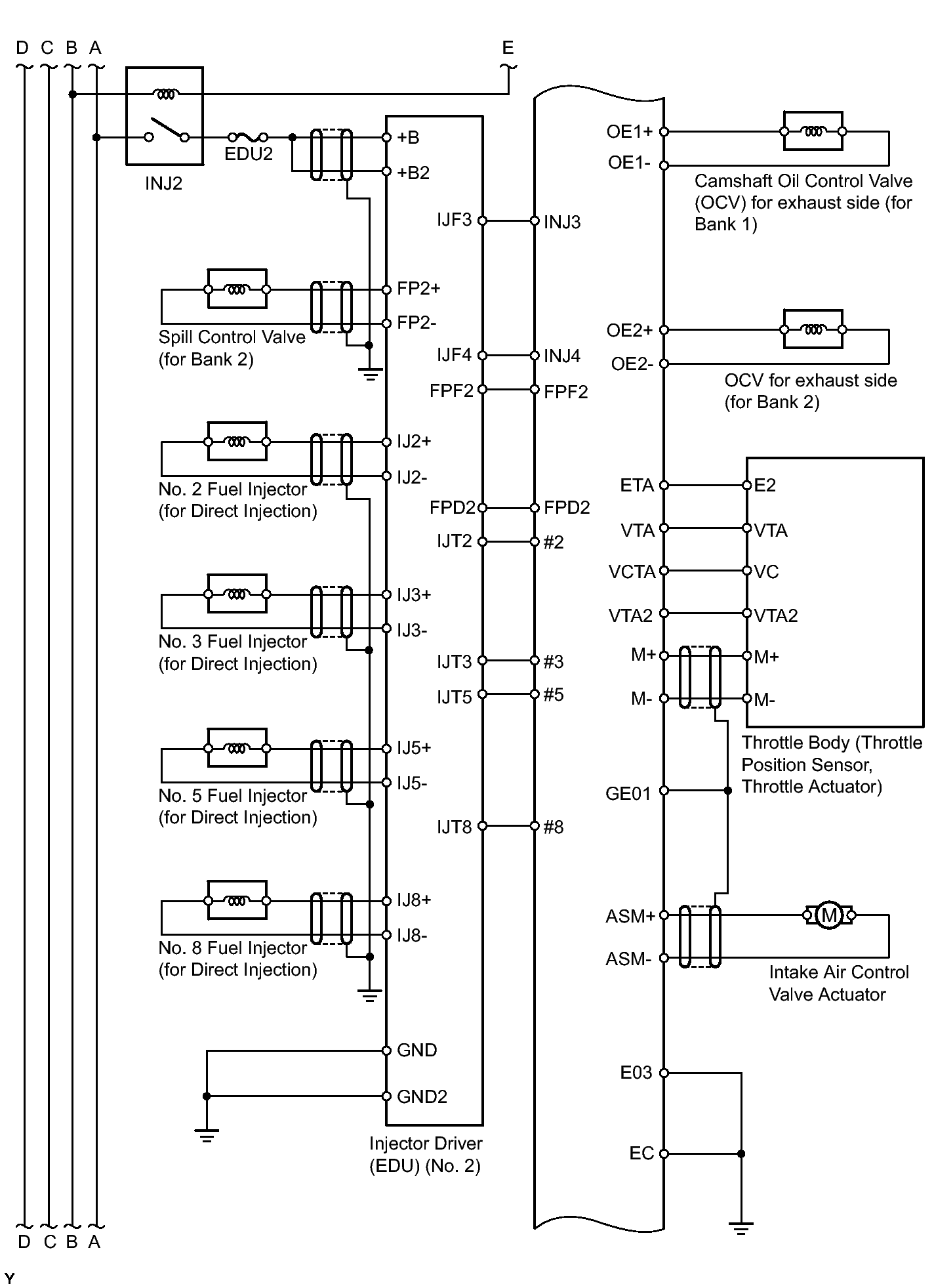
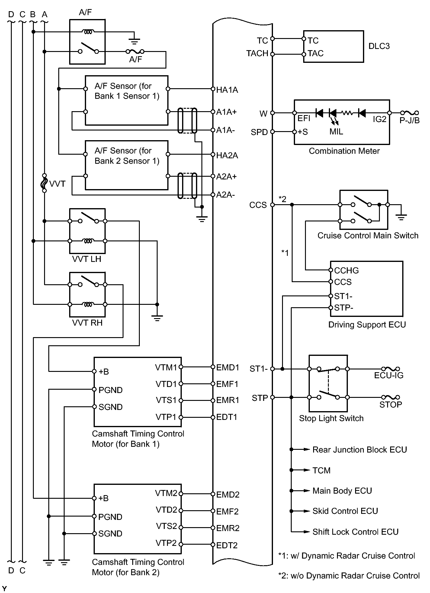
Fig 3: SFI System Diagram (3 Of 7)
GTY288147Courtesy of © TOYOTA, LICENSE AGREEMENT TMS1002
Fig 4: SFI System Diagram (4 Of 7)
GTY277682Courtesy of © TOYOTA, LICENSE AGREEMENT TMS1002
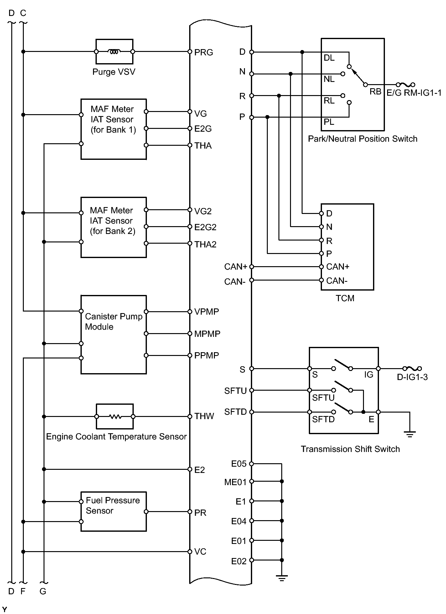
Fig 5: SFI System Diagram (5 Of 7)
GTY268179Courtesy of © TOYOTA, LICENSE AGREEMENT TMS1002
Fig 6: SFI System Diagram (6 Of 7)
GTY288148Courtesy of © TOYOTA, LICENSE AGREEMENT TMS1002
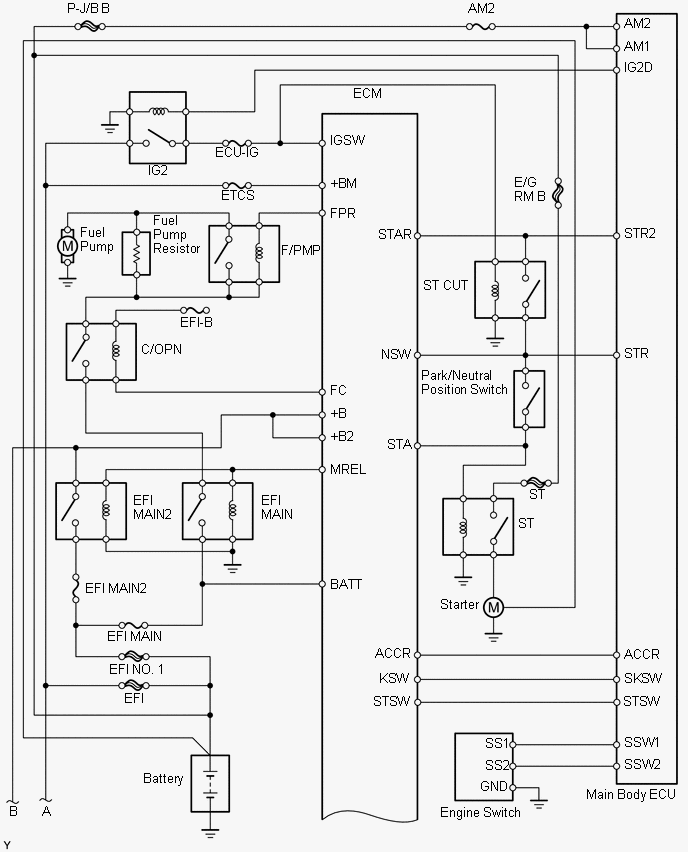
Fig 7: SFI System Diagram (7 Of 7)
GTY261440Courtesy of © TOYOTA, LICENSE AGREEMENT TMS1002