LEMON Manuals: Even more car manuals for everyone
Home >> Lexus >> 2012 >> LS 460 AWD >> Repair and Diagnosis (Single Page) >> Steering >> Manual Steering >> Power Steering System (Diagnostics - Introduction) >> Power Steering System >> System Diagram >> System Diagram

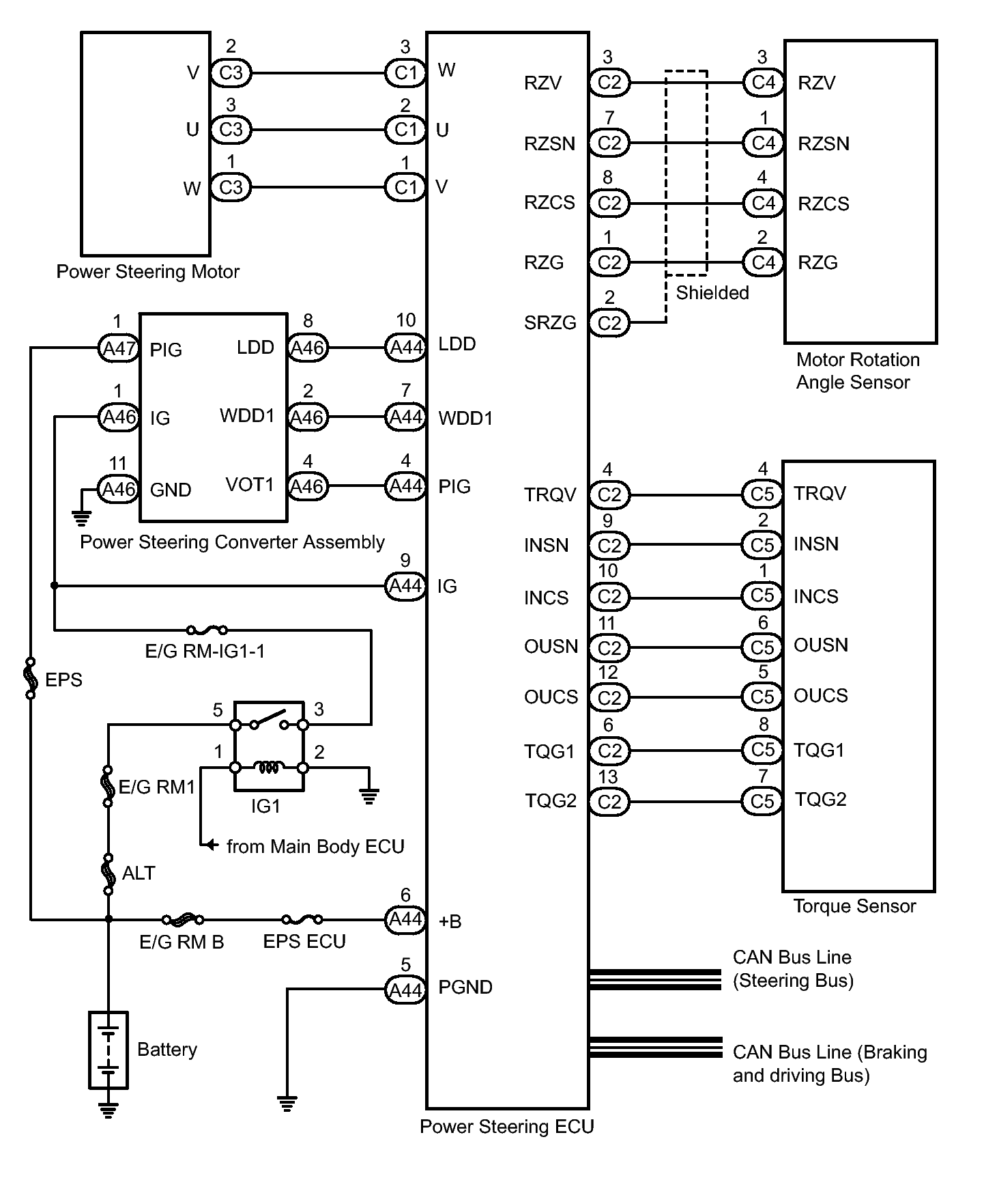
System Diagram

Fig 1: Identifying Power Steering - System Diagram (1 Of 3)
GTY352938Courtesy of © TOYOTA, LICENSE AGREEMENT TMS1002
Fig 2: Identifying Power Steering - System Diagram (2 Of 3)
GTY347735Courtesy of © TOYOTA, LICENSE AGREEMENT TMS1002
Fig 3: Identifying Power Steering - System Diagram (3 Of 3)
GTY347467Courtesy of © TOYOTA, LICENSE AGREEMENT TMS1002