LEMON Manuals: Even more car manuals for everyone
Home >> Lexus >> 2012 >> LS 460 AWD >> Repair and Diagnosis (Single Page) >> Electrical >> Body Electrical >> OEM System Circuits >> Pre-Collision System >> Notes

Pre-Collision System: Notes

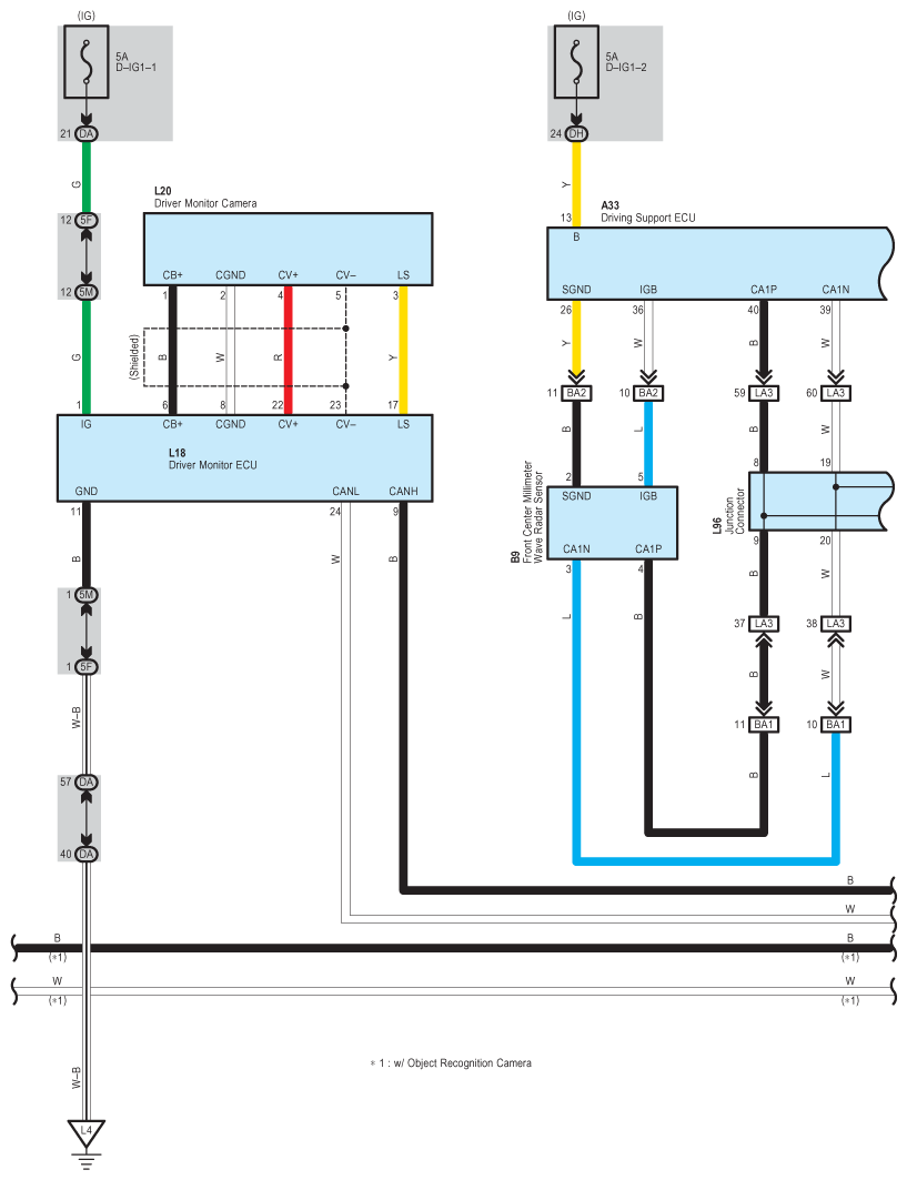
Fig 1: Pre-Collision System - Wiring Diagram (1 Of 16)
G08940838Courtesy of © TOYOTA, LICENSE AGREEMENT TMS1002
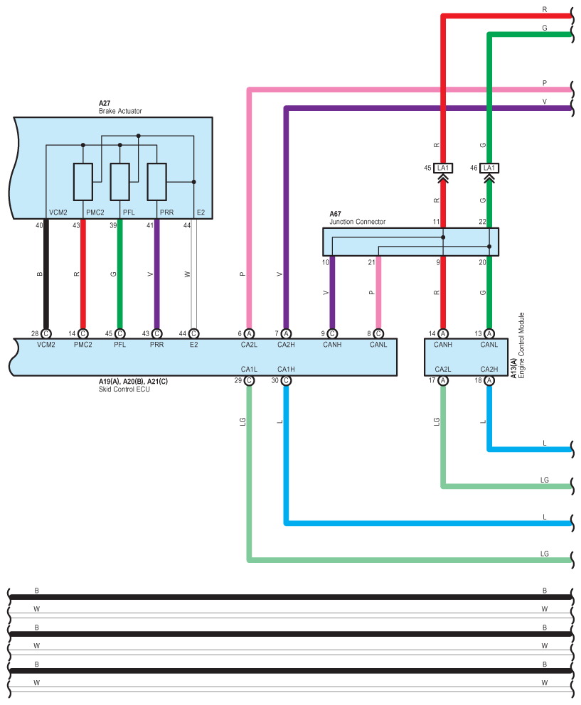
Fig 2: Pre-Collision System - Wiring Diagram (2 Of 16)
G08940839Courtesy of © TOYOTA, LICENSE AGREEMENT TMS1002
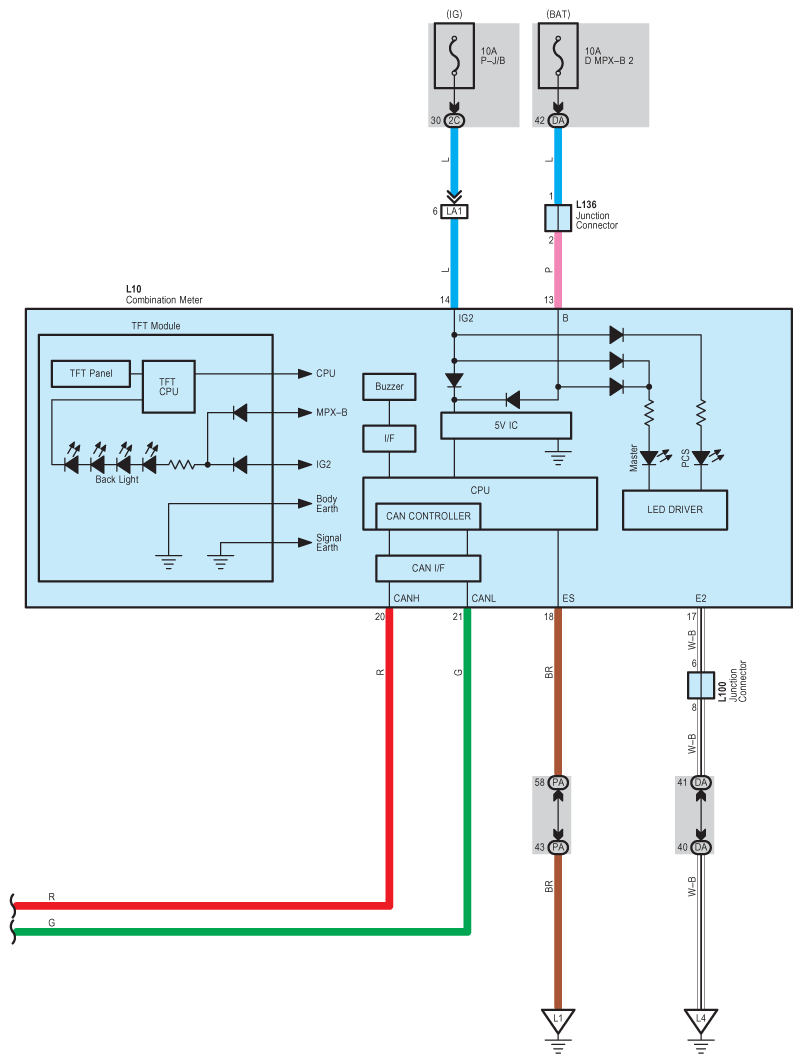
Fig 3: Pre-Collision System - Wiring Diagram (3 Of 16)
G08940840Courtesy of © TOYOTA, LICENSE AGREEMENT TMS1002
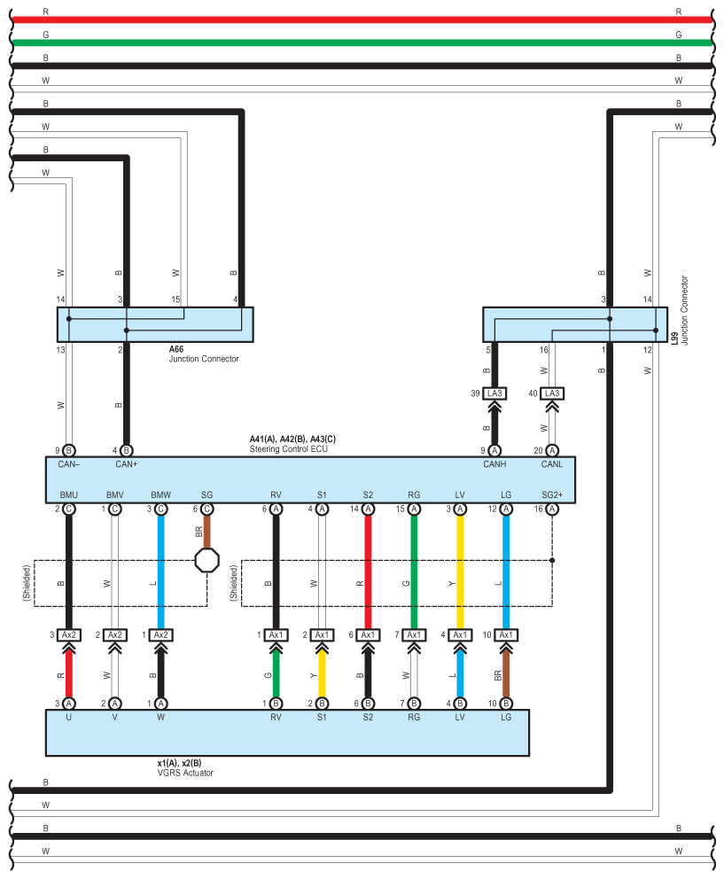
Fig 4: Pre-Collision System - Wiring Diagram (4 Of 16)
G08940841Courtesy of © TOYOTA, LICENSE AGREEMENT TMS1002
Fig 5: Pre-Collision System - Wiring Diagram (5 Of 16)
G08940842Courtesy of © TOYOTA, LICENSE AGREEMENT TMS1002
Fig 6: Pre-Collision System - Wiring Diagram (6 Of 16)
G08940843Courtesy of © TOYOTA, LICENSE AGREEMENT TMS1002
Fig 7: Pre-Collision System - Wiring Diagram (7 Of 16)
G08940844Courtesy of © TOYOTA, LICENSE AGREEMENT TMS1002
Fig 8: Pre-Collision System - Wiring Diagram (8 Of 16)
G08940845Courtesy of © TOYOTA, LICENSE AGREEMENT TMS1002
Fig 9: Pre-Collision System - Wiring Diagram (9 Of 16)
G08940846Courtesy of © TOYOTA, LICENSE AGREEMENT TMS1002
Fig 10: Pre-Collision System - Wiring Diagram (10 Of 16)
G08940847Courtesy of © TOYOTA, LICENSE AGREEMENT TMS1002
Fig 11: Pre-Collision System - Wiring Diagram (11 Of 16)
G08940848Courtesy of © TOYOTA, LICENSE AGREEMENT TMS1002
Fig 12: Pre-Collision System - Wiring Diagram (12 Of 16)
G08940849Courtesy of © TOYOTA, LICENSE AGREEMENT TMS1002
Fig 13: Pre-Collision System - Wiring Diagram (13 Of 16)
G08940850Courtesy of © TOYOTA, LICENSE AGREEMENT TMS1002
Fig 14: Pre-Collision System - Wiring Diagram (14 Of 16)
G08940851Courtesy of © TOYOTA, LICENSE AGREEMENT TMS1002
Fig 15: Pre-Collision System - Wiring Diagram (15 Of 16)
G08940852Courtesy of © TOYOTA, LICENSE AGREEMENT TMS1002
Fig 16: Pre-Collision System - Wiring Diagram (16 Of 16)
G08940853Courtesy of © TOYOTA, LICENSE AGREEMENT TMS1002