LEMON Manuals: Even more car manuals for everyone
Home >> Lexus >> 2012 >> IS F >> Repair and Diagnosis >> Engine Performance >> System >> Engine Control System (Diagnostic Codes (P060D-P1605)) >> SFI System >> DTC P0705: Transmission Range Sensor Circuit Malfunction (PRNDL Input) >> Wiring Diagram

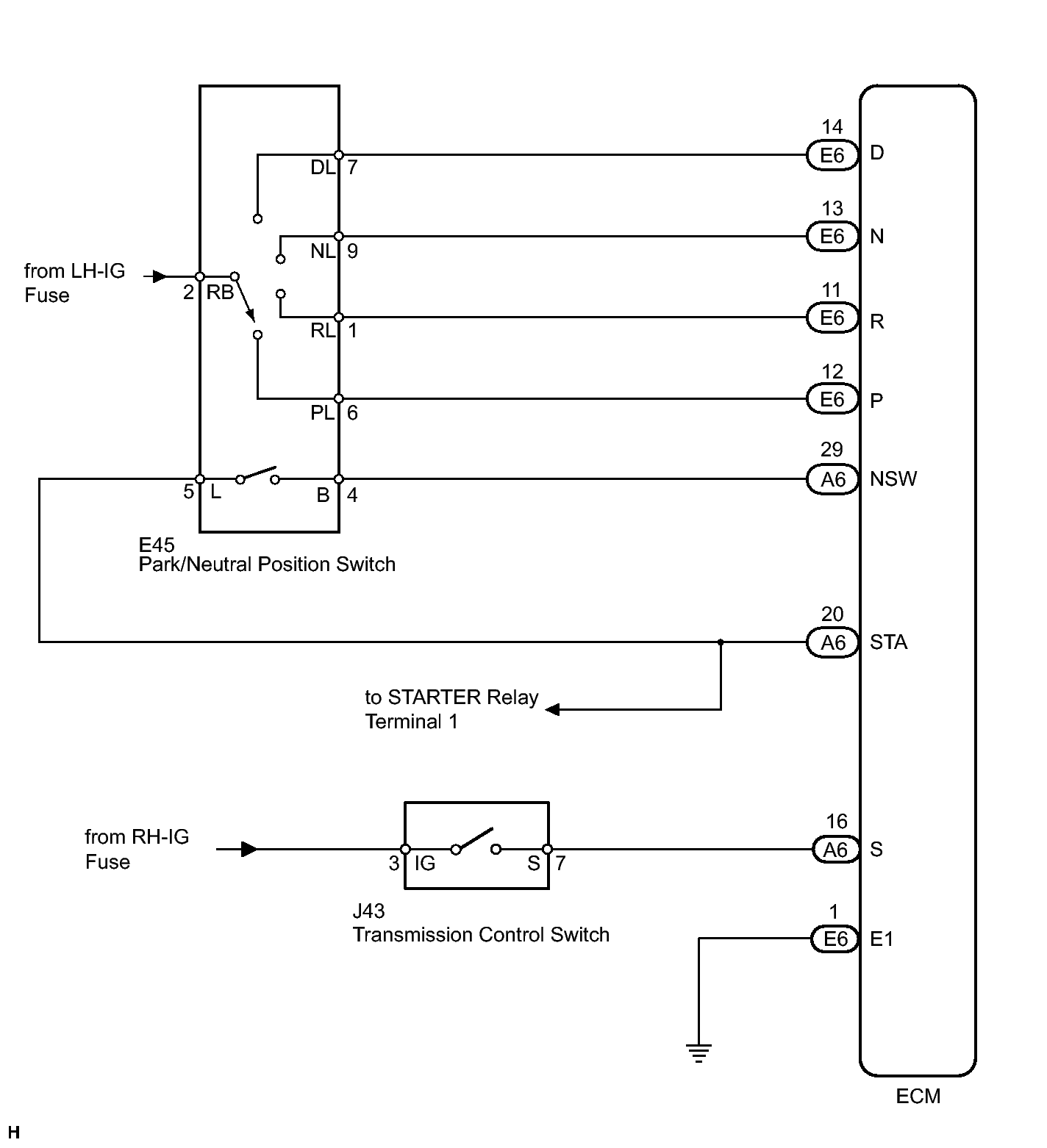
DTC P0705: Transmission Range Sensor Circuit Malfunction (PRNDL Input): Wiring Diagram

Fig 1: Transmission Control Switch & Park/Neutral Position Switch - Wiring Diagram
GTY147586Courtesy of © TOYOTA, LICENSE AGREEMENT TMS1002