LEMON Manuals: Even more car manuals for everyone
Home >> Lexus >> 2012 >> IS F >> Repair and Diagnosis >> Electrical >> Body Electrical >> OEM System Circuits >> Sliding Roof >> Notes

Sliding Roof: Notes

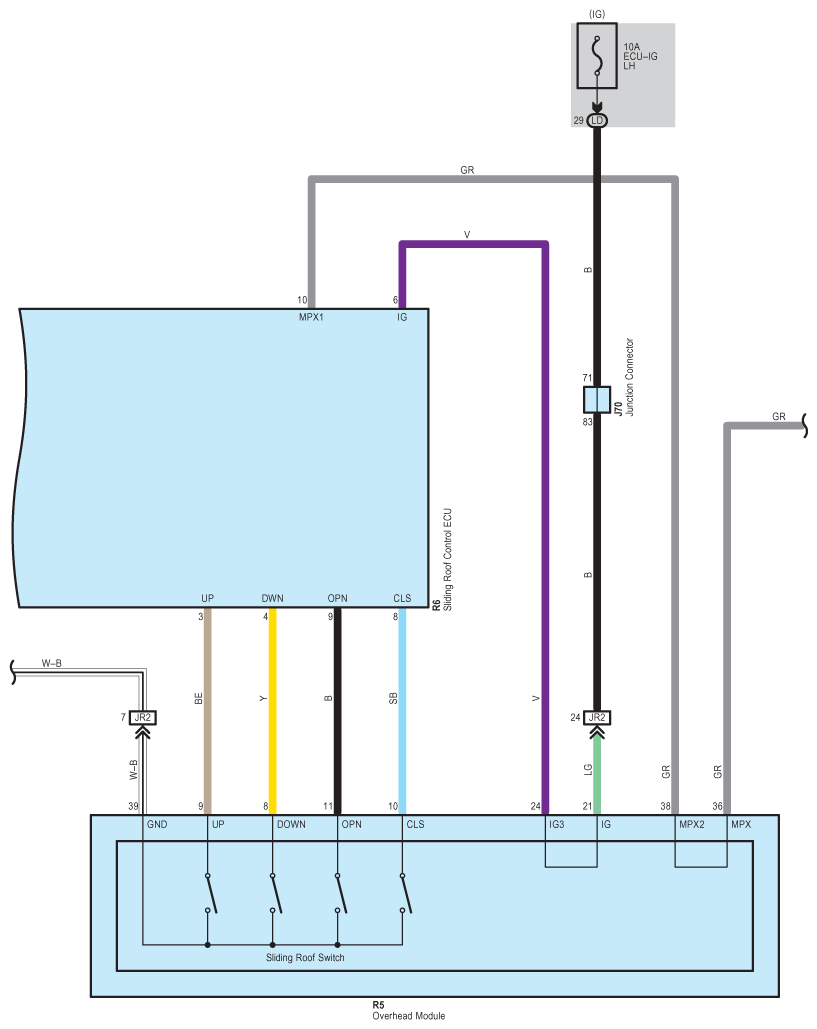
Fig 1: Sliding Roof - Wiring Diagram (1 Of 6)
G08939801Courtesy of © TOYOTA, LICENSE AGREEMENT TMS1002
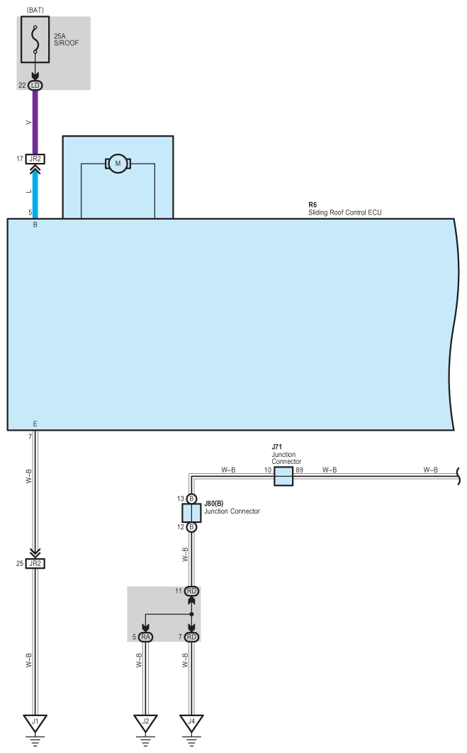
Fig 2: Sliding Roof - Wiring Diagram (2 Of 6)
G08939802Courtesy of © TOYOTA, LICENSE AGREEMENT TMS1002
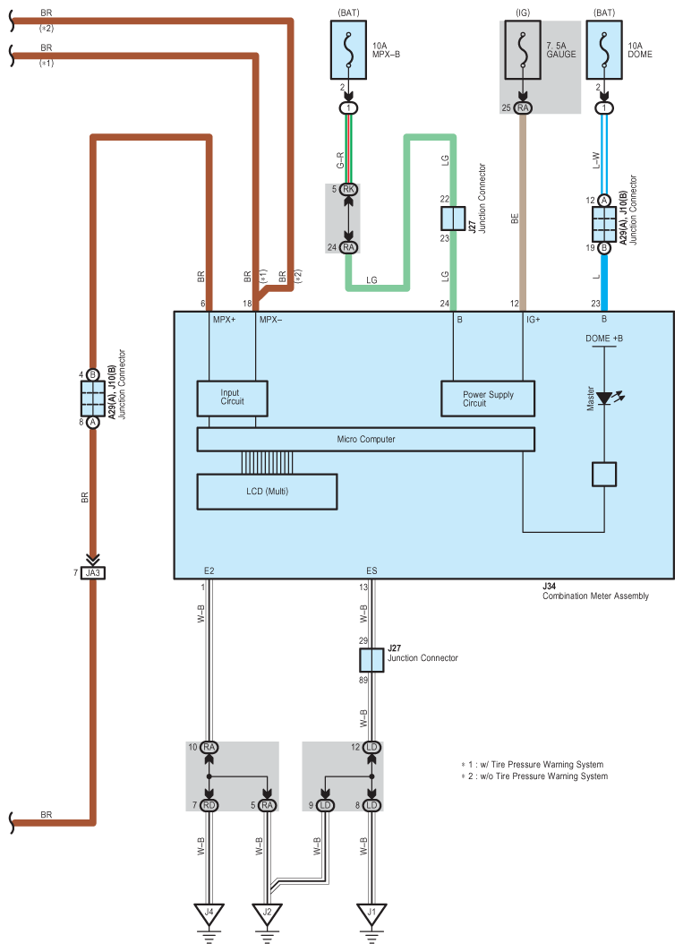
Fig 3: Sliding Roof - Wiring Diagram (3 Of 6)
G08939803Courtesy of © TOYOTA, LICENSE AGREEMENT TMS1002
Fig 4: Sliding Roof - Wiring Diagram (4 Of 6)
G08939804Courtesy of © TOYOTA, LICENSE AGREEMENT TMS1002
Fig 5: Sliding Roof - Wiring Diagram (5 Of 6)
G08939805Courtesy of © TOYOTA, LICENSE AGREEMENT TMS1002
Fig 6: Sliding Roof - Wiring Diagram (6 Of 6)
G08939806Courtesy of © TOYOTA, LICENSE AGREEMENT TMS1002