LEMON Manuals: Even more car manuals for everyone
Home >> Lexus >> 2012 >> IS F >> Repair and Diagnosis (Single Page) >> Electrical >> Fuses & Circuit Breakers >> OEM Junction Block, Ecu & Fuse/Relay Locations >> Relay Block Identification >> Engine Room Relay Block No. 2 Assembly And Engine Room Junction Block No. 2 Assembly - Left Engine Compartment >> Engine Room Relay Block No. 2 Assembly and Engine Room Junction Block No. 2 Assembly Inner Circuit

Engine Room Relay Block No. 2 Assembly and Engine Room Junction Block No. 2 Assembly Inner Circuit

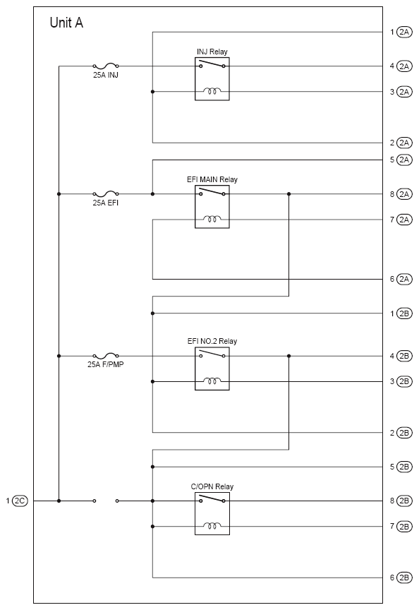
Fig 1: Engine Room Relay Block & J/B No. 2 Assembly Inner Circuit Diagram (1 Of 3)
G08939541Courtesy of © TOYOTA, LICENSE AGREEMENT TMS1002
ENGINE ROOM R/B NO. 2 AND J/B NO. 2 INNER CIRCUIT RELAY IDENTIFICATION

RELAY DESCRIPTION
INJ Relay
EFI Main Relay
EFI No. 2 Relay
C/OPN Relay
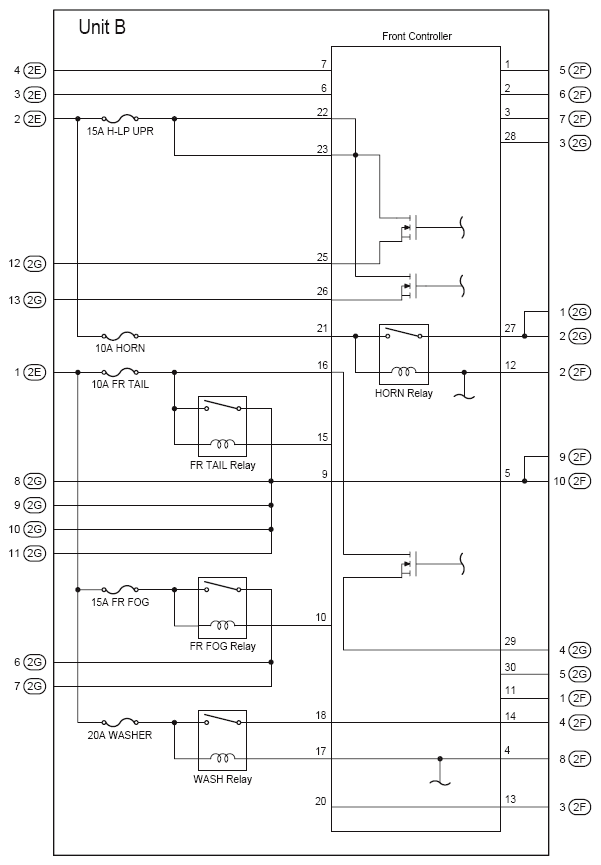
Fig 2: Engine Room Relay Block & J/B No. 2 Assembly Inner Circuit Diagram (2 Of 3)
G08939542Courtesy of © TOYOTA, LICENSE AGREEMENT TMS1002
ENGINE ROOM R/B NO. 2 AND J/B NO. 2 INNER CIRCUIT RELAY IDENTIFICATION

RELAY DESCRIPTION
Horn Relay
FR Tail Relay
FR Fog Relay
Wash Relay
Fig 3: Engine Room R/B No. 2 Assembly And Engine Room J/B No. 2 Assembly Inner Circuit Diagram (3 Of 3)
G08939543Courtesy of © TOYOTA, LICENSE AGREEMENT TMS1002