LEMON Manuals: Even more car manuals for everyone
Home >> Lexus >> 2012 >> IS F >> Repair and Diagnosis (Single Page) >> Electrical >> Body Electrical >> OEM System Circuits >> Engine Immobiliser System, Smart Access System with Push-Button Start, Starting, Steering Lock, Theft Deterrent and Wireless Door Lock Control >> Notes

Engine Immobiliser System, Smart Access System with Push-Button Start, Starting, Steering Lock, Theft Deterrent and Wireless Door Lock Control: Notes

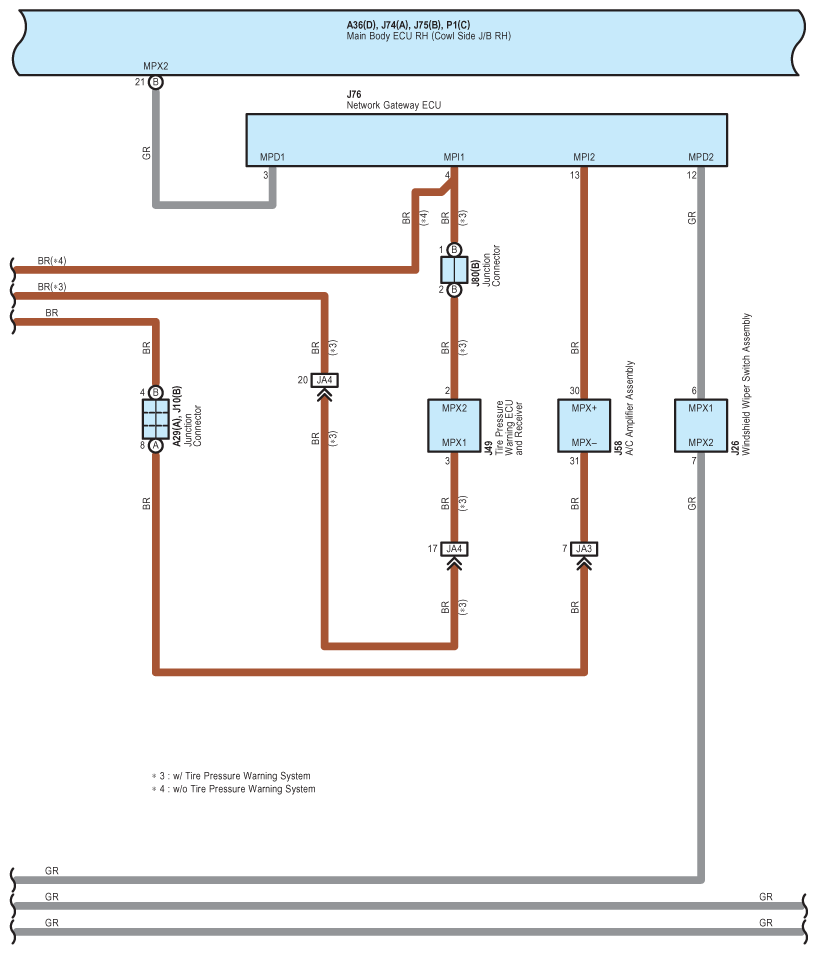
Fig 1: Engine Immobiliser System, Smart Access System With Push-Button Start, Starting, Steering Lock, Theft Deterrent And Wireless Door Lock Control - Wiring Diagram (1 Of 20)
G08939591Courtesy of © TOYOTA, LICENSE AGREEMENT TMS1002
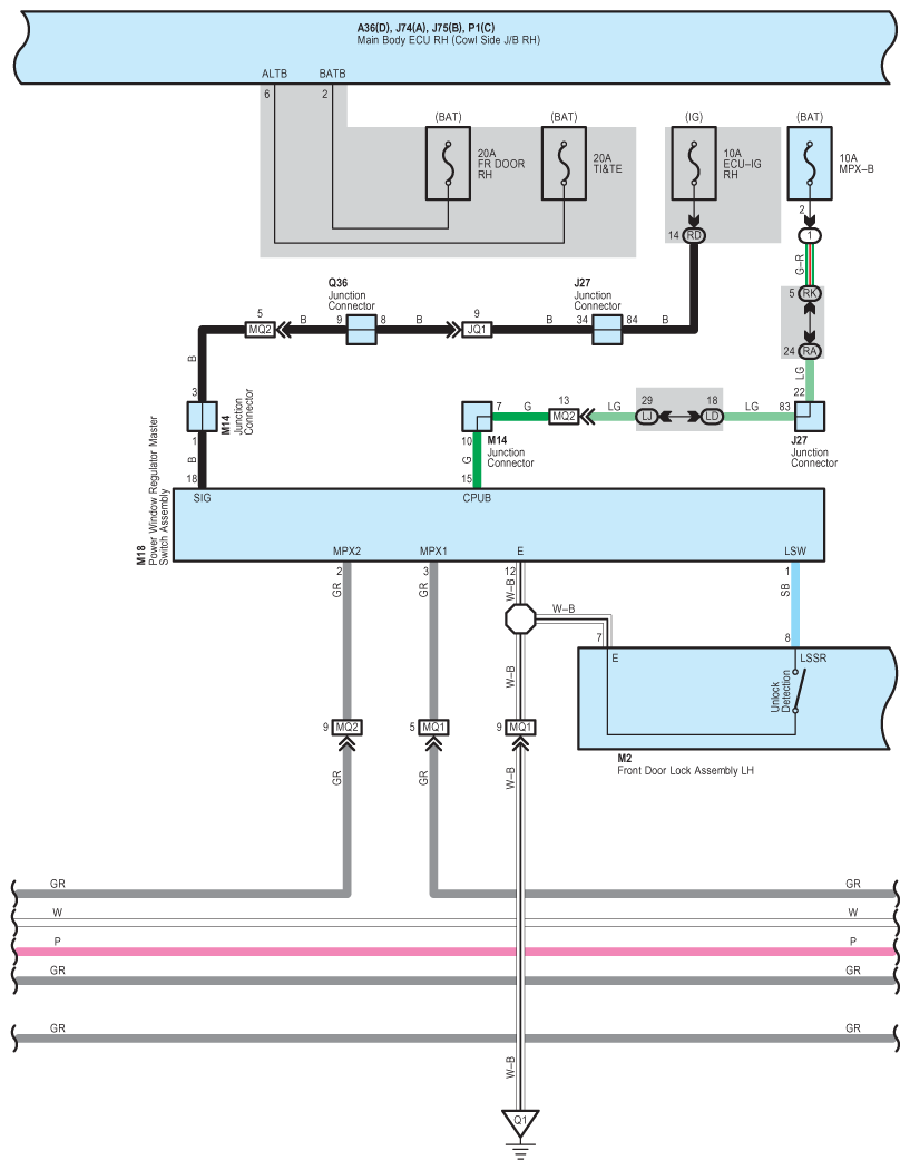
Fig 2: Engine Immobiliser System, Smart Access System With Push-Button Start, Starting, Steering Lock, Theft Deterrent And Wireless Door Lock Control - Wiring Diagram (2 Of 20)
G08939592Courtesy of © TOYOTA, LICENSE AGREEMENT TMS1002
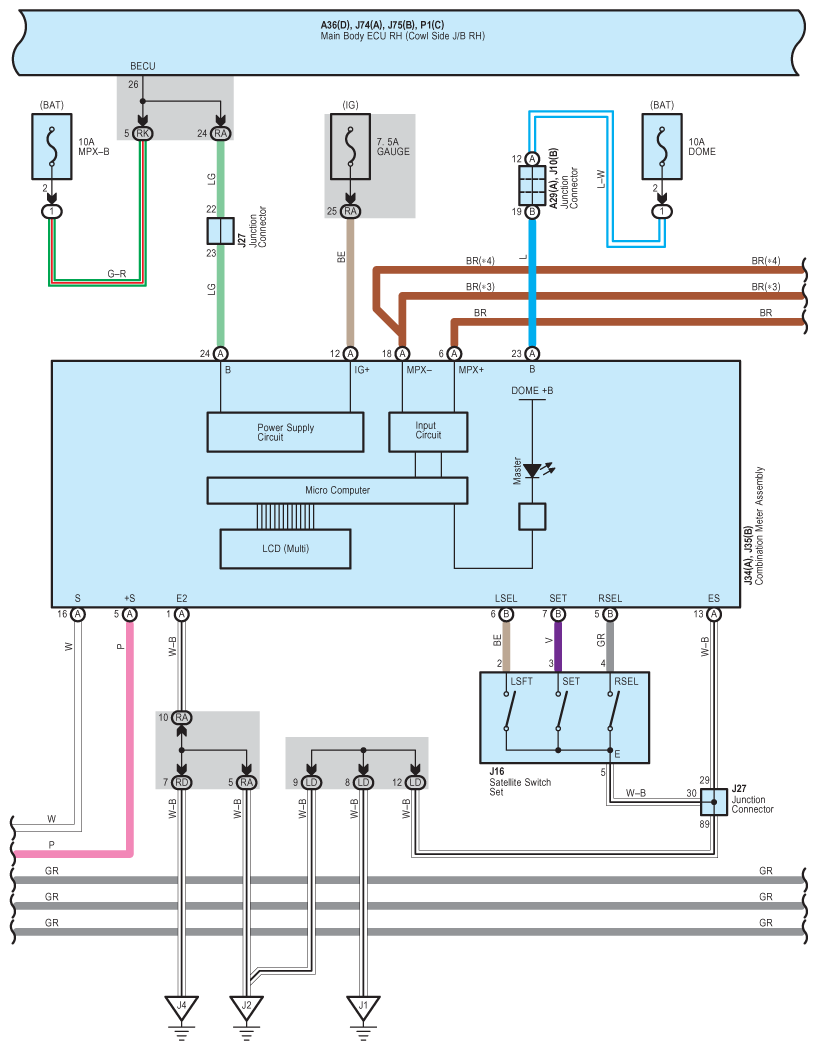
Fig 3: Engine Immobiliser System, Smart Access System With Push-Button Start, Starting, Steering Lock, Theft Deterrent And Wireless Door Lock Control - Wiring Diagram (3 Of 20)
G08939593Courtesy of © TOYOTA, LICENSE AGREEMENT TMS1002
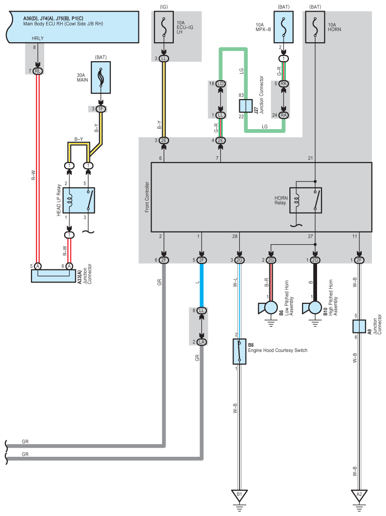
Fig 4: Engine Immobiliser System, Smart Access System With Push-Button Start, Starting, Steering Lock, Theft Deterrent And Wireless Door Lock Control - Wiring Diagram (4 Of 20)
G08939594Courtesy of © TOYOTA, LICENSE AGREEMENT TMS1002
Fig 5: Engine Immobiliser System, Smart Access System With Push-Button Start, Starting, Steering Lock, Theft Deterrent And Wireless Door Lock Control - Wiring Diagram (5 Of 20)
G08939595Courtesy of © TOYOTA, LICENSE AGREEMENT TMS1002
Fig 6: Engine Immobiliser System, Smart Access System With Push-Button Start, Starting, Steering Lock, Theft Deterrent And Wireless Door Lock Control - Wiring Diagram (6 Of 20)
G08939596Courtesy of © TOYOTA, LICENSE AGREEMENT TMS1002
Fig 7: Engine Immobiliser System, Smart Access System With Push-Button Start, Starting, Steering Lock, Theft Deterrent And Wireless Door Lock Control - Wiring Diagram (7 Of 20)
G08939597Courtesy of © TOYOTA, LICENSE AGREEMENT TMS1002
Fig 8: Engine Immobiliser System, Smart Access System With Push-Button Start, Starting, Steering Lock, Theft Deterrent And Wireless Door Lock Control - Wiring Diagram (8 Of 20)
G08939598Courtesy of © TOYOTA, LICENSE AGREEMENT TMS1002
Fig 9: Engine Immobiliser System, Smart Access System With Push-Button Start, Starting, Steering Lock, Theft Deterrent And Wireless Door Lock Control - Wiring Diagram (9 Of 20)
G08939599Courtesy of © TOYOTA, LICENSE AGREEMENT TMS1002
Fig 10: Engine Immobiliser System, Smart Access System With Push-Button Start, Starting, Steering Lock, Theft Deterrent And Wireless Door Lock Control - Wiring Diagram (10 Of 20)
G08939600Courtesy of © TOYOTA, LICENSE AGREEMENT TMS1002
Fig 11: Engine Immobiliser System, Smart Access System With Push-Button Start, Starting, Steering Lock, Theft Deterrent And Wireless Door Lock Control - Wiring Diagram (11 Of 20)
G08939601Courtesy of © TOYOTA, LICENSE AGREEMENT TMS1002
Fig 12: Engine Immobiliser System, Smart Access System With Push-Button Start, Starting, Steering Lock, Theft Deterrent And Wireless Door Lock Control - Wiring Diagram (12 Of 20)
G08939602Courtesy of © TOYOTA, LICENSE AGREEMENT TMS1002
Fig 13: Engine Immobiliser System, Smart Access System With Push-Button Start, Starting, Steering Lock, Theft Deterrent And Wireless Door Lock Control - Wiring Diagram (13 Of 20)
G08939603Courtesy of © TOYOTA, LICENSE AGREEMENT TMS1002
Fig 14: Engine Immobiliser System, Smart Access System With Push-Button Start, Starting, Steering Lock, Theft Deterrent And Wireless Door Lock Control - Wiring Diagram (14 Of 20)
G08939604Courtesy of © TOYOTA, LICENSE AGREEMENT TMS1002
Fig 15: Engine Immobiliser System, Smart Access System With Push-Button Start, Starting, Steering Lock, Theft Deterrent And Wireless Door Lock Control - Wiring Diagram (15 Of 20)
G08939605Courtesy of © TOYOTA, LICENSE AGREEMENT TMS1002
Fig 16: Engine Immobiliser System, Smart Access System With Push-Button Start, Starting, Steering Lock, Theft Deterrent And Wireless Door Lock Control - Wiring Diagram (16 Of 20)
G08939606Courtesy of © TOYOTA, LICENSE AGREEMENT TMS1002
Fig 17: Engine Immobiliser System, Smart Access System With Push-Button Start, Starting, Steering Lock, Theft Deterrent And Wireless Door Lock Control - Wiring Diagram (17 Of 20)
G08939607Courtesy of © TOYOTA, LICENSE AGREEMENT TMS1002
Fig 18: Engine Immobiliser System, Smart Access System With Push-Button Start, Starting, Steering Lock, Theft Deterrent And Wireless Door Lock Control - Wiring Diagram (18 Of 20)
G08939608Courtesy of © TOYOTA, LICENSE AGREEMENT TMS1002
Fig 19: Engine Immobiliser System, Smart Access System With Push-Button Start, Starting, Steering Lock, Theft Deterrent And Wireless Door Lock Control - Wiring Diagram (19 Of 20)
G08939609Courtesy of © TOYOTA, LICENSE AGREEMENT TMS1002
Fig 20: Engine Immobiliser System, Smart Access System With Push-Button Start, Starting, Steering Lock, Theft Deterrent And Wireless Door Lock Control - Wiring Diagram (20 Of 20)
G08939610Courtesy of © TOYOTA, LICENSE AGREEMENT TMS1002