LEMON Manuals: Even more car manuals for everyone
Home >> Lexus >> 2012 >> IS F >> Repair and Diagnosis (Single Page) >> Body & Frame >> Seats >> Front Power Seat Control System (Diagnostics & Circuit Tests) >> Front Power Seat Control System >> Circuit Tests >> Front Passenger Side Seat Memory Switch Circuit >> Wiring Diagram

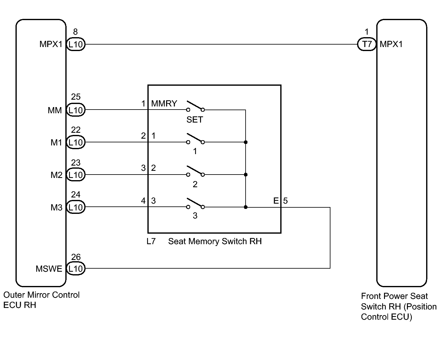
Front Passenger Side Seat Memory Switch Circuit: Wiring Diagram

Fig 1: Identifying Front Passenger Side Seat Memory Switch Wiring Diagram
GTY115033Courtesy of © TOYOTA, LICENSE AGREEMENT TMS1002