LEMON Manuals: Even more car manuals for everyone
Home >> Lexus >> 2012 >> IS F >> Repair and Diagnosis (Single Page) >> Body & Frame >> Seats >> Front Power Seat Control System (Diagnostics & Circuit Tests) >> Front Power Seat Control System >> Circuit Tests >> Driver Side ECU Power Source Circuit >> Wiring Diagram

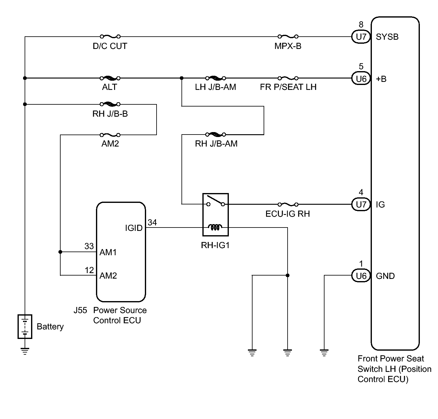
Driver Side ECU Power Source Circuit: Wiring Diagram

Fig 1: Identifying Driver Side ECU Power Source Wiring Diagram
GTY115034Courtesy of © TOYOTA, LICENSE AGREEMENT TMS1002