LEMON Manuals: Even more car manuals for everyone
Home >> Lexus >> 2012 >> IS F >> Repair and Diagnosis (Single Page) >> Accessories & Equipment >> Entertainment Systems >> Audio / Video System (W/O Navigation Display) (W/O Multi-Display) (Diagnostics & Symptom Tests) >> AUDIO AND VISUAL SYSTEM (w/o Navigation System without Multi-display) >> Circuit Tests >> Speaker Circuit >> Wiring Diagram

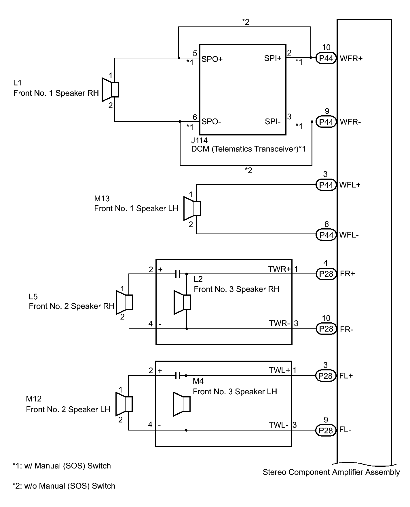
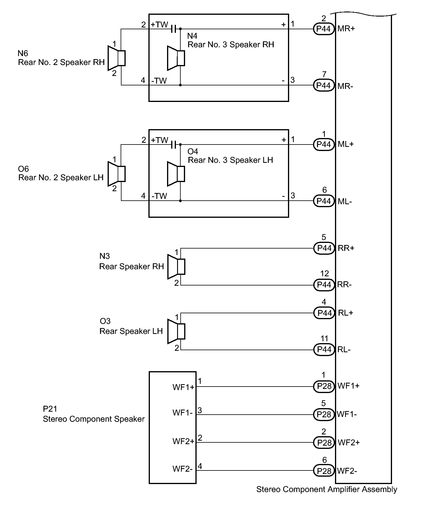
Speaker Circuit: Wiring Diagram

Fig 1: View Of Speaker Output Wiring Diagram (1 Of 2)
GTY267979Courtesy of © TOYOTA, LICENSE AGREEMENT TMS1002
Fig 2: View Of Speaker Output Wiring Diagram (2 Of 2)
GTY263834Courtesy of © TOYOTA, LICENSE AGREEMENT TMS1002