LEMON Manuals: Even more car manuals for everyone
Home >> Lexus >> 2012 >> IS 350C >> Repair and Diagnosis (Single Page) >> Electrical >> Body Electrical >> OEM System Circuits >> Remote Control Mirror (w/Seat Position Memory) >> Notes

Remote Control Mirror (w/Seat Position Memory): Notes

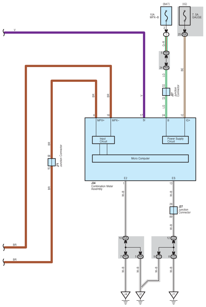
Fig 1: Remote Control Mirror (W/ Seat Position Memory) - Wiring Diagram (1 Of 8)
G08938877Courtesy of © TOYOTA, LICENSE AGREEMENT TMS1002
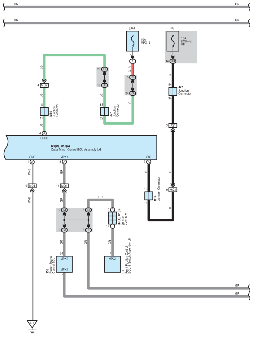
Fig 2: Remote Control Mirror (W/ Seat Position Memory) - Wiring Diagram (2 Of 8)
G08938878Courtesy of © TOYOTA, LICENSE AGREEMENT TMS1002
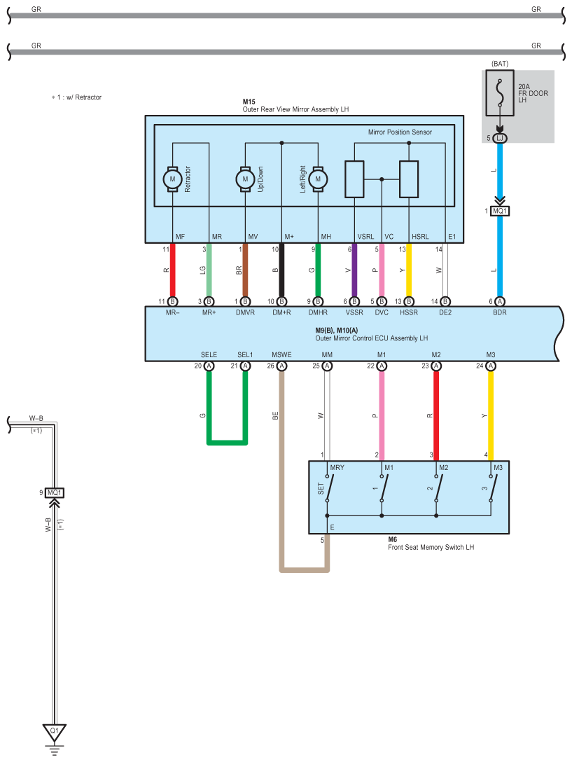
Fig 3: Remote Control Mirror (W/ Seat Position Memory) - Wiring Diagram (3 Of 8)
G08938879Courtesy of © TOYOTA, LICENSE AGREEMENT TMS1002
Fig 4: Remote Control Mirror (W/ Seat Position Memory) - Wiring Diagram (4 Of 8)
G08938880Courtesy of © TOYOTA, LICENSE AGREEMENT TMS1002
Fig 5: Remote Control Mirror (W/ Seat Position Memory) - Wiring Diagram (5 Of 8)
G08938881Courtesy of © TOYOTA, LICENSE AGREEMENT TMS1002
Fig 6: Remote Control Mirror (W/ Seat Position Memory) - Wiring Diagram (6 Of 8)
G08938882Courtesy of © TOYOTA, LICENSE AGREEMENT TMS1002
Fig 7: Remote Control Mirror (W/ Seat Position Memory) - Wiring Diagram (7 Of 8)
G08938883Courtesy of © TOYOTA, LICENSE AGREEMENT TMS1002
Fig 8: Remote Control Mirror (W/ Seat Position Memory) - Wiring Diagram (8 Of 8)
G08938884Courtesy of © TOYOTA, LICENSE AGREEMENT TMS1002