LEMON Manuals: Even more car manuals for everyone
Home >> Lexus >> 2012 >> IS 350C >> Repair and Diagnosis (Single Page) >> Electrical >> Body Electrical >> OEM System Circuits >> Headlight Beam Level Control >> Notes

Headlight Beam Level Control: Notes

Fig 1: Headlight Beam Level Control - Wiring Diagram (1 Of 8)
G08938684Courtesy of © TOYOTA, LICENSE AGREEMENT TMS1002
Fig 2: Headlight Beam Level Control - Wiring Diagram (2 Of 8)
G08938685Courtesy of © TOYOTA, LICENSE AGREEMENT TMS1002
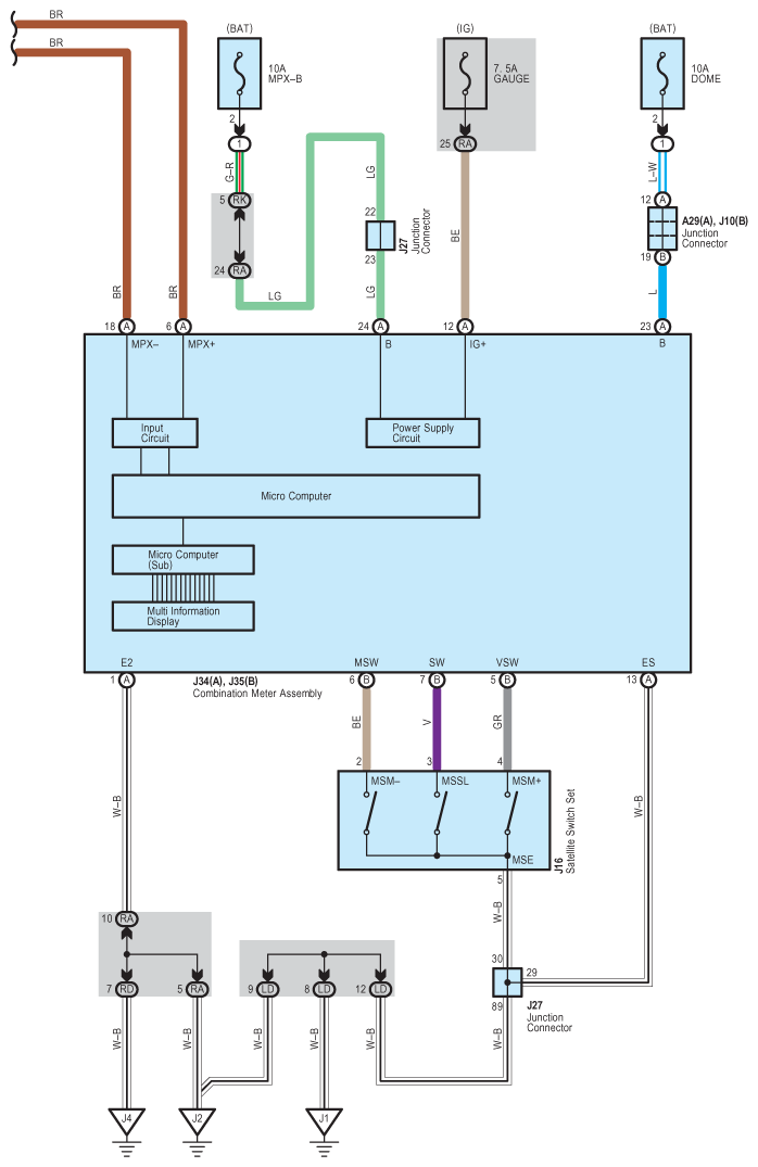
Fig 3: Headlight Beam Level Control - Wiring Diagram (3 Of 8)
G08938686Courtesy of © TOYOTA, LICENSE AGREEMENT TMS1002
Fig 4: Headlight Beam Level Control - Wiring Diagram (4 Of 8)
G08938687Courtesy of © TOYOTA, LICENSE AGREEMENT TMS1002
Fig 5: Headlight Beam Level Control - Wiring Diagram (5 Of 8)
G08938688Courtesy of © TOYOTA, LICENSE AGREEMENT TMS1002
Fig 6: Headlight Beam Level Control - Wiring Diagram (6 Of 8)
G08938689Courtesy of © TOYOTA, LICENSE AGREEMENT TMS1002
Fig 7: Headlight Beam Level Control - Wiring Diagram (7 Of 8)
G08938690Courtesy of © TOYOTA, LICENSE AGREEMENT TMS1002
Fig 8: Headlight Beam Level Control - Wiring Diagram (8 Of 8)
G08938691Courtesy of © TOYOTA, LICENSE AGREEMENT TMS1002