LEMON Manuals: Even more car manuals for everyone
Home >> Lexus >> 2012 >> IS 350C >> Repair and Diagnosis (Single Page) >> Electrical >> Body Electrical >> OEM System Circuits >> Audio System (w/LEXUS Navigation System), LEXUS Navigation System and Parking Assist (Rear View Monitor) >> Notes

Audio System (w/LEXUS Navigation System), LEXUS Navigation System and Parking Assist (Rear View Monitor): Notes

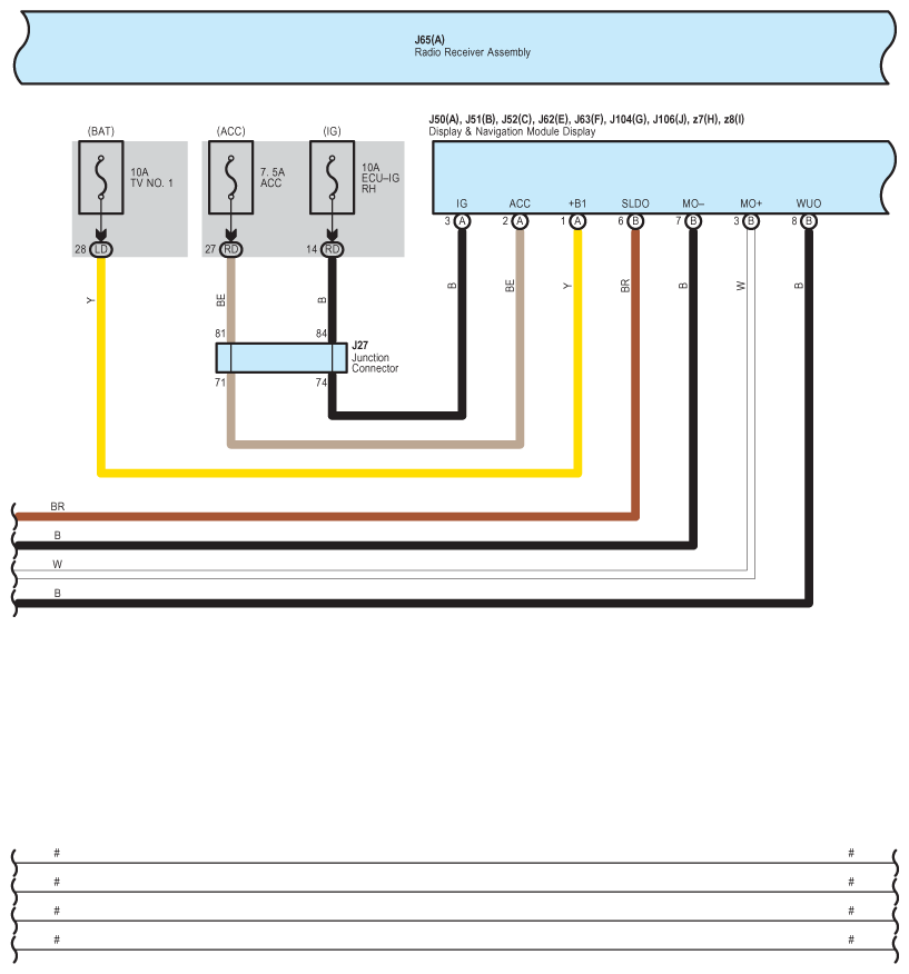
Fig 1: Audio System (W/ LEXUS Navigation System), LEXUS Navigation System And Parking Assist (Rear View Monitor) - Wiring Diagram (1 Of 16)
G08938899Courtesy of © TOYOTA, LICENSE AGREEMENT TMS1002
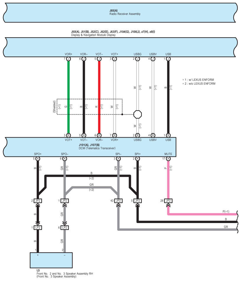
Fig 2: Audio System (W/ LEXUS Navigation System), LEXUS Navigation System And Parking Assist (Rear View Monitor) - Wiring Diagram (2 Of 16)
G08938900Courtesy of © TOYOTA, LICENSE AGREEMENT TMS1002
Fig 3: Audio System (W/ LEXUS Navigation System), LEXUS Navigation System And Parking Assist (Rear View Monitor) - Wiring Diagram (3 Of 16)
G08938901Courtesy of © TOYOTA, LICENSE AGREEMENT TMS1002
Fig 4: Audio System (W/ LEXUS Navigation System), LEXUS Navigation System And Parking Assist (Rear View Monitor) - Wiring Diagram (4 Of 16)
G08938902Courtesy of © TOYOTA, LICENSE AGREEMENT TMS1002
Fig 5: Audio System (W/ LEXUS Navigation System), LEXUS Navigation System And Parking Assist (Rear View Monitor) - Wiring Diagram (5 Of 16)
G08938903Courtesy of © TOYOTA, LICENSE AGREEMENT TMS1002
Fig 6: Audio System (W/ LEXUS Navigation System), LEXUS Navigation System And Parking Assist (Rear View Monitor) - Wiring Diagram (6 Of 16)
G08938904Courtesy of © TOYOTA, LICENSE AGREEMENT TMS1002
Fig 7: Audio System (W/ LEXUS Navigation System), LEXUS Navigation System And Parking Assist (Rear View Monitor) - Wiring Diagram (7 Of 16)
G08938905Courtesy of © TOYOTA, LICENSE AGREEMENT TMS1002
Fig 8: Audio System (W/ LEXUS Navigation System), LEXUS Navigation System And Parking Assist (Rear View Monitor) - Wiring Diagram (8 Of 16)
G08938906Courtesy of © TOYOTA, LICENSE AGREEMENT TMS1002
Fig 9: Audio System (W/ LEXUS Navigation System), LEXUS Navigation System And Parking Assist (Rear View Monitor) - Wiring Diagram (9 Of 16)
G08938907Courtesy of © TOYOTA, LICENSE AGREEMENT TMS1002
Fig 10: Audio System (W/ LEXUS Navigation System), LEXUS Navigation System And Parking Assist (Rear View Monitor) - Wiring Diagram (10 Of 16)
G08938908Courtesy of © TOYOTA, LICENSE AGREEMENT TMS1002
Fig 11: Audio System (W/ LEXUS Navigation System), LEXUS Navigation System And Parking Assist (Rear View Monitor) - Wiring Diagram (11 Of 16)
G08938909Courtesy of © TOYOTA, LICENSE AGREEMENT TMS1002
Fig 12: Audio System (W/ LEXUS Navigation System), LEXUS Navigation System And Parking Assist (Rear View Monitor) - Wiring Diagram (12 Of 16)
G08938910Courtesy of © TOYOTA, LICENSE AGREEMENT TMS1002
Fig 13: Audio System (W/ LEXUS Navigation System), LEXUS Navigation System And Parking Assist (Rear View Monitor) - Wiring Diagram (13 Of 16)
G08938911Courtesy of © TOYOTA, LICENSE AGREEMENT TMS1002
Fig 14: Audio System (W/ LEXUS Navigation System), LEXUS Navigation System And Parking Assist (Rear View Monitor) - Wiring Diagram (14 Of 16)
G08938912Courtesy of © TOYOTA, LICENSE AGREEMENT TMS1002
Fig 15: Audio System (W/ LEXUS Navigation System), LEXUS Navigation System And Parking Assist (Rear View Monitor) - Wiring Diagram (15 Of 16)
G08938913Courtesy of © TOYOTA, LICENSE AGREEMENT TMS1002
Fig 16: Audio System (W/ LEXUS Navigation System), LEXUS Navigation System And Parking Assist (Rear View Monitor) - Wiring Diagram (16 Of 16)
G08938914Courtesy of © TOYOTA, LICENSE AGREEMENT TMS1002