LEMON Manuals: Even more car manuals for everyone
Home >> Lexus >> 2012 >> IS 350C >> Repair and Diagnosis (Single Page) >> Accessories & Equipment >> Entertainment Systems >> Audio / Video System (W/O Navigation & Multi-Display) (Diagnostic Codes & Symptom Tests) >> AUDIO AND VISUAL SYSTEM (w/o Navigation System without Multi-display) >> Circuit Tests >> Radio Receiver Power Source Circuit >> Wiring Diagram

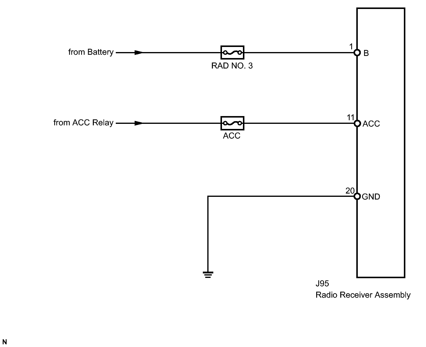
Radio Receiver Power Source Circuit: Wiring Diagram

Fig 1: Radio Receiver Power Source Circuit Wiring Diagram
GTY278809Courtesy of © TOYOTA, LICENSE AGREEMENT TMS1002