LEMON Manuals: Even more car manuals for everyone
Home >> Lexus >> 2012 >> IS 350 Base, AWD >> Repair and Diagnosis (Single Page) >> Electrical >> Body Electrical >> OEM System Circuits >> Power Source >> Notes

Power Source: Notes

Fig 1: Power Source - Wiring Diagram (1 Of 5)
G08935360Courtesy of © TOYOTA, LICENSE AGREEMENT TMS1002
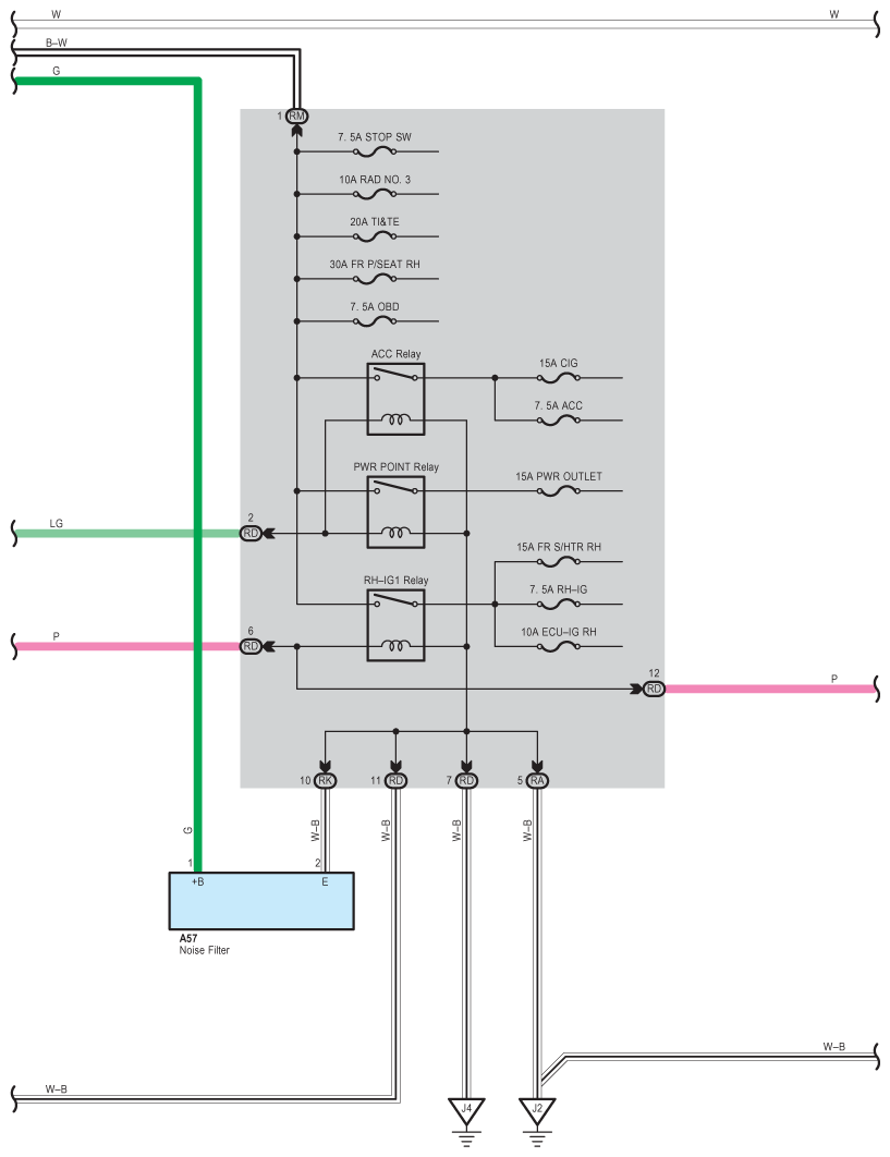
Fig 2: Power Source - Wiring Diagram (2 Of 5)
G08935361Courtesy of © TOYOTA, LICENSE AGREEMENT TMS1002
Fig 3: Power Source - Wiring Diagram (3 Of 5)
G08935362Courtesy of © TOYOTA, LICENSE AGREEMENT TMS1002
Fig 4: Power Source - Wiring Diagram (4 Of 5)
G08935363Courtesy of © TOYOTA, LICENSE AGREEMENT TMS1002
Fig 5: Power Source - Wiring Diagram (5 Of 5)
G08935364Courtesy of © TOYOTA, LICENSE AGREEMENT TMS1002