LEMON Manuals: Even more car manuals for everyone
Home >> Lexus >> 2012 >> IS 350 Base, AWD >> Repair and Diagnosis (Single Page) >> Electrical >> Body Electrical >> OEM System Circuits >> Front Fog Light >> Notes

Front Fog Light: Notes

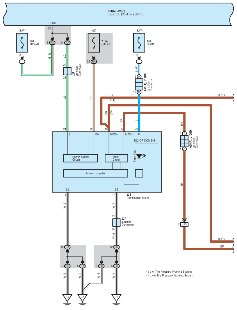
Fig 1: Front Fog Light - Wiring Diagram (1 Of 5)
G08935476Courtesy of © TOYOTA, LICENSE AGREEMENT TMS1002
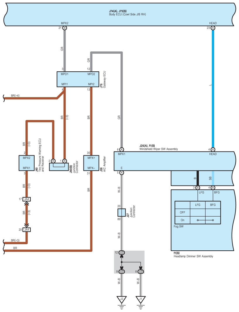
Fig 2: Front Fog Light - Wiring Diagram (2 Of 5)
G08935477Courtesy of © TOYOTA, LICENSE AGREEMENT TMS1002
Fig 3: Front Fog Light - Wiring Diagram (3 Of 5)
G08935478Courtesy of © TOYOTA, LICENSE AGREEMENT TMS1002
Fig 4: Front Fog Light - Wiring Diagram (4 Of 5)
G08935479Courtesy of © TOYOTA, LICENSE AGREEMENT TMS1002
Fig 5: Front Fog Light - Wiring Diagram (5 Of 5)
G08935480Courtesy of © TOYOTA, LICENSE AGREEMENT TMS1002