LEMON Manuals: Even more car manuals for everyone
Home >> Lexus >> 2012 >> IS 250C Automatic Trans >> Repair and Diagnosis >> Engine Performance >> System >> Engine Control System (4GR-FSE) (Diagnostics - Introduction) >> SFI System >> System Diagram >> System Diagram

System Diagram

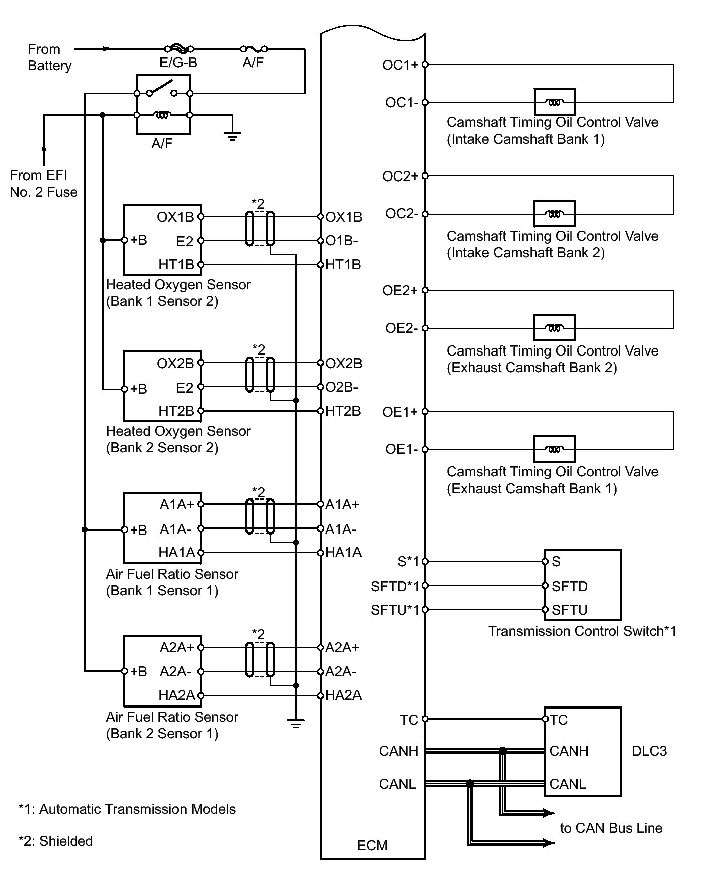
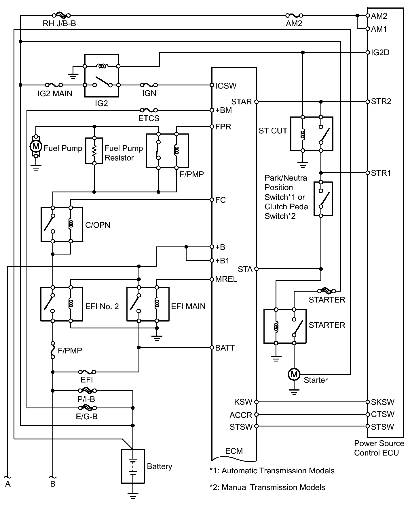
Fig 1: Identifying SFI System Wiring Diagram (1 Of 5)
GTY268190Courtesy of © TOYOTA, LICENSE AGREEMENT TMS1002
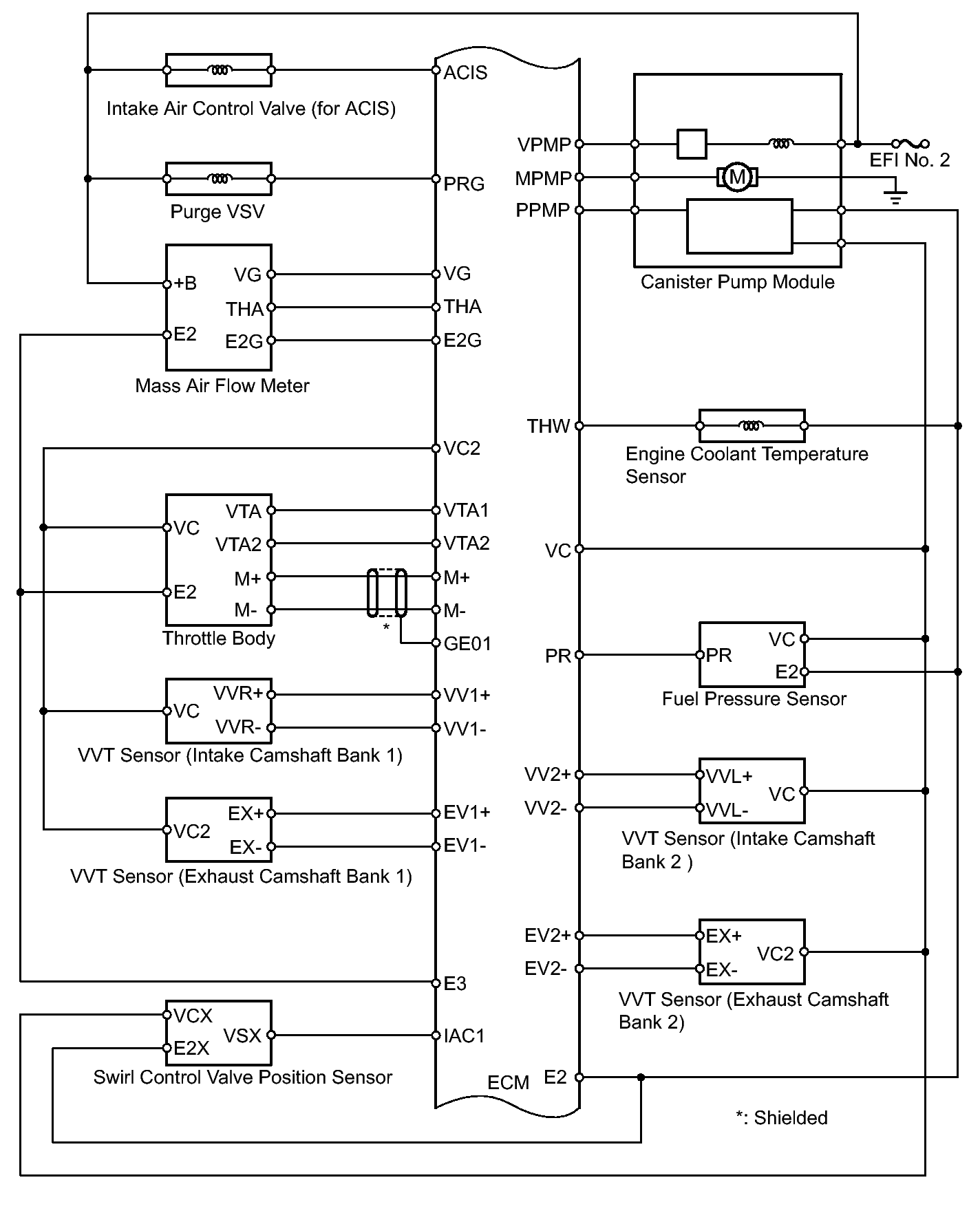
Fig 2: Identifying SFI System Wiring Diagram (2 Of 5)
GTY394590Courtesy of © TOYOTA, LICENSE AGREEMENT TMS1002
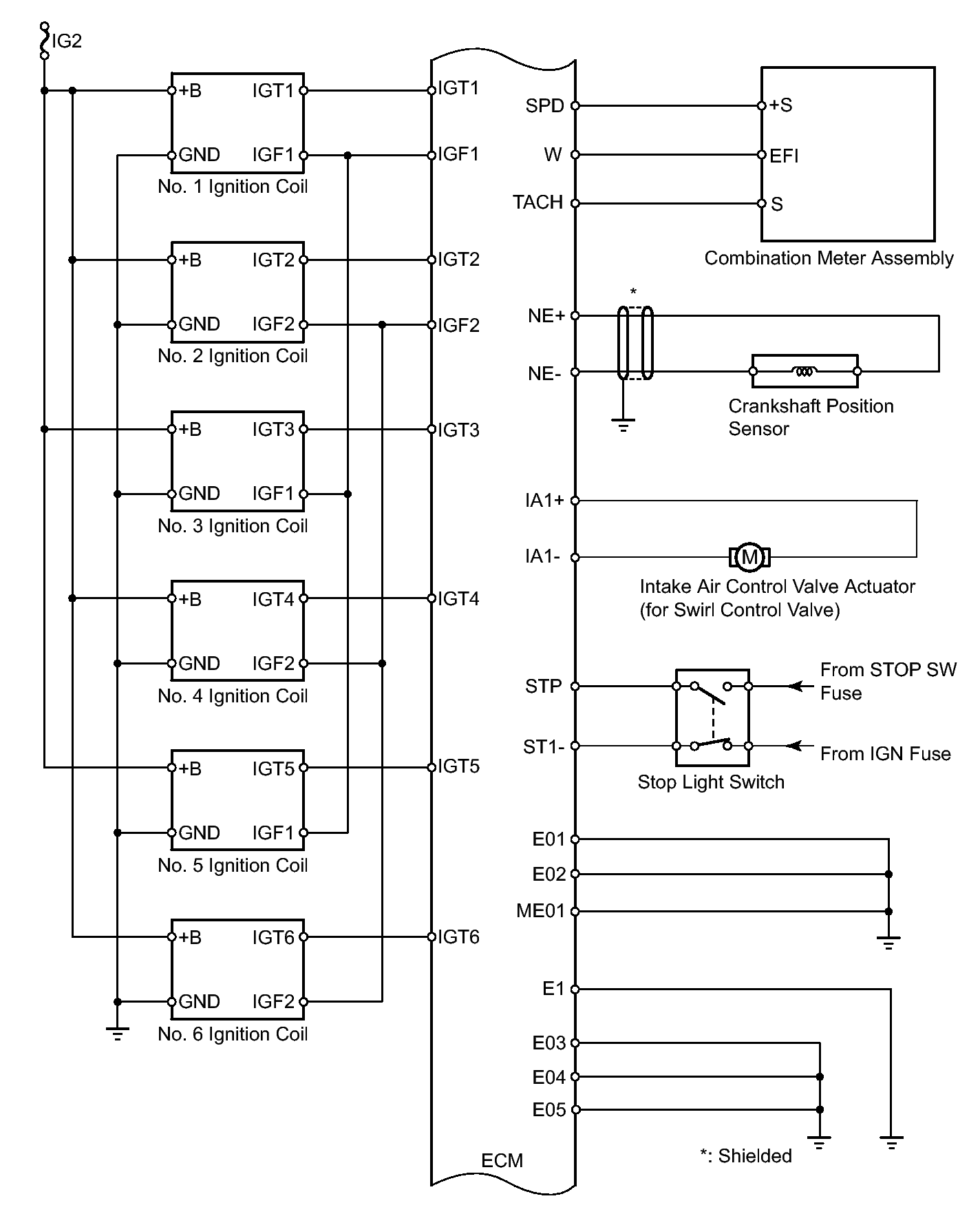
Fig 3: Identifying SFI System Wiring Diagram (3 Of 5)
GTY393987Courtesy of © TOYOTA, LICENSE AGREEMENT TMS1002
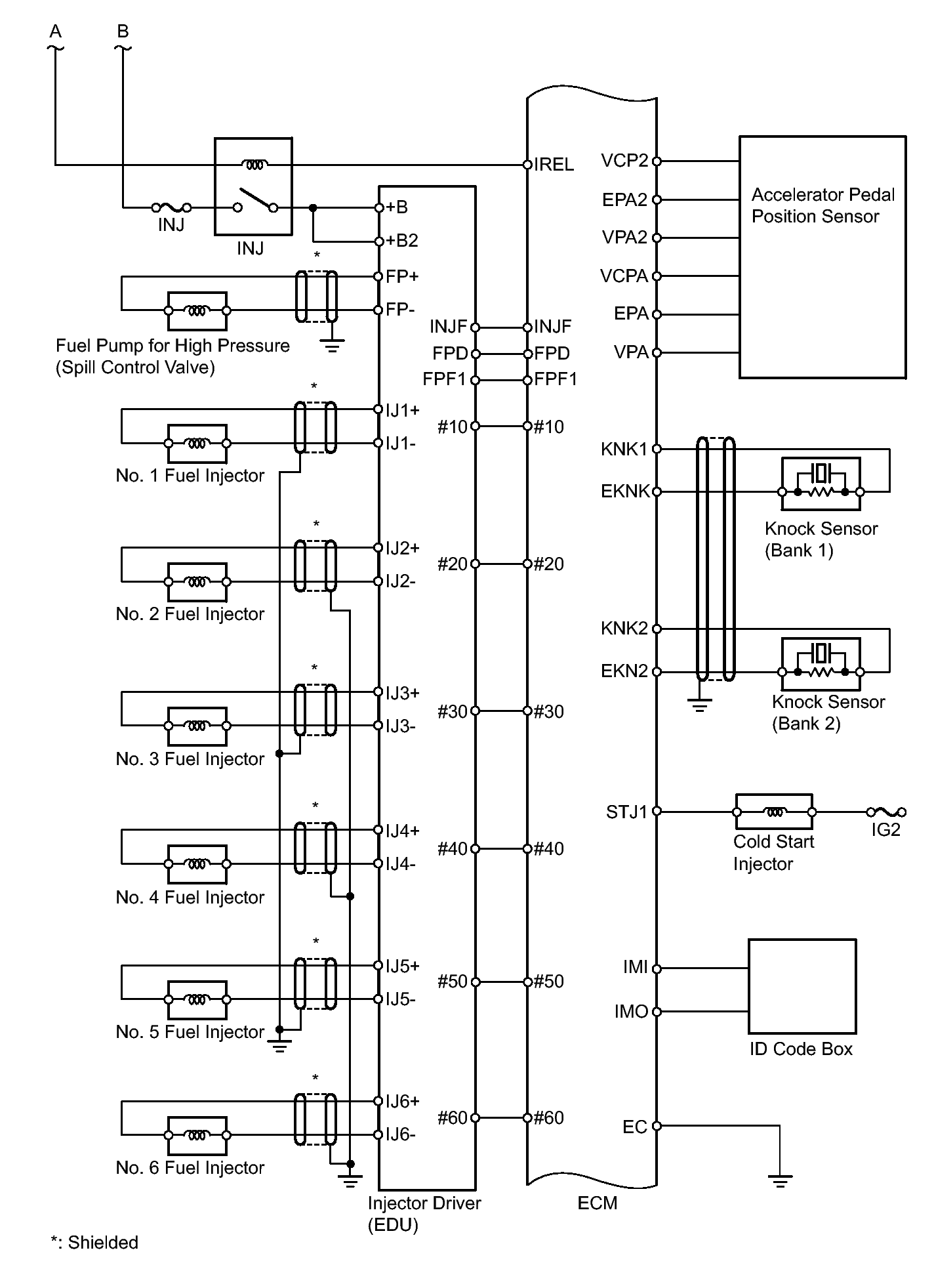
Fig 4: Identifying SFI System Wiring Diagram (4 Of 5)
GTY394018Courtesy of © TOYOTA, LICENSE AGREEMENT TMS1002
Fig 5: Identifying SFI System Wiring Diagram (5 Of 5)
GTY394117Courtesy of © TOYOTA, LICENSE AGREEMENT TMS1002