LEMON Manuals: Even more car manuals for everyone
Home >> Lexus >> 2012 >> IS 250C Automatic Trans >> Repair and Diagnosis >> Electrical >> Starter >> Smart Access System With Push-Button Start (For Start Function) (Diagnostic Codes & Symptom Tests) >> SMART ACCESS SYSTEM WITH PUSH-BUTTON START (for Start Function) >> Symptom Tests >> Engine does not Start >> Description

Engine does not Start: Description

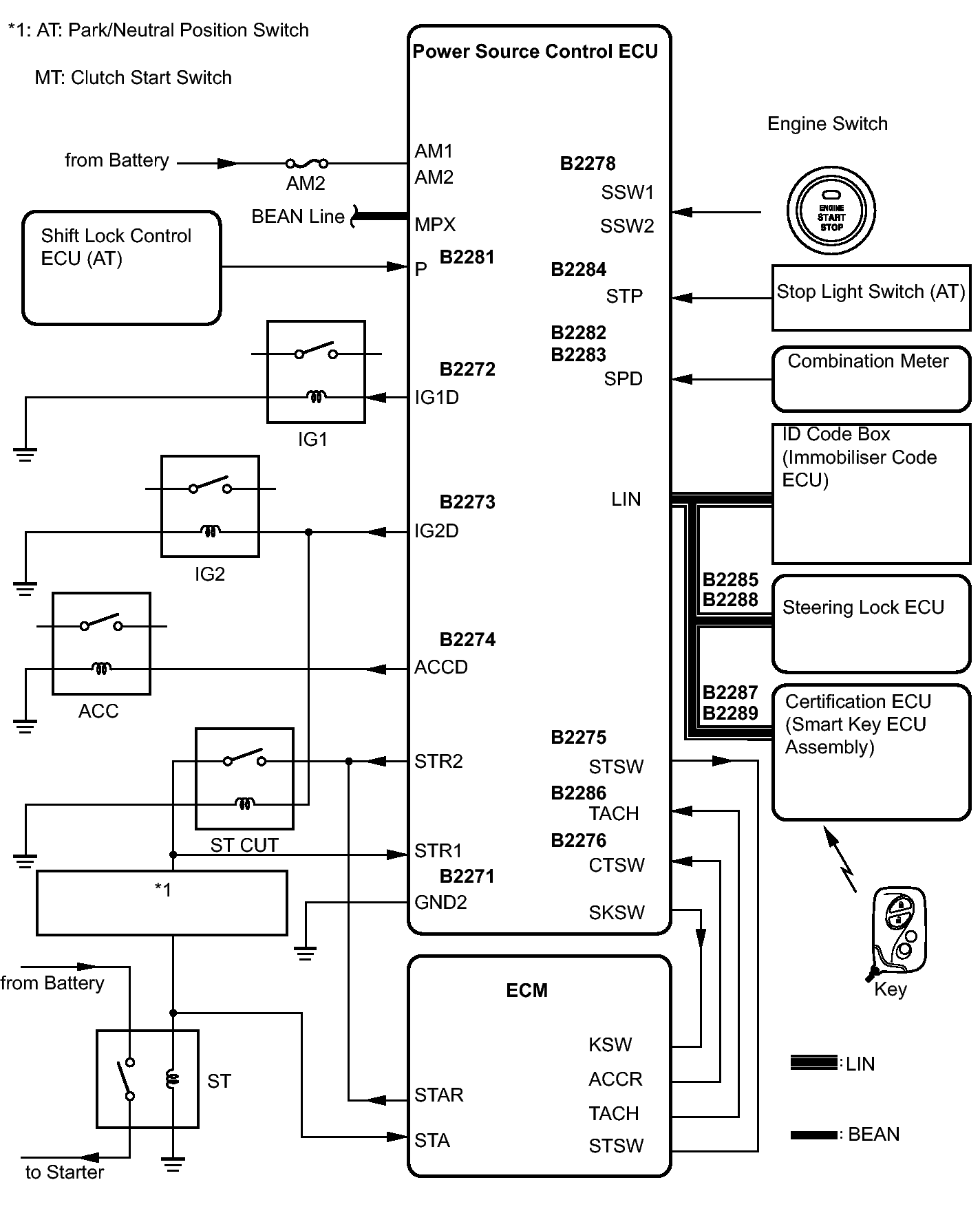
  1. ENGINE START SYSTEM FUNCTION 
    1. for AT:

      If the engine switch is pressed with the shift lever in P or N and the brake pedal depressed, the power source control ECU determines that it is an engine start request.

      for MT:

      If the engine switch is pressed with the clutch pedal depressed, the power source control ECU determines that it is an engine start request.

    2. The certification ECU (smart key ECU assembly) and other ECUs perform key verification via the LIN communication line.
    3. The power source control ECU activates the ACC relay.
    4. The power source control ECU activates the IG1 and IG2 relays.
    5. The certification ECU (smart key ECU assembly) outputs a steering UNLOCK signal. The signal is sent to the power source control ECU via the steering lock ECU.
    6. The power source control ECU sends an engine start request signal to the ECM.
    7. The ECM sends an ACC cut request signal to the power source control ECU.
    8. The ECM and power source control ECU activate the starter relay.
    9. The power source control ECU deactivates the ACC relay until the power source control ECU detects an engine start.
    Fig 1: Power Source Control ECU Flow Diagram
    GTY267697Courtesy of © TOYOTA, LICENSE AGREEMENT TMS1002