LEMON Manuals: Even more car manuals for everyone
Home >> Lexus >> 2012 >> IS 250C Automatic Trans >> Repair and Diagnosis (Single Page) >> Electrical >> Body Electrical >> OEM System Circuits >> Remote Control Mirror (w/o Seat Position Memory) >> Notes

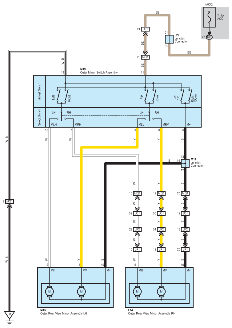
Remote Control Mirror (w/o Seat Position Memory): Notes

Fig 1: Remote Control Mirror (W/O Seat Position Memory) - Wiring Diagram
G08938885Courtesy of © TOYOTA, LICENSE AGREEMENT TMS1002