LEMON Manuals: Even more car manuals for everyone
Home >> Lexus >> 2012 >> IS 250C Automatic Trans >> Repair and Diagnosis (Single Page) >> Electrical >> Body Electrical >> OEM System Circuits >> Door Lock Control >> Notes

Door Lock Control: Notes

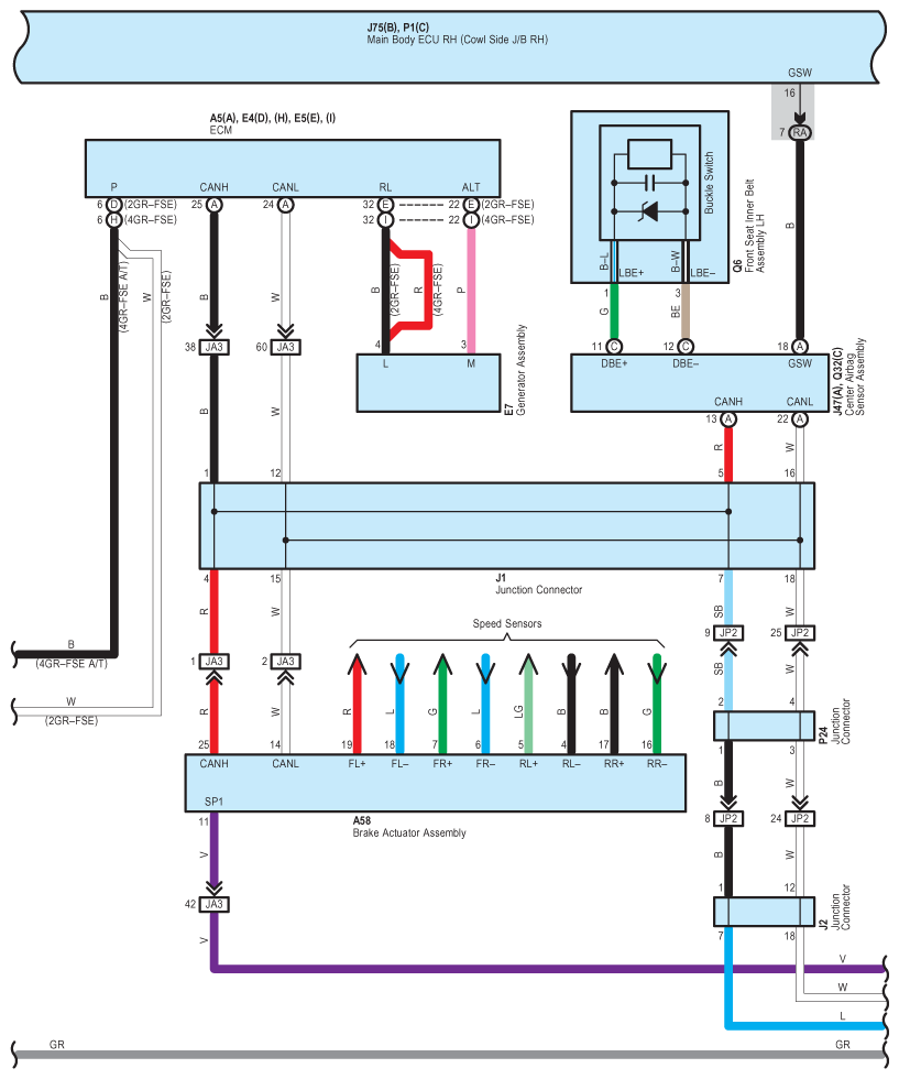
Fig 1: Door Lock Control - Wiring Diagram (1 Of 8)
G08938706Courtesy of © TOYOTA, LICENSE AGREEMENT TMS1002
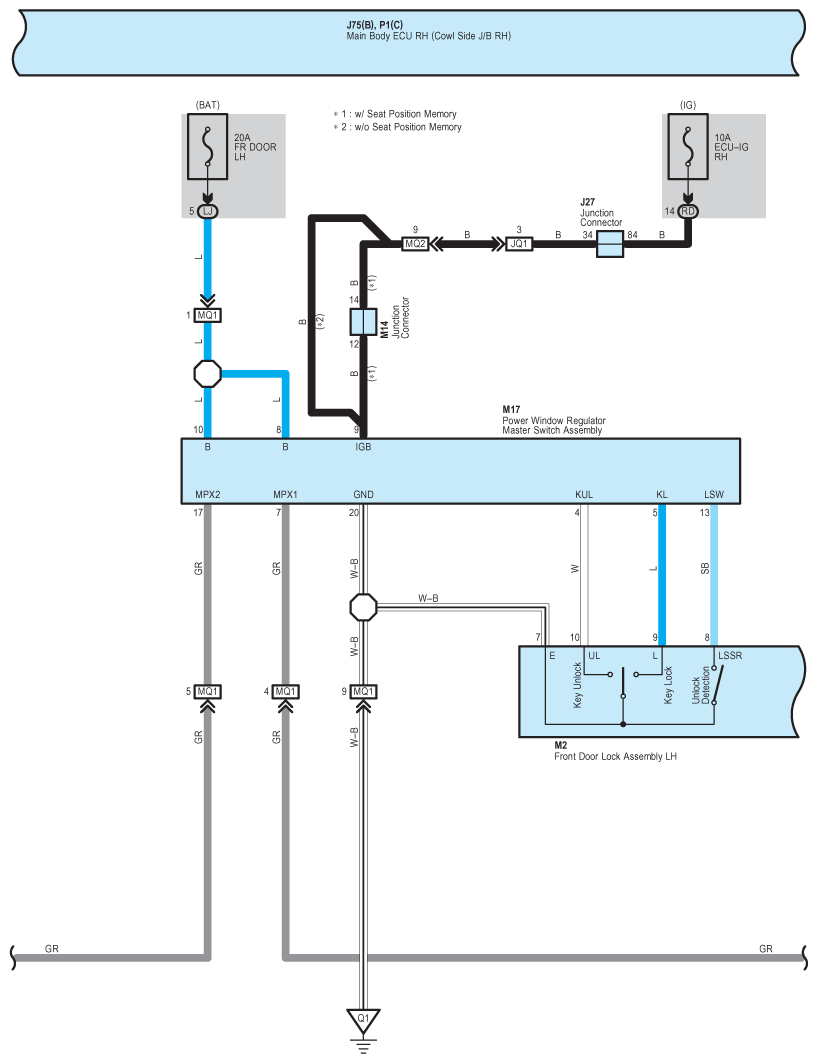
Fig 2: Door Lock Control - Wiring Diagram (2 Of 8)
G08938707Courtesy of © TOYOTA, LICENSE AGREEMENT TMS1002
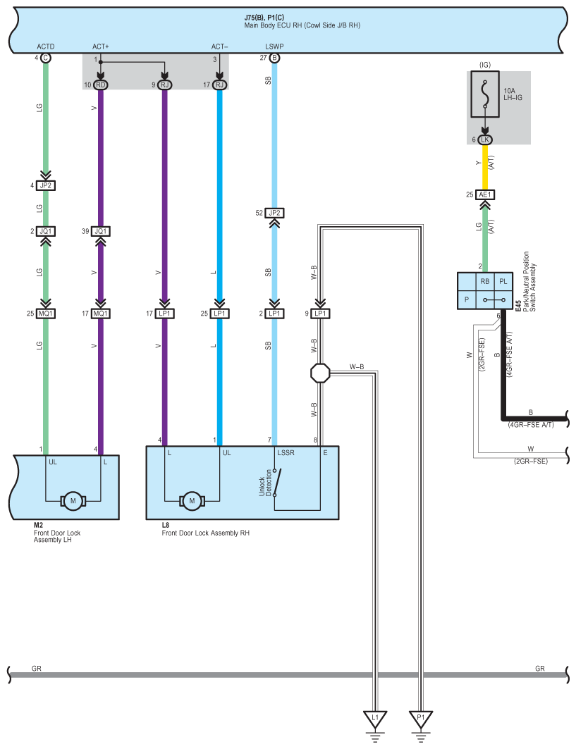
Fig 3: Door Lock Control - Wiring Diagram (3 Of 8)
G08938708Courtesy of © TOYOTA, LICENSE AGREEMENT TMS1002
Fig 4: Door Lock Control - Wiring Diagram (4 Of 8)
G08938709Courtesy of © TOYOTA, LICENSE AGREEMENT TMS1002
Fig 5: Door Lock Control - Wiring Diagram (5 Of 8)
G08938710Courtesy of © TOYOTA, LICENSE AGREEMENT TMS1002
Fig 6: Door Lock Control - Wiring Diagram (6 Of 8)
G08938711Courtesy of © TOYOTA, LICENSE AGREEMENT TMS1002
Fig 7: Door Lock Control - Wiring Diagram (7 Of 8)
G08938712Courtesy of © TOYOTA, LICENSE AGREEMENT TMS1002
Fig 8: Door Lock Control - Wiring Diagram (8 Of 8)
G08938713Courtesy of © TOYOTA, LICENSE AGREEMENT TMS1002