LEMON Manuals: Even more car manuals for everyone
Home >> Lexus >> 2012 >> IS 250C Automatic Trans >> Repair and Diagnosis (Single Page) >> Accessories & Equipment >> Infotainment >> Audio / Video System (W/O Navigation & Multi-Display) (Diagnostic Codes & Symptom Tests) >> AUDIO AND VISUAL SYSTEM (w/o Navigation System without Multi-display) >> Circuit Tests >> Steering Pad Switch Circuit >> Wiring Diagram

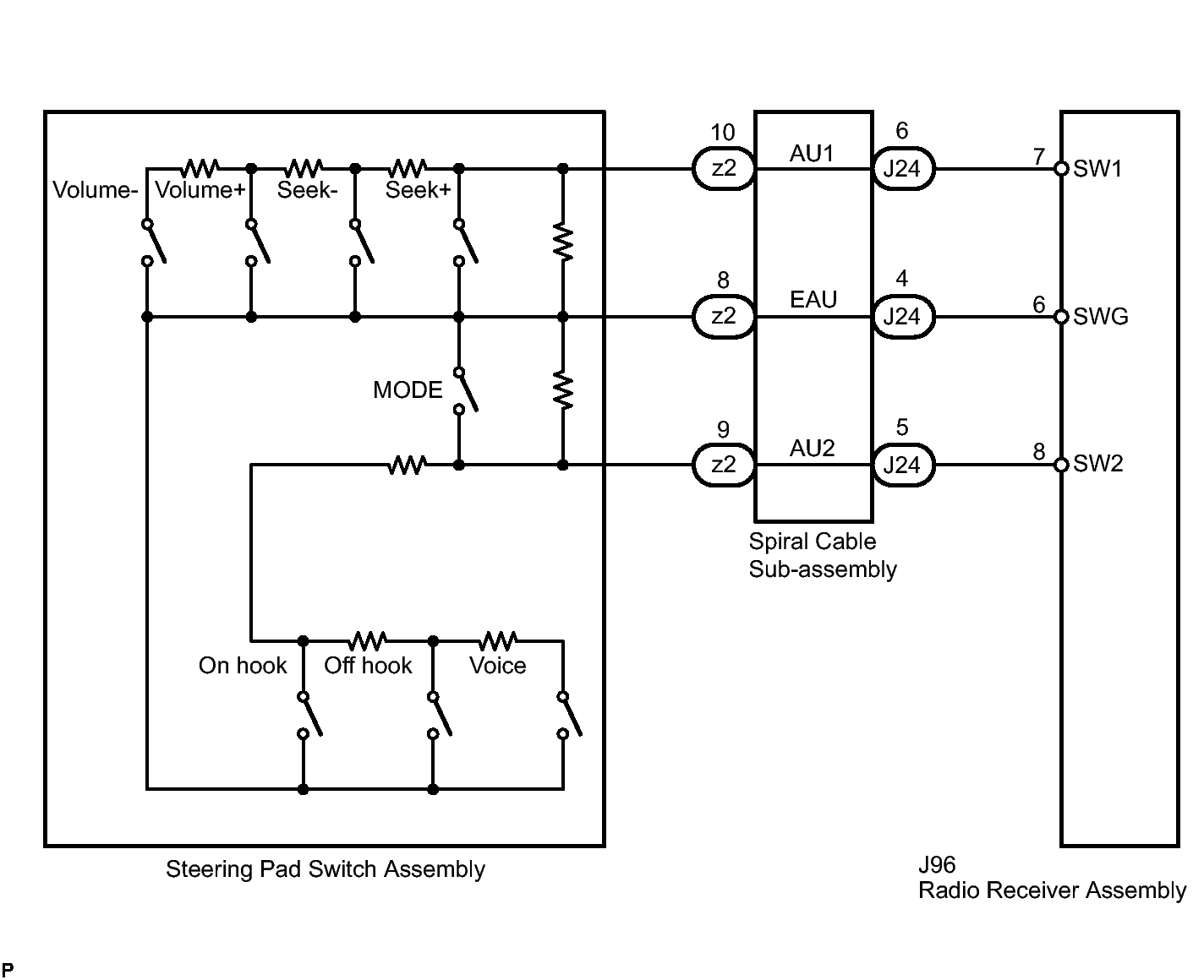
Steering Pad Switch Circuit: Wiring Diagram

Fig 1: Steering Pad Switch Circuit Wiring Diagram
GTY394955Courtesy of © TOYOTA, LICENSE AGREEMENT TMS1002