LEMON Manuals: Even more car manuals for everyone
Home >> Lexus >> 2012 >> IS 250 Base, AWD >> Repair and Diagnosis >> Electrical >> Body Electrical >> OEM System Circuits >> Theft Deterrent >> Notes

Theft Deterrent: Notes

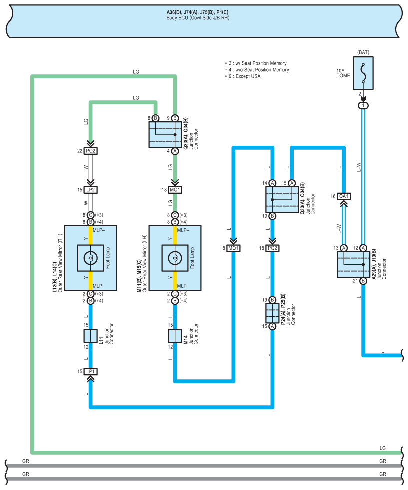
Fig 1: Theft Deterrent - Wiring Diagram (1 Of 13)
G08935518Courtesy of © TOYOTA, LICENSE AGREEMENT TMS1002
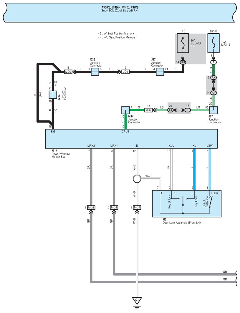
Fig 2: Theft Deterrent - Wiring Diagram (2 Of 13)
G08935519Courtesy of © TOYOTA, LICENSE AGREEMENT TMS1002
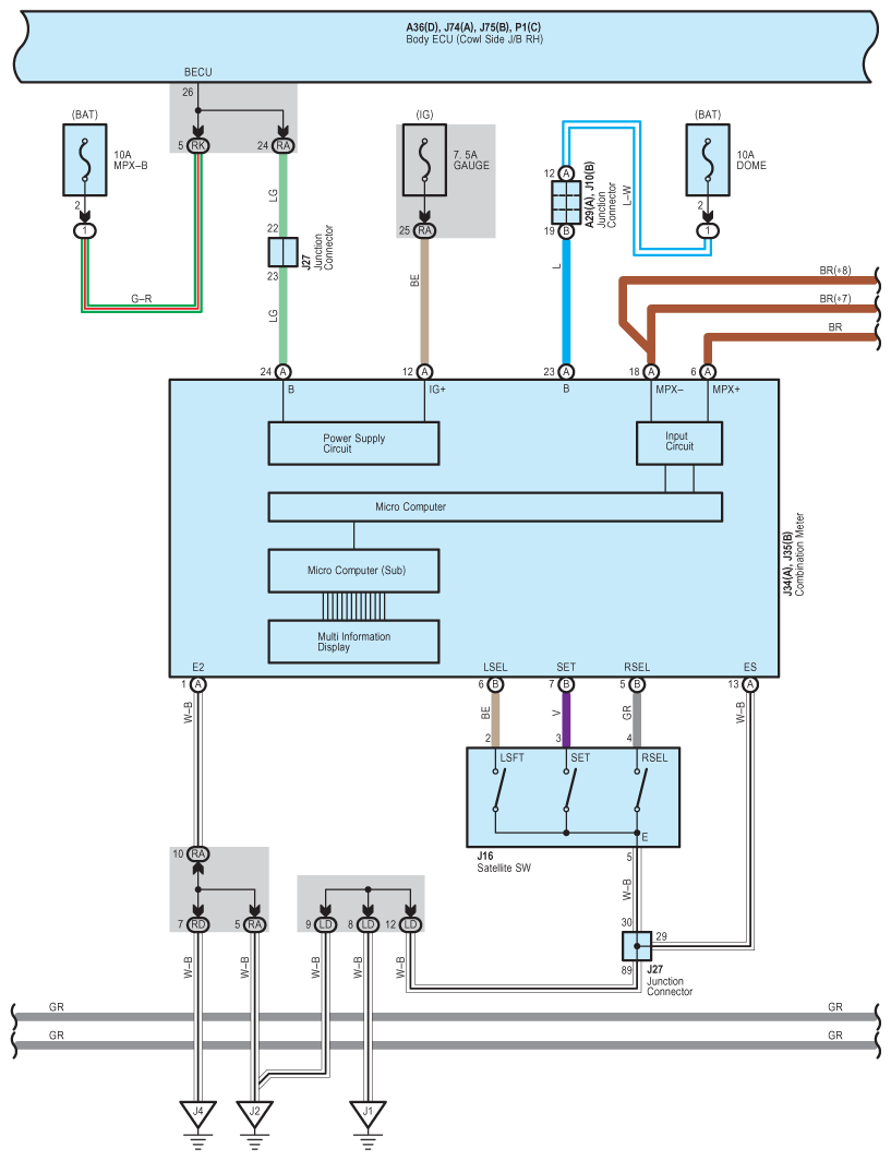
Fig 3: Theft Deterrent - Wiring Diagram (3 Of 13)
G08935520Courtesy of © TOYOTA, LICENSE AGREEMENT TMS1002
Fig 4: Theft Deterrent - Wiring Diagram (4 Of 13)
G08935521Courtesy of © TOYOTA, LICENSE AGREEMENT TMS1002
Fig 5: Theft Deterrent - Wiring Diagram (5 Of 13)
G08935522Courtesy of © TOYOTA, LICENSE AGREEMENT TMS1002
Fig 6: Theft Deterrent - Wiring Diagram (6 Of 13)
G08935523Courtesy of © TOYOTA, LICENSE AGREEMENT TMS1002
Fig 7: Theft Deterrent - Wiring Diagram (7 Of 13)
G08935524Courtesy of © TOYOTA, LICENSE AGREEMENT TMS1002
Fig 8: Theft Deterrent - Wiring Diagram (8 Of 13)
G08935525Courtesy of © TOYOTA, LICENSE AGREEMENT TMS1002
Fig 9: Theft Deterrent - Wiring Diagram (9 Of 13)
G08935526Courtesy of © TOYOTA, LICENSE AGREEMENT TMS1002
Fig 10: Theft Deterrent - Wiring Diagram (10 Of 13)
G08935527Courtesy of © TOYOTA, LICENSE AGREEMENT TMS1002
Fig 11: Theft Deterrent - Wiring Diagram (11 Of 13)
G08935528Courtesy of © TOYOTA, LICENSE AGREEMENT TMS1002
Fig 12: Theft Deterrent - Wiring Diagram (12 Of 13)
G08935529Courtesy of © TOYOTA, LICENSE AGREEMENT TMS1002
Fig 13: Theft Deterrent - Wiring Diagram (13 Of 13)
G08935530Courtesy of © TOYOTA, LICENSE AGREEMENT TMS1002