LEMON Manuals: Even more car manuals for everyone
Home >> Lexus >> 2012 >> IS 250 Base, AWD >> Repair and Diagnosis >> Electrical >> Body Electrical >> OEM System Circuits >> Taillight >> Notes

OEM System Circuits: Taillight: Notes

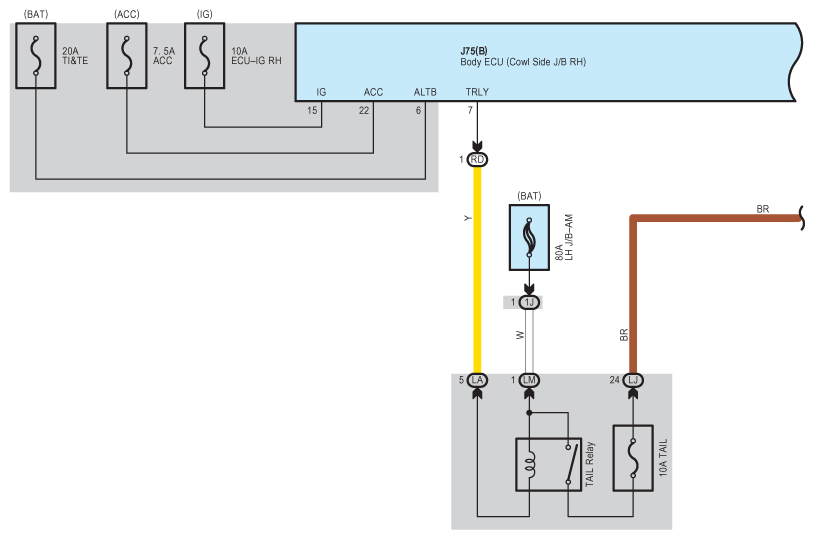
Fig 1: Taillight - Wiring Diagram (1 Of 8)
G08935465Courtesy of © TOYOTA, LICENSE AGREEMENT TMS1002
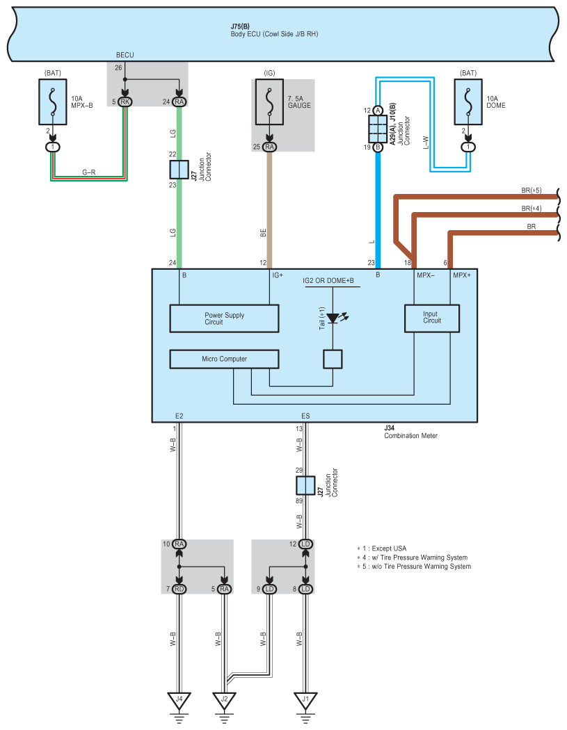
Fig 2: Taillight - Wiring Diagram (2 Of 8)
G08935466Courtesy of © TOYOTA, LICENSE AGREEMENT TMS1002
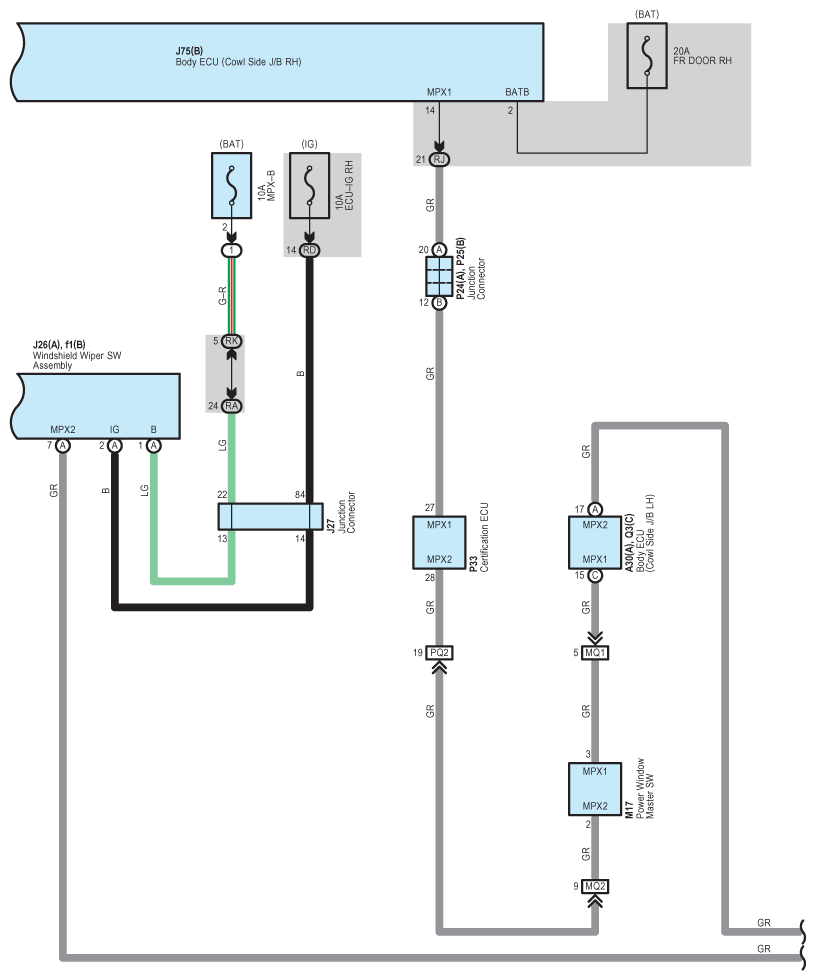
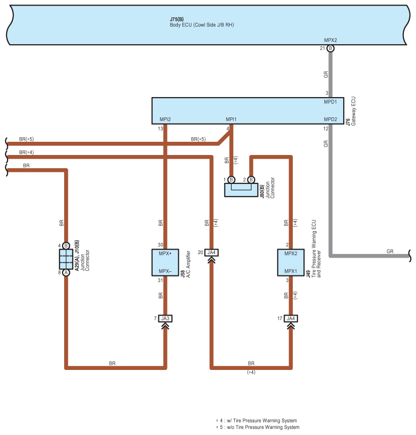
Fig 3: Taillight - Wiring Diagram (3 Of 8)
G08935467Courtesy of © TOYOTA, LICENSE AGREEMENT TMS1002
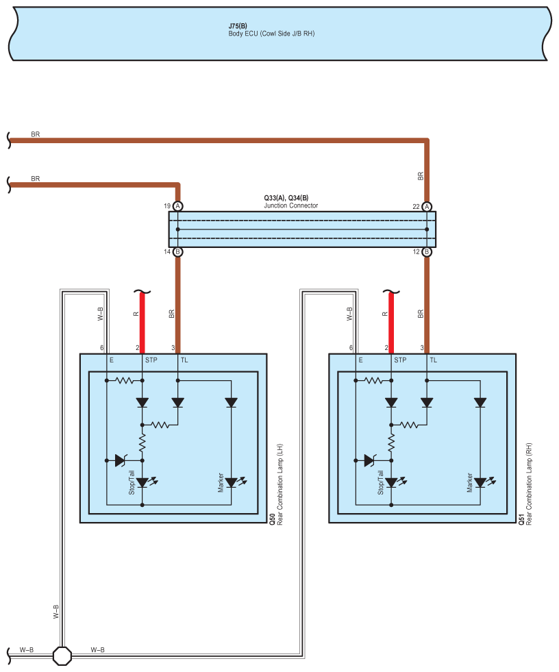
Fig 4: Taillight - Wiring Diagram (4 Of 8)
G08935468Courtesy of © TOYOTA, LICENSE AGREEMENT TMS1002
Fig 5: Taillight - Wiring Diagram (5 Of 8)
G08935469Courtesy of © TOYOTA, LICENSE AGREEMENT TMS1002
Fig 6: Taillight - Wiring Diagram (6 Of 8)
G08935470Courtesy of © TOYOTA, LICENSE AGREEMENT TMS1002
Fig 7: Taillight - Wiring Diagram (7 Of 8)
G08935471Courtesy of © TOYOTA, LICENSE AGREEMENT TMS1002
Fig 8: Taillight - Wiring Diagram (8 Of 8)
G08935472Courtesy of © TOYOTA, LICENSE AGREEMENT TMS1002