LEMON Manuals: Even more car manuals for everyone
Home >> Lexus >> 2012 >> IS 250 Base, AWD >> Repair and Diagnosis >> Electrical >> Body Electrical >> OEM System Circuits >> Sliding Roof >> Notes

Sliding Roof: Notes

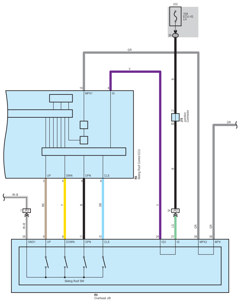
Fig 1: Sliding Roof - Wiring Diagram (1 Of 5)
G08935597Courtesy of © TOYOTA, LICENSE AGREEMENT TMS1002
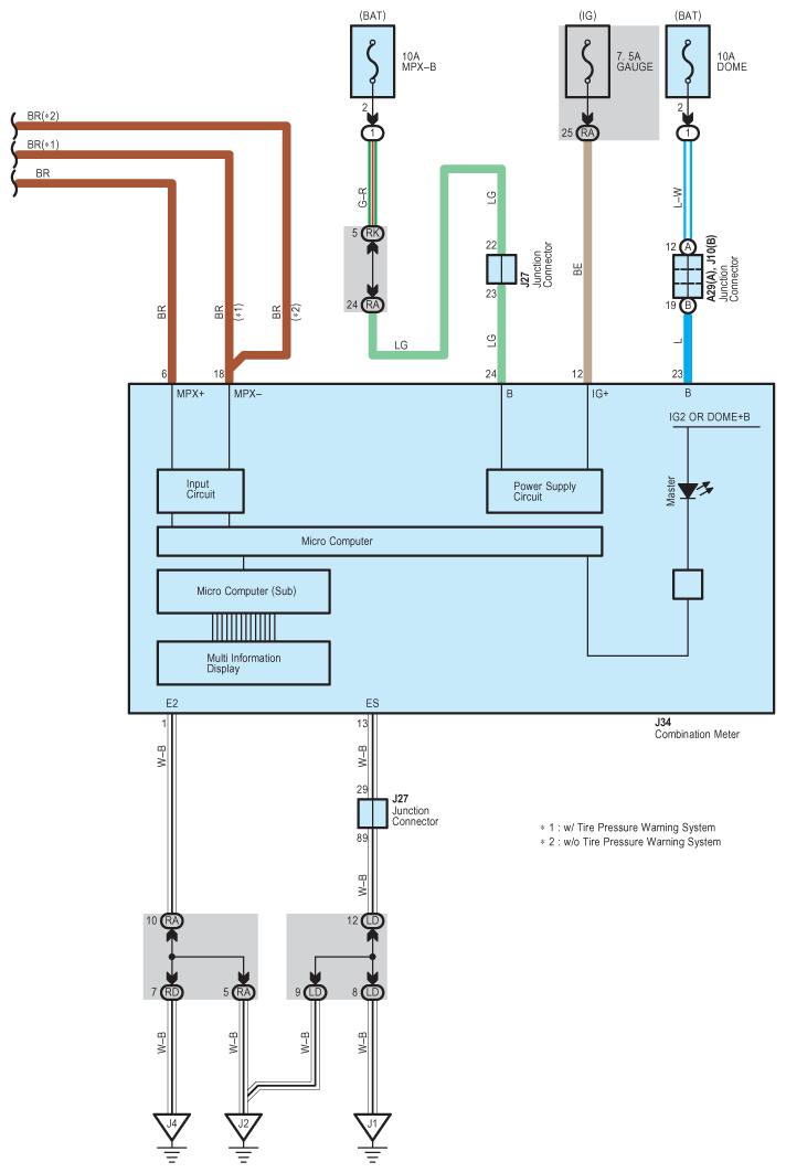
Fig 2: Sliding Roof - Wiring Diagram (2 Of 5)
G08935598Courtesy of © TOYOTA, LICENSE AGREEMENT TMS1002
Fig 3: Sliding Roof - Wiring Diagram (3 Of 5)
G08935599Courtesy of © TOYOTA, LICENSE AGREEMENT TMS1002
Fig 4: Sliding Roof - Wiring Diagram (4 Of 5)
G08935600Courtesy of © TOYOTA, LICENSE AGREEMENT TMS1002
Fig 5: Sliding Roof - Wiring Diagram (5 Of 5)
G08935601Courtesy of © TOYOTA, LICENSE AGREEMENT TMS1002